PRODUCTS
- Home
- Giới thiệu sản phẩm
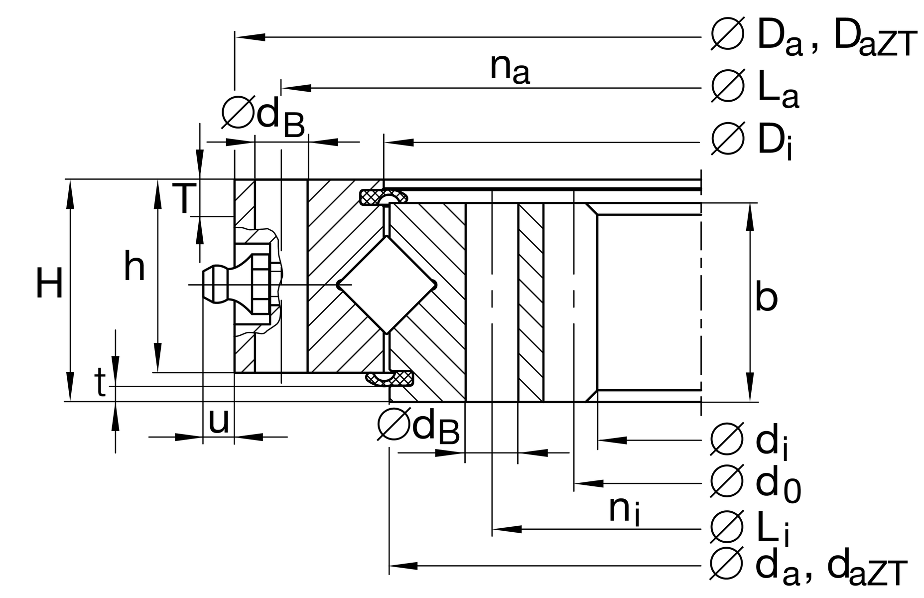
| di | 216 mm | Bore Diameter |
| da ZT | 285 mm | Diameter centring inner ring |
-IT8 | Diameter centring inner ring tolerance | |
| t | 2.5 mm | Length centering inner ring |
| Da | 340 mm | Outside Diameter |
| Da ZT | 338 mm | Diameter centring outer ring |
-IT8 | Diameter centring outer ring tolerance | |
| T | 5 mm | Length centering outer ring |
| H | 38 mm | Height |
| ≈m | 12.1 kg | Weight |
| Di | 289 mm | Inner diameter outer ring |
| ha | 33 mm | Width outer ring |
| La | 324 mm | Pitchcircle diameter fixing holes outer ring |
| na | 20 | Number of fixing holes in outer ring |
| dB | 9 mm | Fixing bore |
| da | 287 mm | Outside diameter inner ring |
34 mm | Width inner ring | |
| Li | 252 mm | Pitchcircle diameter fixing holes inner ring |
| ni | 20 | Number of fixing holes in inner ring |
| b | 34 mm | Width gearing |
| m | 4 mm | Modul of gearing |
| z | 56 | Number of teeth |
| d0 | 224 mm | Pitch circle diameter gearing |
| u | 6 mm | Protrusion lubrication nipple |
| Fz norm | 12,300 N | Max. tooth force root fatigue strenght |
| Fz max | 17,800 N | Max. tooth force against tooth fracture |
| Tmin | -30 °C | Operating temperature min. |
| Tmax | 80 °C | Operating temperature max. |
| Ca | 135,000 N | Basic dynamic load rating, axial |
| C0a | 310,000 N | Basic static load rating, axial |
| Cr | 96,000 N | Basic dynamic load rating, radial (for radial load only) |
| C0r | 153,000 N | Basic static load rating, radial (for radial load only) |
| VSPmax | 0.02 mm | Maximum bearing preload |
| Fr zul | 45,500 N | Max. radial load fixing screws (friction locking) |
| Centering | ZT | Centering on inner and outer ring |
| Gearing | N | Normalized gear teeth on bearing ring |