PRODUCTS

  • Home
  • Giới thiệu sản phẩm

INA
XI120288-N
Crossed roller bearings, with internal gear teeth, lip seals on both sides XI120288-N
Thêm vào yêu cầu báo giá
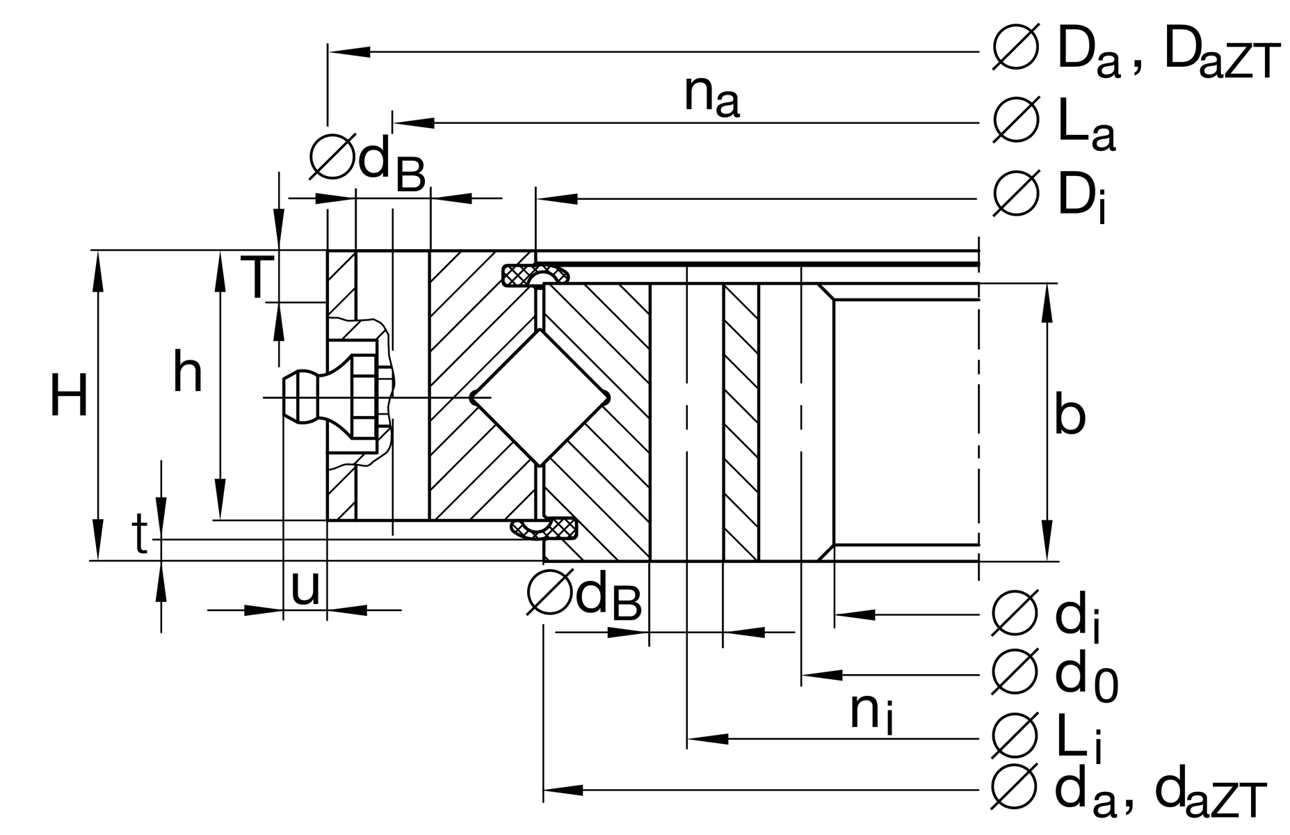
Main Dimensions & Performance Data
di
216 mm
Bore Diameter
Da
340 mm
Outside Diameter
H
38 mm
Height
≈m
12.121 kg
Weight

Dimensions
Di
289 mm
Inner diameter outer ring
ha
33 mm
Width outer ring
La
324 mm
Pitchcircle diameter fixing holes outer ring
na
20
Number of fixing holes in outer ring
dB
9 mm
Fixing bore
da
287 mm
Outside diameter inner ring
34 mm
Width inner ring
Li
252 mm
Pitchcircle diameter fixing holes inner ring
ni
20
Number of fixing holes in inner ring
b
34 mm
Width gearing
m
4 mm
Modul of gearing
z
56
Number of teeth
d0
224 mm
Pitch circle diameter gearing
u
6 mm
Protrusion lubrication nipple
Fz norm
12,300 N
Max. tooth force root fatigue strenght
Fz max
17,800 N
Max. tooth force against tooth fracture

Temperature range
Tmin
-30 °C
Operating temperature min.
Tmax
80 °C
Operating temperature max.

Calculation factors
Ca
135,000 N
Basic dynamic load rating, axial
C0a
310,000 N
Basic static load rating, axial
Cr
96,000 N
Basic dynamic load rating, radial (for radial load only)
C0r
153,000 N
Basic static load rating, radial (for radial load only)
VSPmax
0.02 mm
Maximum bearing preload
VSPmin
0 mm
Min. bearing preload
Fr zul
45,500 N
Max. radial load fixing screws (friction locking)

Your current product variant
GearingNNormalized gear teeth on bearing ring
Thêm vào yêu cầu báo giá