PRODUCTS
- Home
- Giới thiệu sản phẩm
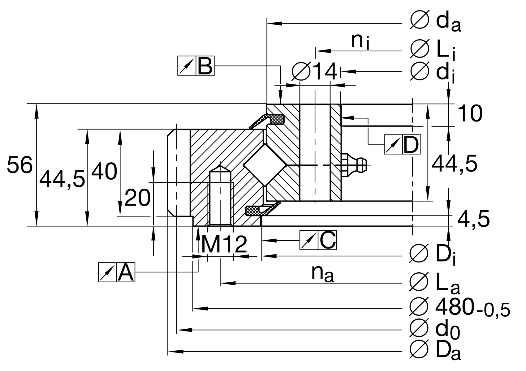
| diZT | 344 mm | Diameter centring inner ring |
IT7 | Diameter centring inner ring tolerance | |
| t | 10 mm | Length centering inner ring |
| Da | 503.3 mm | Outside Diameter |
| Di ZT | 417 µm | Diameter centring outer ring |
IT7 | Diameter centring outer ring tolerance | |
| T | 4.5 mm | Length centering outer ring |
| H | 56 mm | Height |
| ≈m | 30.25 kg | Weight |
| ha | 44.5 mm | Width outer ring |
| La | 455 mm | Pitchcircle diameter fixing holes outer ring |
| na | 20 | Number of fixing holes in outer ring |
| Da ZT | 480 mm | Offset diameter outer ring |
0 mm | Offset diameter outer ring upper tolerance | |
-0.5 mm | Offset diameter outer ring lower tolerance | |
| b | 40 mm | Width gearing |
| m | 5 mm | Modul of gearing |
| z | 99 | Number of teeth |
| d0 | 495 mm | Pitch circle diameter gearing |
| Fz norm | 15,900 N | Max. tooth force root fatigue strenght (at a shock factor of 1,2) |
| Fz max | 23,600 N | Max. tooth force against tooth fracture (at a shock factor of 1,35) |
| da | 413 mm | Outside diameter inner ring |
0 mm | Outside diameter inner ring upper tolerance | |
-0.5 mm | Outside diameter inner ring lower tolerance | |
| h | 44.5 mm | height of individual ring |
| dB | 14 mm | Fixing bore |
| Li | 368 mm | Pitchcircle diameter fixing holes inner ring |
| ni | 24 | Number of fixing holes in inner ring |
M12 | Tread fixing bore | |
| tG | 20 mm | Thread depth oil connector |
0.04 mm | Running accuracy A (related to the raceway) | |
0.04 mm | Running accuracy B (related to the raceway) | |
0.06 mm | Running accuracy C (related to the raceway) | |
0.06 mm | Running accuracy D (related to the raceway) |
| Tmin | -25 °C | Operating temperature min. |
| Tmax | 80 °C | Operating temperature max. |
| Ca | 200,000 N | Basic dynamic load rating, axial |
| C0a | 540,000 N | Basic static load rating, axial |
| Cr | 143,000 N | Basic dynamic load rating, radial (for radial load only) |
| C0r | 265,000 N | Basic static load rating, radial (for radial load only) |
| VSPmax | 0.03 mm | Maximum bearing preload |
| VSPmin | 0.01 mm | Min. bearing preload |
| Fr zul | 82,600 N | Max. radial load fixing screws (friction locking) |
| Gearing | N | Normalized gear teeth on bearing ring |