PRODUCTS

  • Home
  • Giới thiệu sản phẩm

INA
BF3020
Flat cage BF3020
Thêm vào yêu cầu báo giá
Main Dimensions & Performance Data
lk max
6,000 mm
Max. length 1
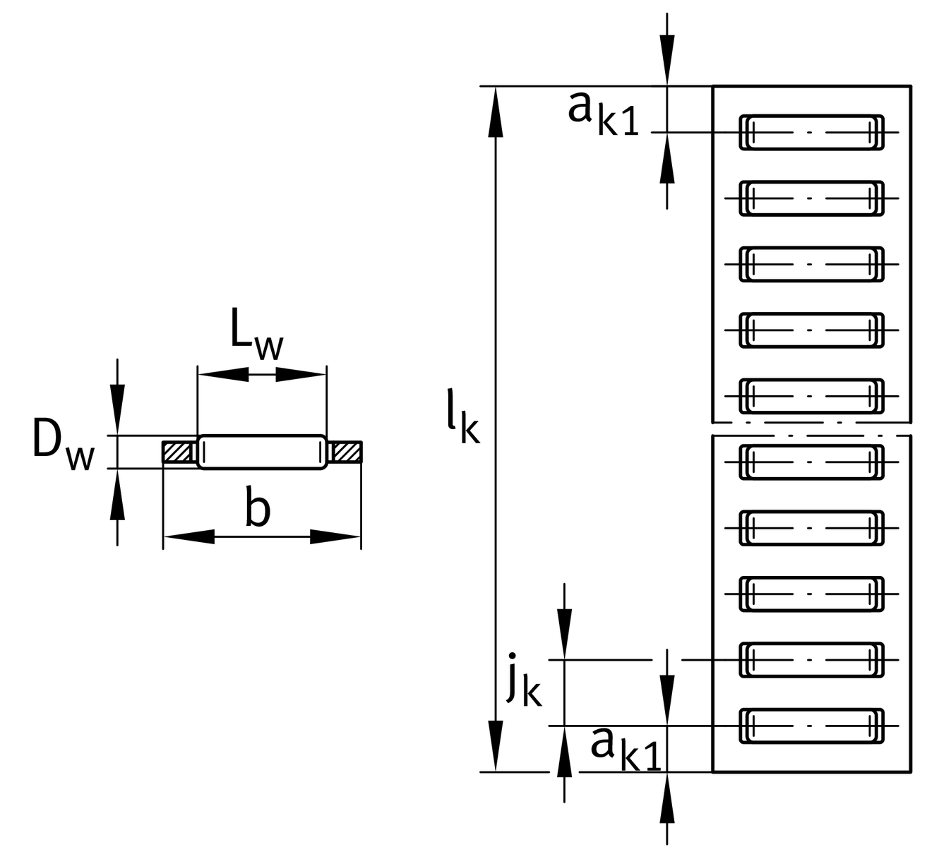
DW
3 mm
Rolling element diameter
b
20 mm
C
57,800 N
Load capacity dyn. 2
C0
170,100 N
Load capacity stat. 2
≈m
342 g/m
Weight

Mounting dimensions
EB
20.4 mm
Tol EB
+0,2
tolerance
EB1
16 mm
min.
EH
2.7 mm

Dimensions
LW
15.8 mm
Length rolling element
jk
6 mm
ak1
4.5 mm

Related products
J5030, S5030
Associated rail

Your current product variant
Size code3020
Thêm vào yêu cầu báo giá