PRODUCTS

  • Home
  • Giới thiệu sản phẩm

INA
BF5015
Flat cage BF5015
Thêm vào yêu cầu báo giá
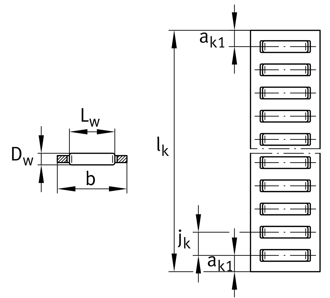
Main Dimensions & Performance Data
lk max
6,000 mm
Max. length 1
DW
5 mm
Rolling element diameter
b
15 mm
C
69,900 N
Load capacity dyn. 2
C0
154,700 N
Load capacity stat. 2
≈m
375 g/m
Weight

Mounting dimensions
EB
15.3 mm
Tol EB
+0,2
tolerance
EB1
12 mm
min.
EH
4.6 mm

Dimensions
LW
11.8 mm
Length rolling element
jk
8 mm
ak1
5.5 mm

Your current product variant
Size code5015
Thêm vào yêu cầu báo giá