PRODUCTS

  • Home
  • Giới thiệu sản phẩm

INA
BF12040
Flat cage BF12040
Thêm vào yêu cầu báo giá
Main Dimensions & Performance Data
lk max
6,000 mm
Max. length 1
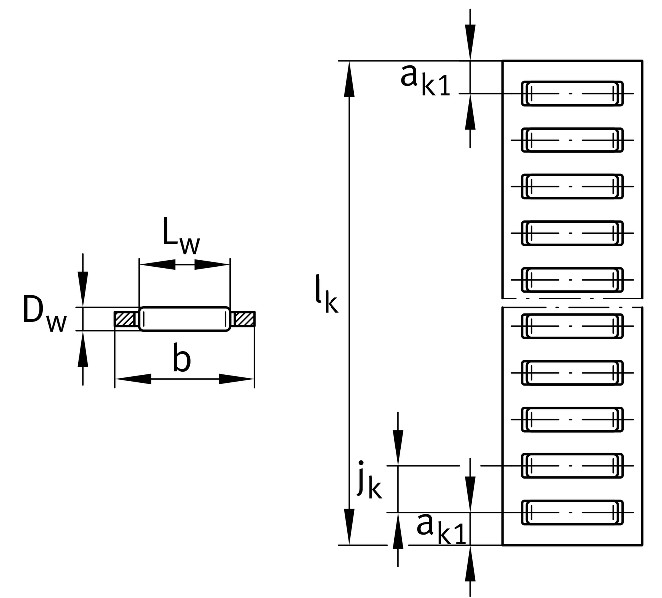
DW
12 mm
Rolling element diameter
b
40 mm
C
147,600 N
Load capacity dyn. 2
C0
938,600 N
Load capacity stat. 2
≈m
1,970 g/m
Weight

Mounting dimensions
EB
40.5 mm
Tol EB
+0,3
tolerance
EB1
36 mm
min.
EH
11 mm

Dimensions
LW
36 mm
Length rolling element
jk
16 mm
ak1
10 mm

Your current product variant
Size code12040
Thêm vào yêu cầu báo giá