PRODUCTS

  • Home
  • Giới thiệu sản phẩm

INA
BF12022
Flat cage BF12022
Thêm vào yêu cầu báo giá
Main Dimensions & Performance Data
lk max
6,000 mm
Max. length 1
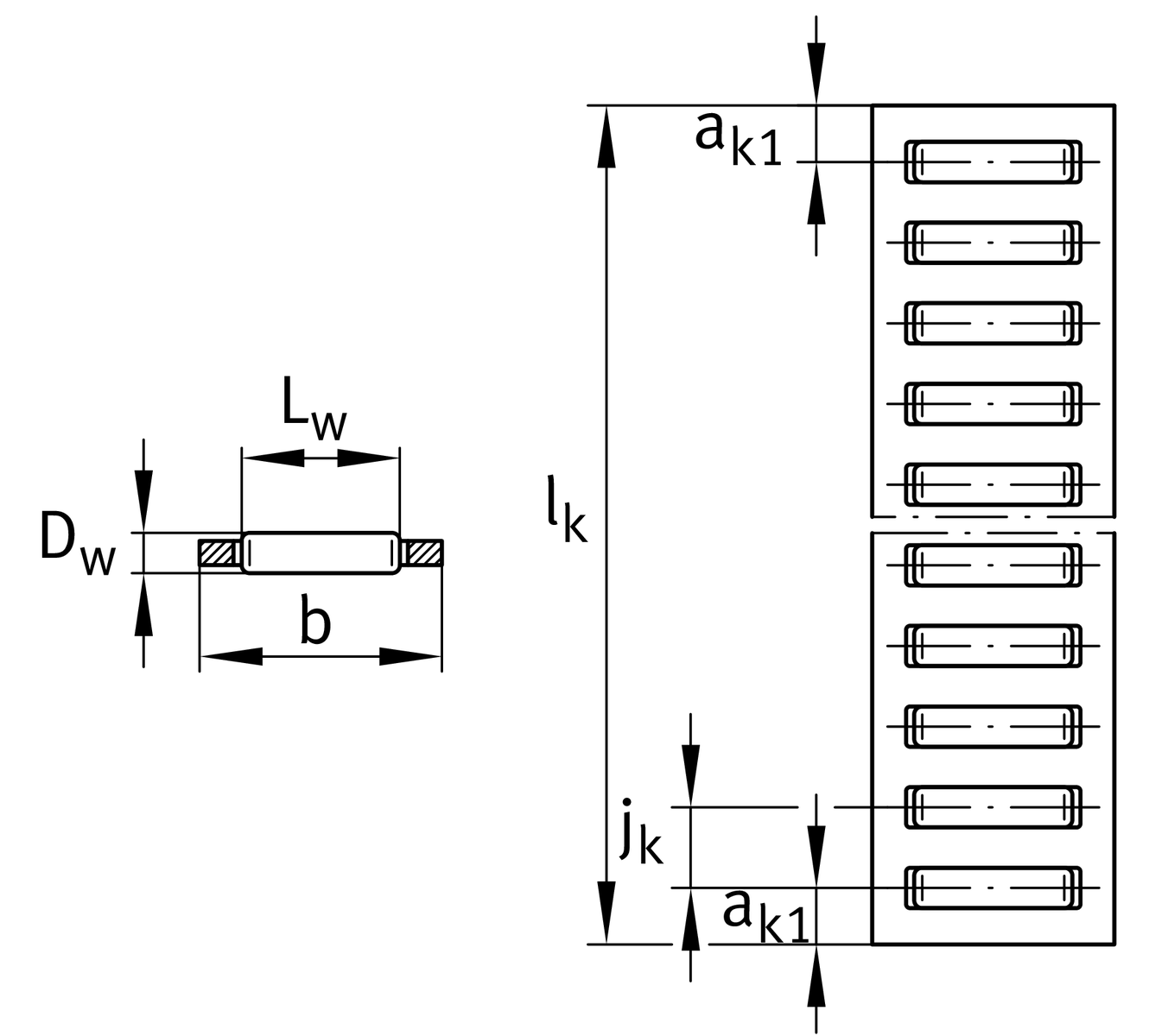
DW
12 mm
Rolling element diameter
b
22 mm
C
178,800 N
Load capacity dyn. 2
C0
288,300 N
Load capacity stat. 2
≈m
1,220 g/m
Weight

Mounting dimensions
EB
22.4 mm
Tol EB
+0,2
tolerance
EB1
18 mm
min.
EH
11 mm

Dimensions
LW
18 mm
Length rolling element
jk
16 mm
ak1
10 mm

Your current product variant
Size code12022
Thêm vào yêu cầu báo giá