PRODUCTS

  • Home
  • Giới thiệu sản phẩm

INA
TFE40-XL
Flanged housing unit TFE40-XL
Thêm vào yêu cầu báo giá
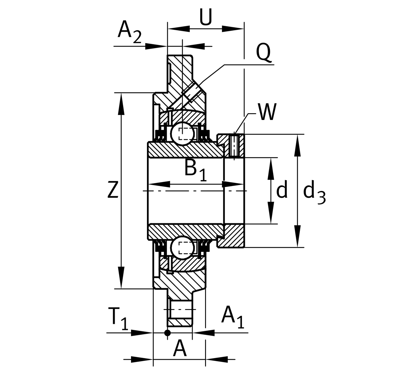
Main Dimensions & Performance Data
d
40 mm
Bore diameter
H
145 mm
Height flange
H
145 mm
Flange width
U
46.6 mm
Total height unit
Cr
34,500 N
Basic dynamic load rating, radial
C0r
19,800 N
Basic static load rating, radial
Cur
840 N
Fatigue load limit, radial
≈m
1.71 kg
Weight

Mounting dimensions
J
120 mm
Pitch circle diameter (holes)
N
11.5 mm
Fixing bore
T1
4 mm
Height spigot
Z
100 mm
Diameter spigot
h8
Diameter spigot clearance
W
5 mm
Width across flats
n
4
Number of screwing holes

Dimensions
A
28 mm
Height housing
A1
11.5 mm
Thickness of flange
A2
11.5 mm
Distance raceway
B1
56.5 mm
Locking collar total width
Q
M6
Connection thread for lubrication
d3
58 mm
Outer diameter locking collar

Additional information
GEHFE08-GG-N
Housing
GE40-XL-KTT-B
Bearing designation

Temperature range
Tmin
-20 °C
Operating temperature min.
Tmax
100 °C
Operating temperature max.

Your current product variant
MaterialGGGrey cast iron
Thêm vào yêu cầu báo giá