PRODUCTS

  • Home
  • Giới thiệu sản phẩm

INA
TFE35-XL
Flanged housing unit TFE35-XL
Thêm vào yêu cầu báo giá
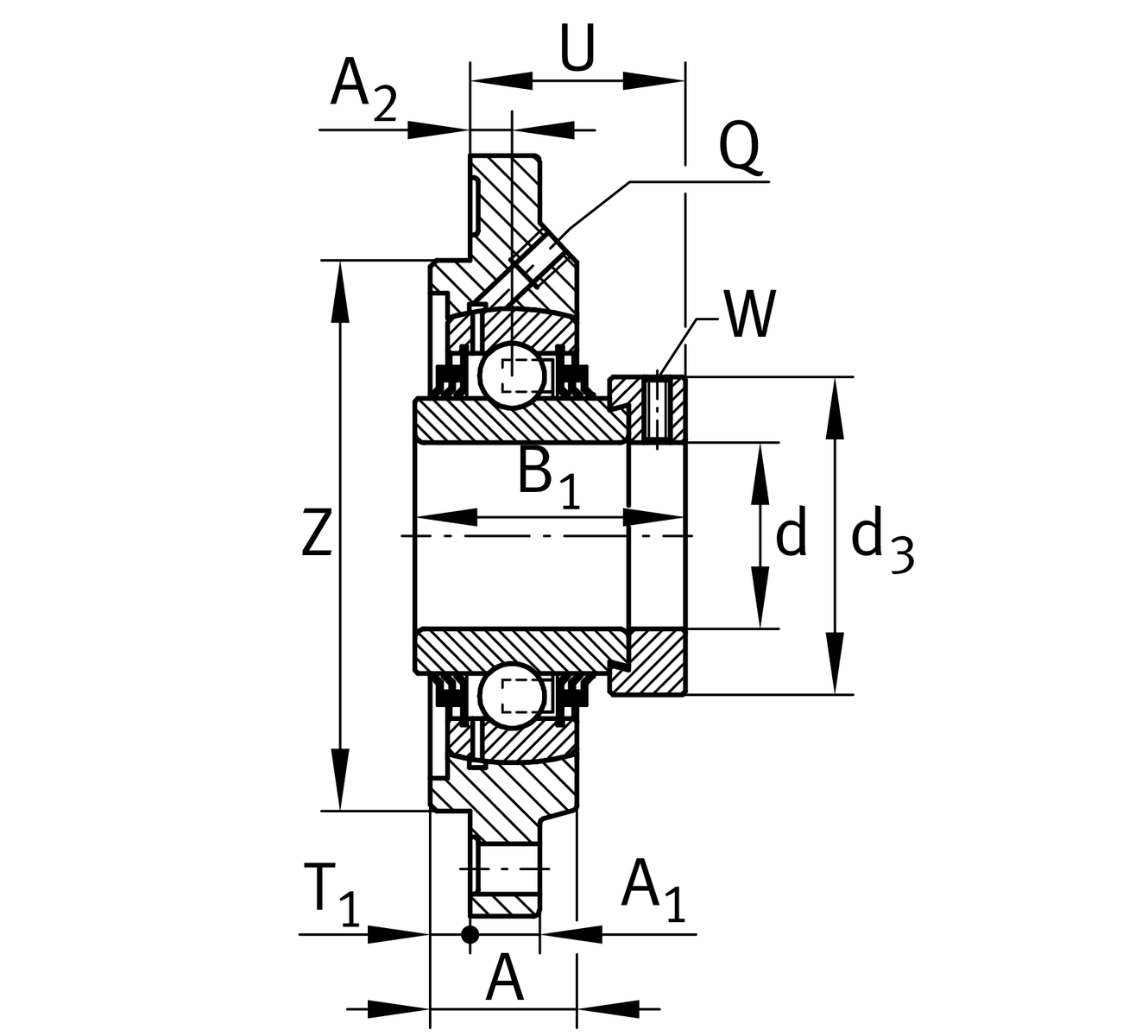
Main Dimensions & Performance Data
d
35 mm
Bore diameter
H
135 mm
Height flange
U
41.3 mm
Total height unit
Cr
27,500 N
Basic dynamic load rating, radial
C0r
15,300 N
Basic static load rating, radial
Cur
800 N
Fatigue load limit, radial
≈m
1.28 kg
Weight

Mounting dimensions
J
110 mm
Distance fixing bore
J
110 mm
Pitch circle diameter (holes)
N
11.5 mm
Fixing bore
T1
4 mm
Height spigot
Z
90 mm
Diameter spigot
h8
Diameter spigot clearance
n
4
Number of screwing holes

Dimensions
A
22.5 mm
Height housing
A1
10 mm
Thickness of flange
A2
9 mm
Distance raceway
B1
51.3 mm
Locking collar total width
Q
M6
Connection thread for lubrication

Additional information
1
Number of housings
FE07
Housing
GE35-XL-KTT-B
Bearing designation

Temperature range
Tmin
-20 °C
Operating temperature min.
Tmax
120 °C
Operating temperature max.

Your current product variant
MaterialGGGrey cast iron
Thêm vào yêu cầu báo giá