PRODUCTS

  • Home
  • Giới thiệu sản phẩm

INA
UGN12553
Guideways with four raceways, with slot UGN12553
Thêm vào yêu cầu báo giá
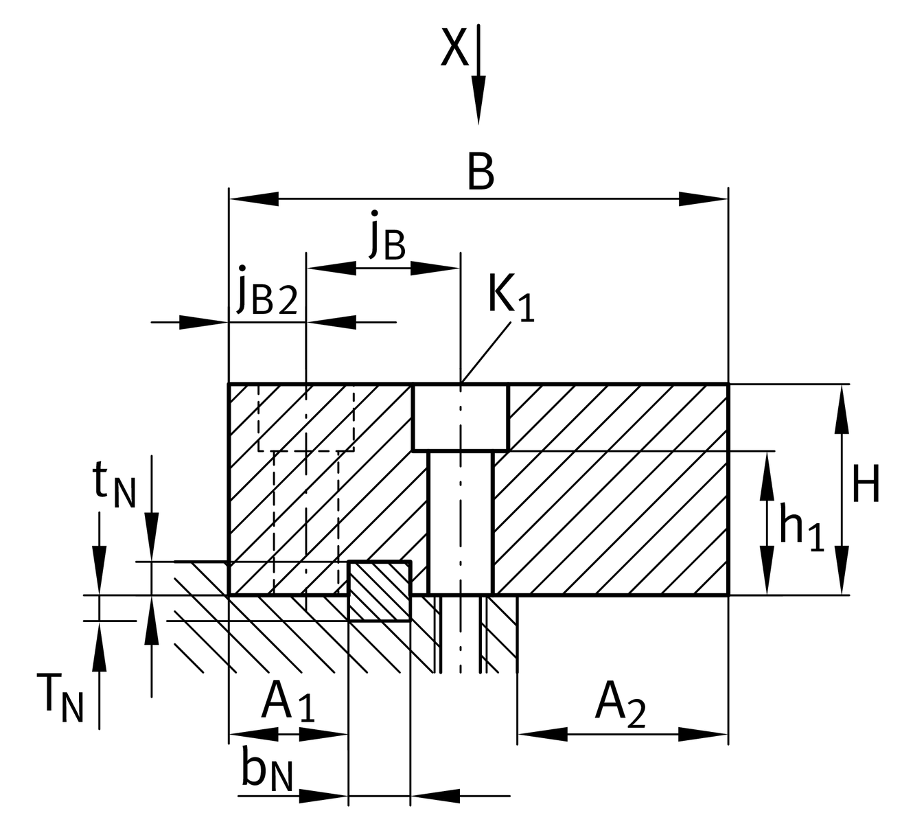
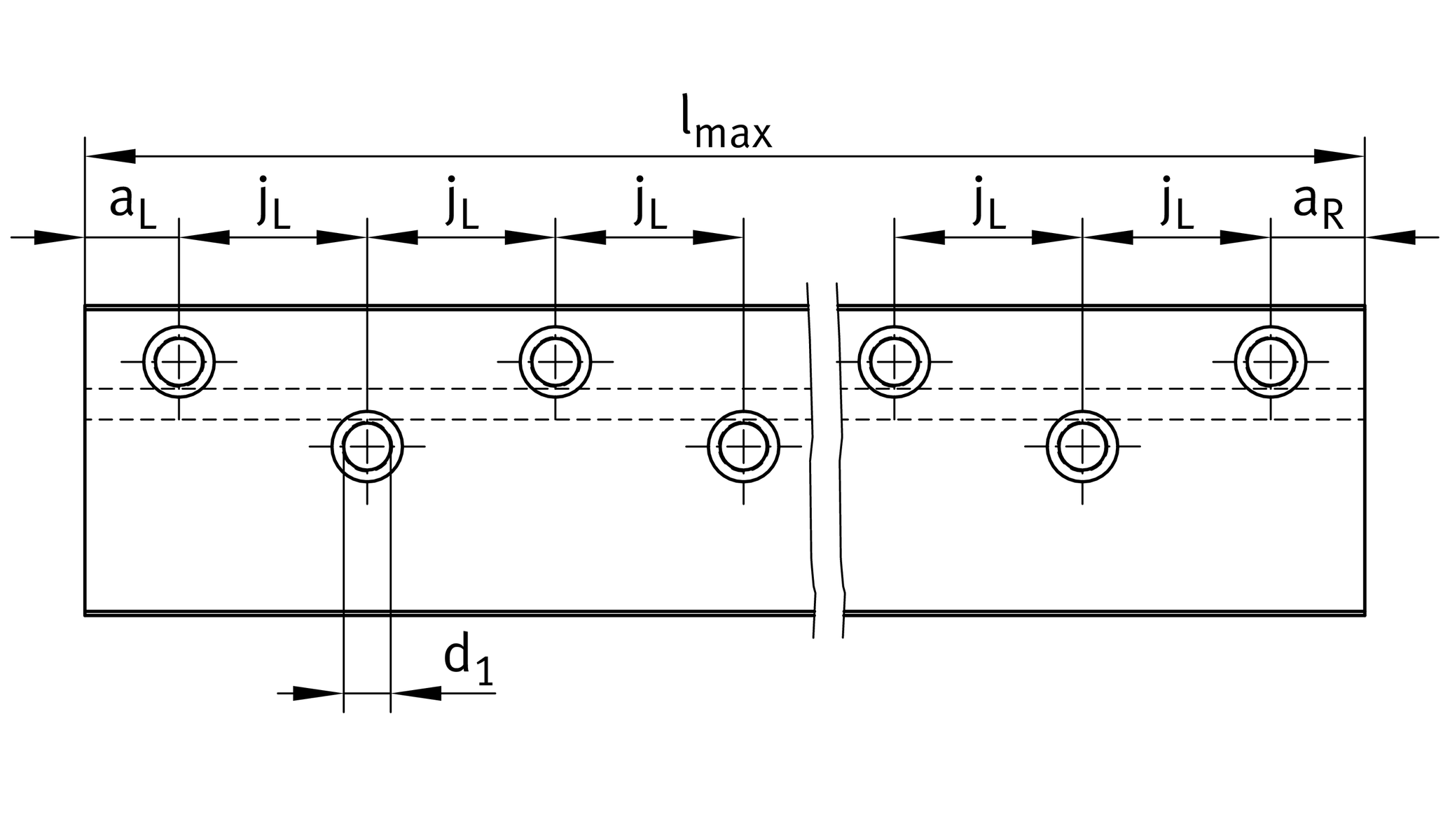
Main Dimensions & Performance Data
lmax
3,000 mm
length maximum 1
125 mm
width
Tol B
-0,1
tolerance
H
53 mm
height
Tol H
-0,1
tolerance

Mounting dimensions
jB
35 mm
jB2
18 mm
jL
40 mm
aR min
15 mm
2
aR max
35 mm
2
aL min
15 mm
2
aL max
35 mm
2
h1
37.5 mm
A2 max
53 mm
N2
20 mm
A1
27 mm
slot position 3
bN
14 mm
width slot 3
TN
6 mm
3
tN
7.5 mm
3
12x12
square steel bar DIN EN 10278 4
K1
M12
fixing srews (DIN ISO 4762-12.9)
K1 MA
140 Nm
torques fixing screws 5
d1
14 mm
bore diameter

Related products
KVK20
suitable closing plug 6
RUS38134, RUS38206, RUSV60134-KS, RUSV60206-KS, PR14089
suitable for linear roller bearing 7

Your current product variant
Size code12553
Thêm vào yêu cầu báo giá