PRODUCTS

  • Home
  • Giới thiệu sản phẩm

INA
UG9741
Guideways with four raceways UG9741
Thêm vào yêu cầu báo giá
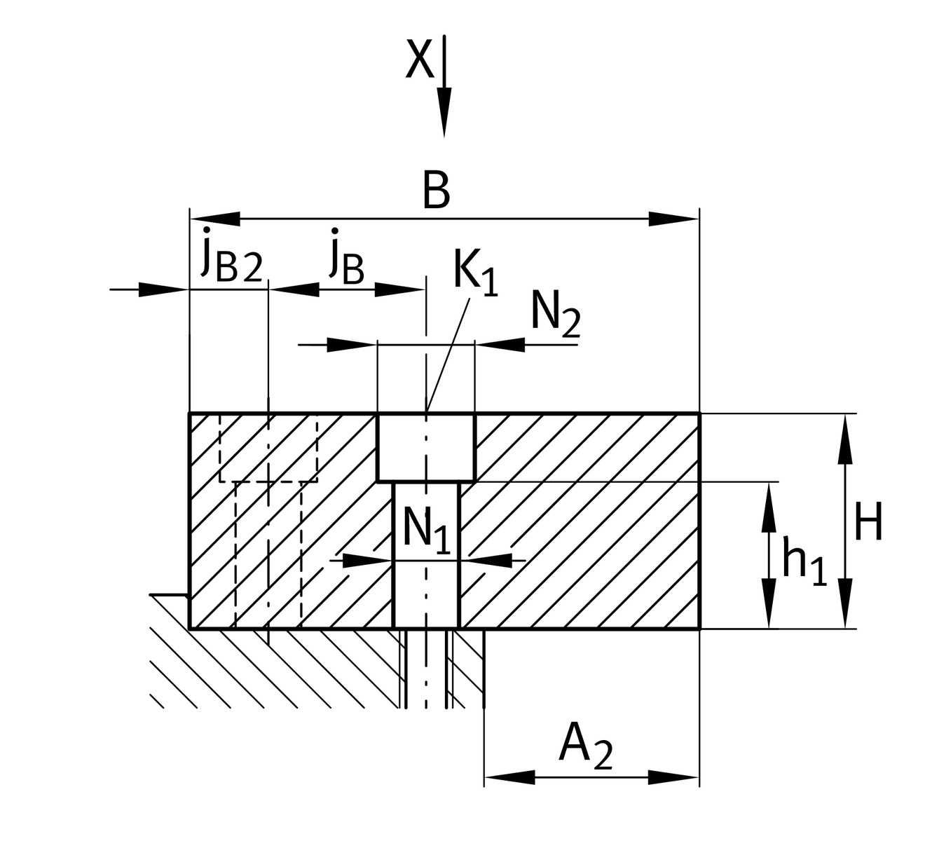
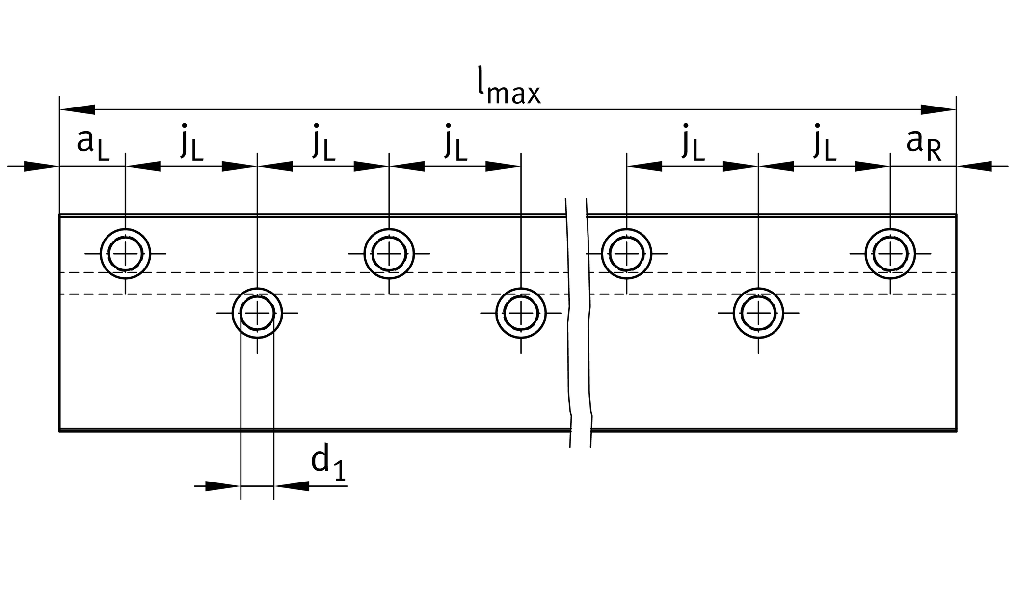
Main Dimensions & Performance Data
lmax
3,000 mm
length maximum 1
B
97 mm
width
Tol B
-0,1
tolerance
H
41 mm
height
Tol H
-0,1
tolerance

Mounting dimensions
jB
30 mm
jB2
15 mm
jL
40 mm
aR min
15 mm
2
aR max
35 mm
2
aL min
15 mm
2
a
35 mm
2
h1
27.5 mm
A2 max
41 mm
N2
18.5 mm
K1
M10
fixing srews (DIN ISO 4762-12.9)
K1 MA
83 Nm
torques fixing screws 3
d1
12.5 mm
bore diameter

Related products
KVK18,5
suitable closing plug 4
RUS26086, RUS26102, RUS26126, RUSV42086-KS, RUSV42102-KS, RUSV42126-KS, PR14089
suitable linear roller bearing 5

Your current product variant
Size code9741
Thêm vào yêu cầu báo giá