PRODUCTS
- Home
- Giới thiệu sản phẩm
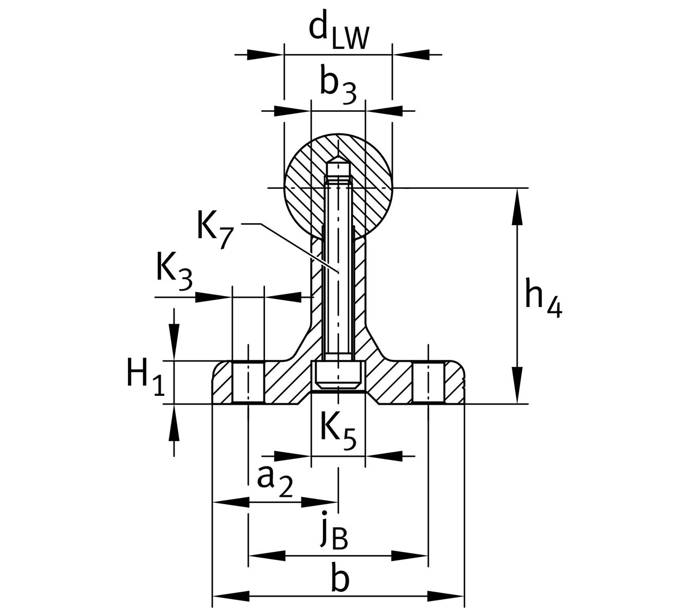
| BGR | 12 | Dimension of shaft and support body |
| Tol dLW | L | Diameter tolerance shaft |
| h4 | 38.1 mm | Height dimension 1 |
| Tol h4 | 0.051 mm | Height dimension tolerance High |
| Tol h4 | -0.051 mm | Height dimension tolerance Low |
| b | 44.45 mm | Support rail width bottom |
| Lmax | 5,181.6 mm | shaft and support rail-length max. 2 |
| jB | 31.75 mm | distance jB of bore |
| b3 | 9.652 mm | Support rail width prism |
| a2 | 22.225 mm | Support rail width stop bar |
| Tol a2 | 0.051 mm | Height dimension tolerance High |
| Tol a2 | -0.051 mm | Height dimension tolerance Low |
| jL | 152.4 mm | distance radial thread |
| aL min | 75.184 mm | distance thread aL (min) 3 |
| aL max | 139.7 mm | distance thread aL (max) 3 |
| aR min | 75.184 mm | distance thread aR (min) 3 |
| aR max | 139.7 mm | distance thread aR (max) 3 |
| H1 | 6.35 mm | Support Rail height stop bar |
| K3 | 5.613 mm | Adjacent construction bore |
| K5 | 9.525 mm | Counterbore |
| K6 | 5.613 mm | Connecting bore |
| K7 | SHR 10-32X1-1/4 SOC HD CAP | screw size |
| h7 | 5.588 mm | depth counterbore |
| m | 3.67 kg/m | Shaft and support rail unit weight |
| Diameter shaft | 3/4" | dLW |