PRODUCTS
- Home
- Giới thiệu sản phẩm
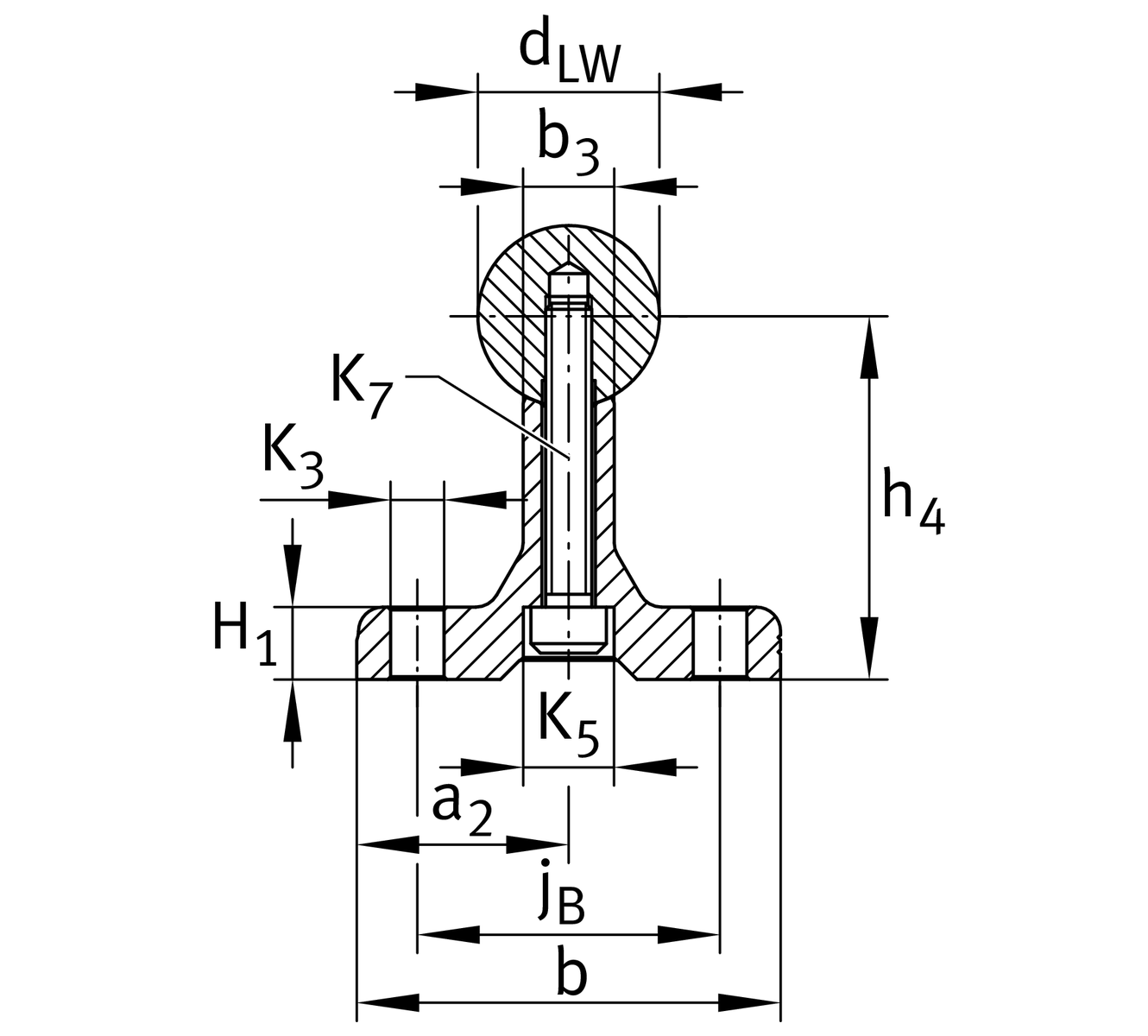
| BGR | 10 | Dimension of shaft and support body |
| Tol dLW | L | Diameter tolerance shaft |
| h4 | 28.575 mm | Height dimension 1 |
| Tol h4 | 0.051 mm | Height dimension tolerance High |
| Tol h4 | -0.051 mm | Height dimension tolerance Low |
| b | 41.402 mm | Support rail width bottom |
| Lmax | 4,572 mm | shaft and support rail-length max. 2 |
| jB | 28.702 mm | distance jB of bore |
| b3 | 7.874 mm | Support rail width prism |
| a2 | 20.65 mm | Support rail width stop bar |
| Tol a2 | 0.051 mm | Height dimension tolerance High |
| Tol a2 | -0.051 mm | Height dimension tolerance Low |
| jL | 101.6 mm | distance radial thread |
| aL min | 50.038 mm | distance thread aL (min) 3 |
| aL max | 88.9 mm | distance thread aL (max) 3 |
| aR min | 50.038 mm | distance thread aR (min) 3 |
| aR max | 88.9 mm | distance thread aR (max) 3 |
| H1 | 6.35 mm | Support Rail height stop bar |
| K3 | 4.902 mm | Adjacent construction bore |
| K5 | 7.925 mm | Counterbore |
| K6 | 4.902 mm | Connecting bore |
| K7 | SHR 8-32X7/8 SOC HD CAP | screw size |
| h7 | 4.572 mm | depth counterbore |
| m | 2.6 kg/m | Shaft and support rail unit weight |
| Diameter shaft | 5/8" | dLW |