PRODUCTS

  • Home
  • Giới thiệu sản phẩm

INA
THE45-XL
Take-up housing unit THE45-XL
Thêm vào yêu cầu báo giá
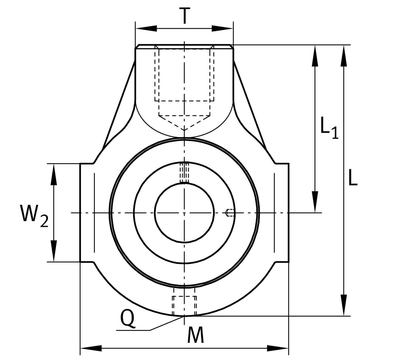
Main Dimensions & Performance Data
d
45 mm
Bore diameter
L
145 mm
Length total
M
110 mm
Housing total width
A2
40 mm
Width housing
≈m
2.13 kg
Weight

Mounting dimensions
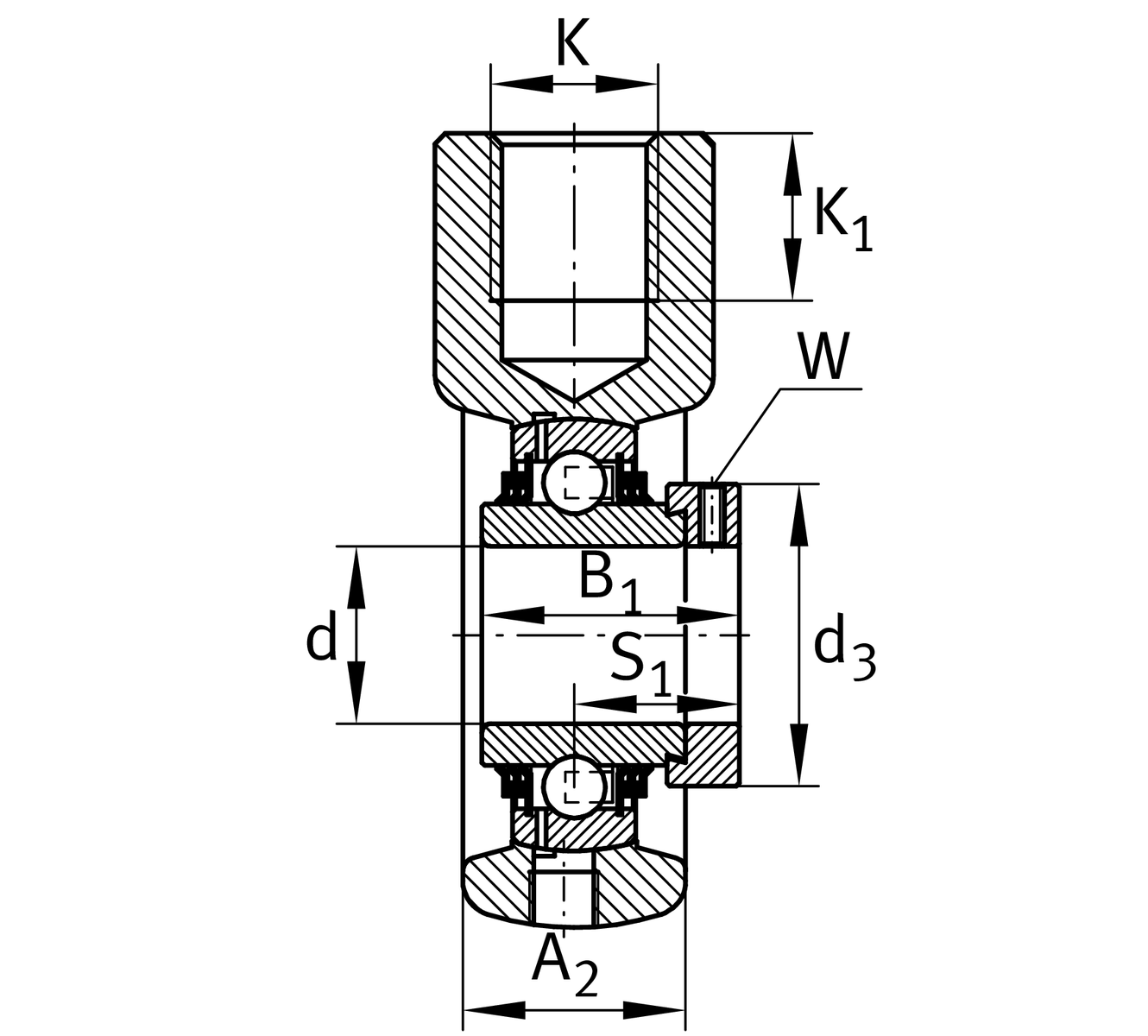
K
M24
Thread fixing bore
K1
24 mm
Thread depth

Dimensions
L1
90 mm
Distance shaft axis
T
40 mm
Height housing fixing side
W2
45 mm
Length of guidance face
Q
M6
Connection thread for lubrication

Additional information
HE09
Housing
GE45-XL-KTT-B
Bearing designation

Temperature range
Tmin
-20 °C
Operating temperature min.
Tmax
120 °C
Operating temperature max.

Your current product variant
MaterialGGGrey cast iron
Thêm vào yêu cầu báo giá