PRODUCTS

  • Home
  • Giới thiệu sản phẩm

FAG
UCFA209-27
Take-up housing unit UCFA209-27
Thêm vào yêu cầu báo giá
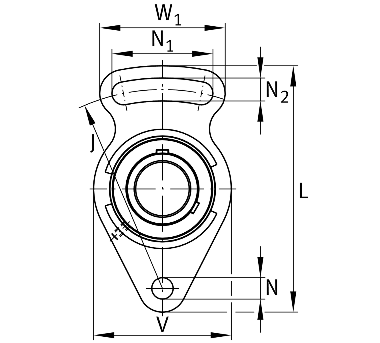
Main Dimensions & Performance Data
d
42.86 mm
Bore diameter
L
181 mm
Length total
U
52.2 mm
Total height unit
≈m
2.019 kg
Weight

Mounting dimensions
N
16 mm
Fixing bore
N1
72 mm
Length (slot)
N2
16 mm
Width (slot)
J
148 mm
Distance fixing bore

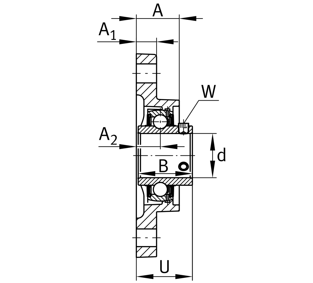
Dimensions
A1
18 mm
Thickness of flange
A2
22 mm
Distance raceway
A
38 mm
Height housing
V
108 mm
Shoulder diameter housing
W
90 mm
Width housing slot side
Q
M6
Connection thread for lubrication

Additional information
FA209
Housing
UC209-27
Bearing designation

Temperature range
Tmin
-20 °C
Operating temperature min.
Tmax
120 °C
Operating temperature max.

Your current product variant
MaterialGGGrey cast iron
Thêm vào yêu cầu báo giá