PRODUCTS

  • Home
  • Giới thiệu sản phẩm

FAG
UKFC209
Flanged housing unit UKFC209
Thêm vào yêu cầu báo giá
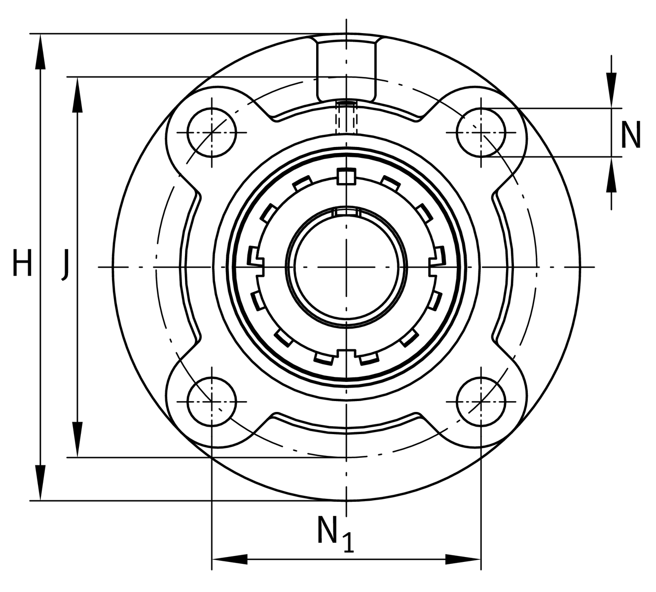
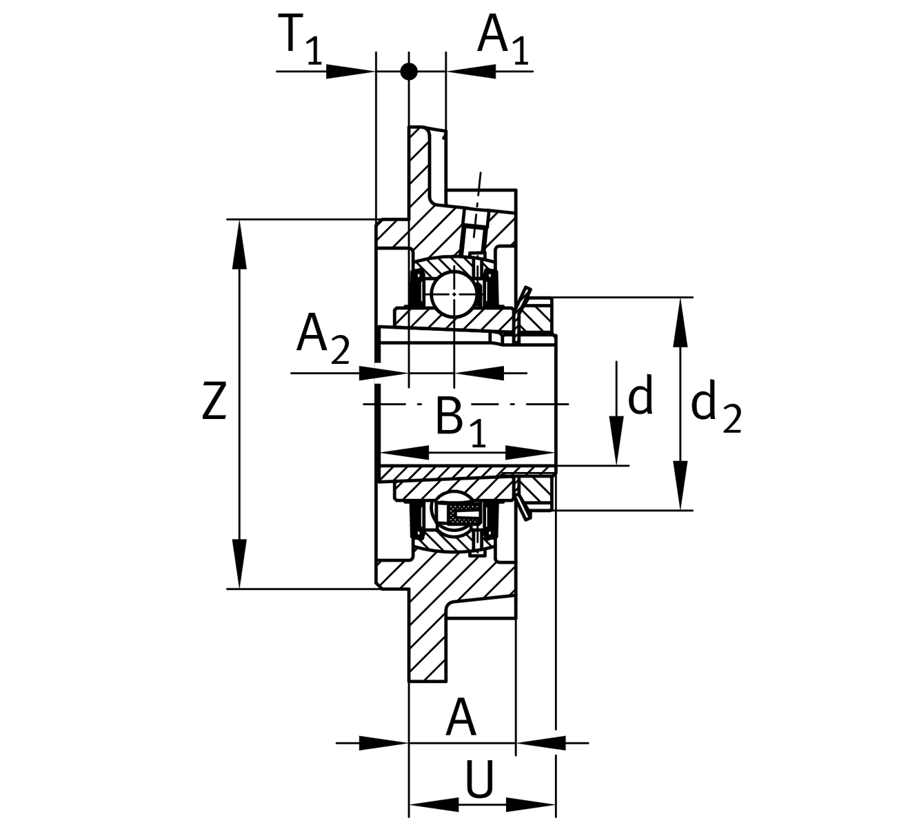
Main Dimensions & Performance Data
d
40 mm
Bore diameter
H
160 mm
Height flange
U
38.2 mm
Total height unit
Cr
34,500 N
Basic dynamic load rating, radial
C0r
20,400 N
Basic static load rating, radial
Cur
1,060 N
Fatigue load limit, radial
≈m
2.82 kg
Weight

Mounting dimensions
J
132 mm
Pitch circle diameter (holes)
N
16 mm
Fixing bore
N1
93.3 mm
Distance fixing bore
T1
12 mm
Height spigot
Z
105 mm
Diameter spigot
h8
Diameter spigot clearance
n
4
Number of screwing holes

Dimensions
A
26 mm
Height housing
A1
14 mm
Thickness of flange
A2
10 mm
Distance raceway
B
32 mm
Width
B1
50 mm
Locking collar total width
d3
65 mm
Outside diameter eccentric locking collar

Additional information
1
Number of housings
FC209
Housing
UK209
Bearing designation

Temperature range
Tmin
-20 °C
Operating temperature min.
Tmax
120 °C
Operating temperature max.

Your current product variant
MaterialGGGrey cast iron
Thêm vào yêu cầu báo giá