PRODUCTS

  • Home
  • Giới thiệu sản phẩm

FAG
UKFC208
Flanged housing unit UKFC208
Thêm vào yêu cầu báo giá
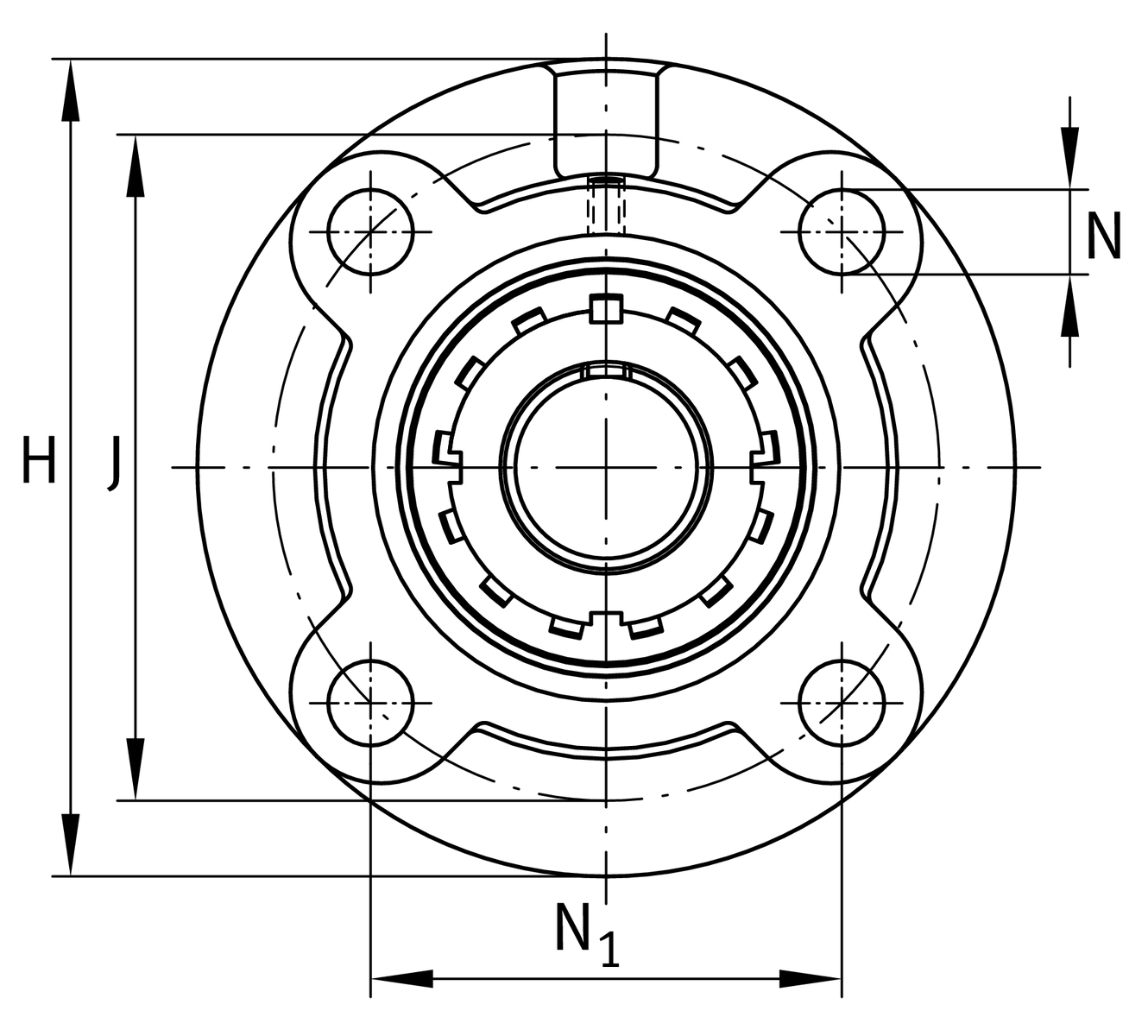
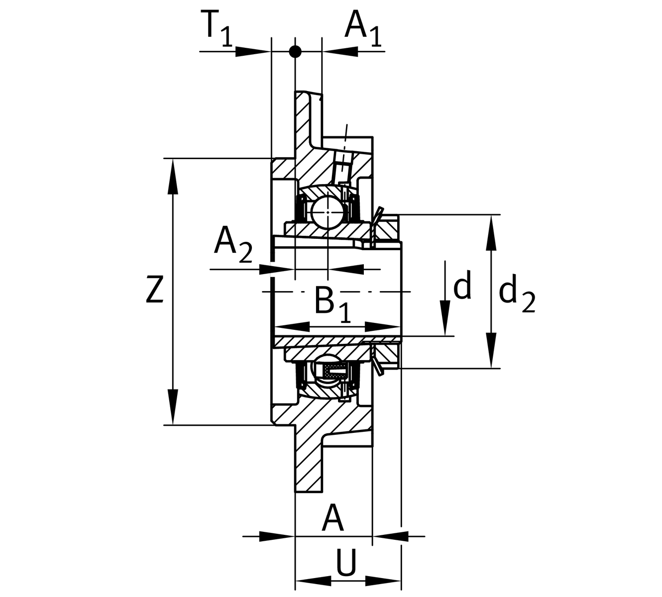
Main Dimensions & Performance Data
d
35 mm
Bore diameter
H
145 mm
Height flange
U
37.7 mm
Total height unit
Cr
32,500 N
Basic dynamic load rating, radial
C0r
19,800 N
Basic static load rating, radial
Cur
1,030 N
Fatigue load limit, radial
≈m
2.12 kg
Weight

Mounting dimensions
J
120 mm
Pitch circle diameter (holes)
N
14 mm
Fixing bore
N1
84.8 mm
Distance fixing bore
T1
10 mm
Height spigot
Z
100 mm
Diameter spigot
h8
Diameter spigot clearance
n
4
Number of screwing holes

Dimensions
A
26 mm
Height housing
A1
9 mm
Thickness of flange
A2
11 mm
Distance raceway
B
31 mm
Width
B1
46 mm
Locking collar total width
d3
58 mm
Outside diameter eccentric locking collar

Additional information
1
Number of housings
FC208
Housing
UK208
Bearing designation

Temperature range
Tmin
-20 °C
Operating temperature min.
Tmax
120 °C
Operating temperature max.

Your current product variant
MaterialGGGrey cast iron
Thêm vào yêu cầu báo giá