PRODUCTS
- Home
- Giới thiệu sản phẩm
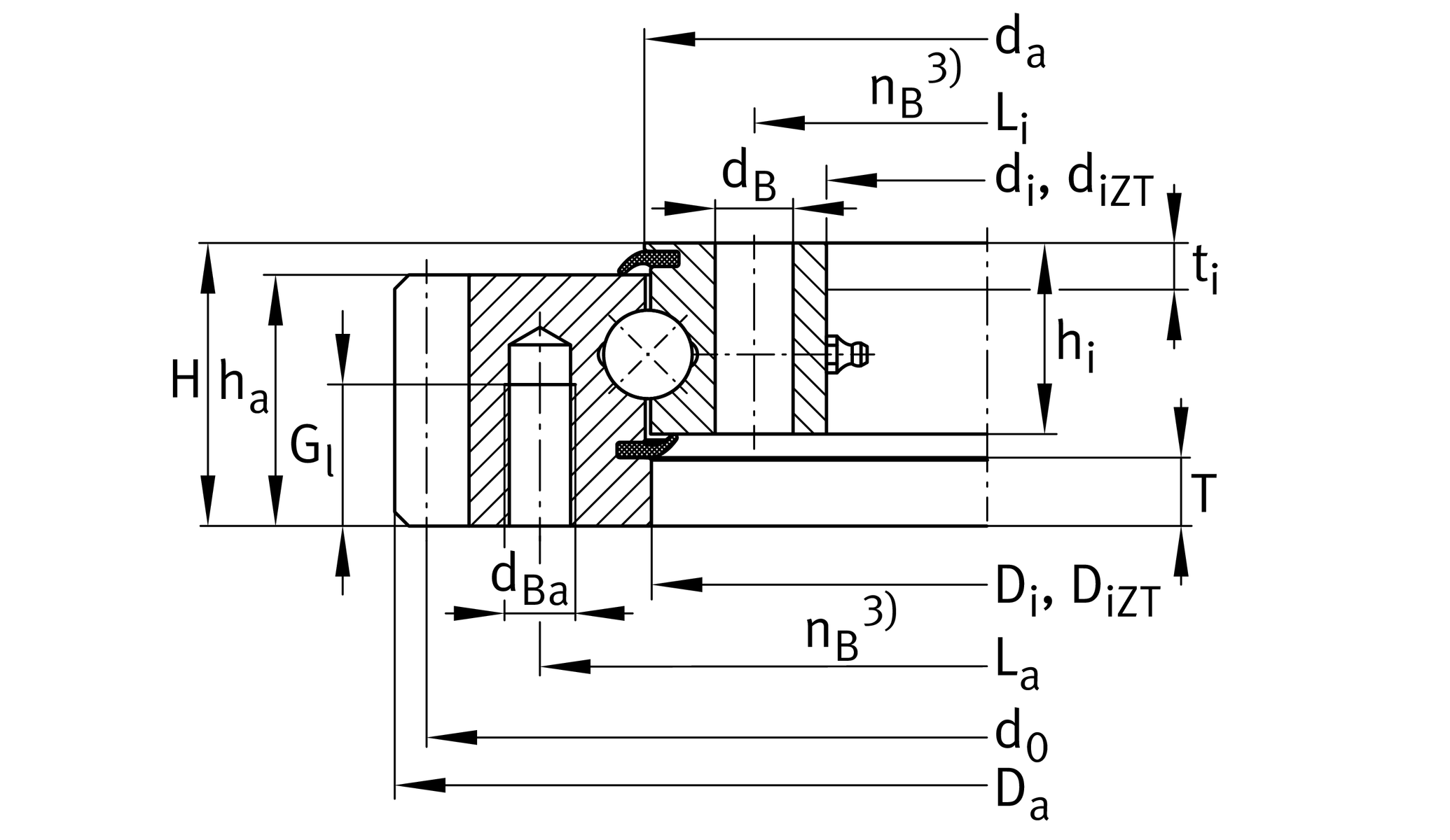
| di | 672 mm | Bore Diameter |
0.6 mm | Bore diameter upper tolerance | |
0 mm | Bore diameter lower tolerance | |
| H | 56 mm | Height |
| Da | 838.1 mm | Outside Diameter |
| ha | 44.5 mm | Width outer ring |
| hi | 44.5 mm | height of inner ring |
| ≈m | 61.83 kg | Weight |
| Di | 745.5 mm | Inner diameter outer ring |
0.6 mm | Inner diameter outer ring upper tolerance | |
0 mm | Inner diameter outer ring lower tolerance | |
| da | 742.5 mm | Outside diameter inner ring |
0 mm | Outside diameter inner ring upper tolerance | |
-0.6 mm | Outside diameter inner ring lower tolerance | |
| ni | 40 | Number of fixing holes in inner ring |
| Li | 698 mm | Pitchcircle diameter fixing holes inner ring |
| dB | 14 mm | Fixing bore |
| na | 36 | Number of fixing holes in outer ring |
| La | 785 mm | Pitchcircle diameter fixing holes outer ring |
| dBa | M12 | Tread fixing bore |
| Gl | 20 mm | Thread depth fixing hole |
| Fr zul | 148,700 N | Max. radial load fixing screws (friction locking) |
| d0 | 828 mm | Pitch circle diameter gearing |
| m | 6 mm | Modul of gearing |
| z | 138 | Number of teeth |
-0.158 mm | Profile shift | |
| Fz norm | 21,300 N | Max. tooth force root fatigue strenght (at a shock factor of 1,2) |
| Fz max | 31,500 N | Max. tooth force against tooth fracture (at a shock factor of 1,35) |
| Tmin | -25 °C | Operating temperature min. |
| Tmax | 80 °C | Operating temperature max. |
| Ca | 171,000 N | Basic dynamic load rating, axial |
| C0a | 1,200,000 N | Basic static load rating, axial |
| Cr | 155,000 N | Basic dynamic load rating, radial |
| C0r | 550,000 N | Basic static load rating, radial |
| Gearing | N | Normalized gear teeth on bearing ring |
| Radial internal clearance | RL1 | Radial clearance 0 to 0,1; axial tilting clearance 0 to 0,21 |