PRODUCTS

  • Home
  • Giới thiệu sản phẩm

FAG
16076-MA-C4
Deep groove ball bearing 16076-MA-C4
Thêm vào yêu cầu báo giá
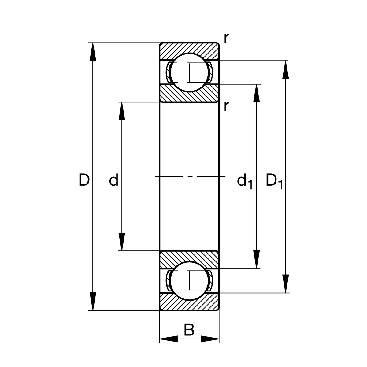
Main Dimensions & Performance Data
d
380 mm
Bore diameter
D
560 mm
Outside diameter
B
57 mm
Width
Cr
375,000 N
Basic dynamic load rating, radial
C0r
620,000 N
Basic static load rating, radial
Cur
16,600 N
Fatigue load limit, radial
nG
1,960 1/min
Limiting speed
nϑr
1,290 1/min
Reference speed
≈m
51.7 kg
Weight

Mounting dimensions
da min
394.6 mm
Minimum diameter shaft shoulder
Da max
545.4 mm
Maximum diameter of housing shoulder
ra max
3 mm
Maximum fillet radius

Dimensions
rmin
4 mm
Minimum chamfer dimension
D1
499.3 mm
Shoulder diameter outer ring
d1
443.45 mm
Shoulder diameter inner ring

Temperature range
Tmin
-30 °C
Operating temperature min.
Tmax
200 °C
Operating temperature max.

Calculation factors
f0
16.5
Calculation factor

Your current product variant
SealingWithoutNot sealed
CageMAsolid brass cage, outer ring guided
Tolerance classPNNormal (PN)
Dimensional / heat stabilization S1Rings dimensional stabilized up to 200°
LubricantWithoutBearing not greased
Bore typeZCylindrical
Radial internal clearanceC4 (Group 4)Internal clearance larger than C3
Thêm vào yêu cầu báo giá