PRODUCTS

  • Home
  • Giới thiệu sản phẩm

FAG
16100-A-2Z
Deep groove ball bearing 16100-A-2Z
Thêm vào yêu cầu báo giá
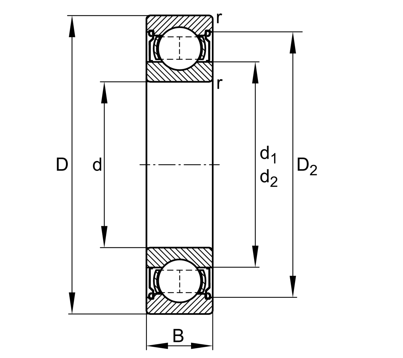
Main Dimensions & Performance Data
d
10 mm
Bore diameter
D
28 mm
Outside diameter
B
8 mm
Width
Cr
4,580 N
Basic dynamic load rating, radial
C0r
1,970 N
Basic static load rating, radial
Cur
145 N
Fatigue load limit, radial
nG
34,500 1/min
Limiting speed
nϑr
28,500 1/min
Reference speed
≈m
0.025 kg
Weight

Mounting dimensions
da min
12.4 mm
Minimum diameter shaft shoulder
Da max
25.6 mm
Maximum diameter of housing shoulder
ra max
0.3 mm
Maximum fillet radius

Dimensions
rmin
0.3 mm
Minimum chamfer dimension
D1
21.08 mm
Shoulder diameter outer ring
D2
22.7 mm
Caliber diameter outer ring
d1
14.65 mm
Shoulder diameter inner ring

Temperature range
Tmin
-20 °C
Operating temperature min.
Tmax
120 °C
Operating temperature max.

Calculation factors
f0
12.4
Calculation factor

Your current product variant
Changed internal designADesign variant A
Sealing2ZNon-contact shield on both sides
CageJNsteel sheet metal
Tolerance classPNNormal (PN)
Dimensional / heat stabilization SNRings dimensional stabilized up to 120°
LubricantGA14Ball bearing grease, low noise, standard for D<=62mm
Bore typeZCylindrical
Radial internal clearanceCN (Group N)Normal internal clearance
Thêm vào yêu cầu báo giá