PRODUCTS

  • Home
  • Giới thiệu sản phẩm

INA
DRS3590
Seal carrier Assy DRS3590
Thêm vào yêu cầu báo giá
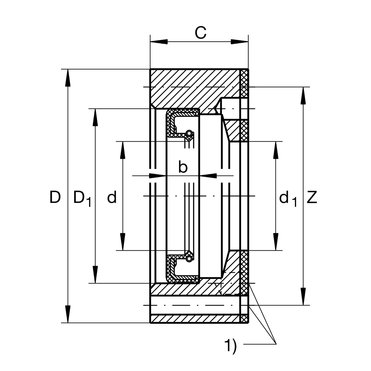
Main Dimensions & Performance Data
d1
60 mm
Inner diameter centering
D
90 mm
Outside diameter
C
19 mm
Width wave carrier
≈m
0.368 kg
Weight

Dimensions
Z
80 mm
Pitch circle diameter (holes)
d
60 mm
Inner diameter centering seal lip
D1
72 mm
Outside diameter seal
b
8 mm
Width seal
M4X25
Screw size
1)
4
Number of screws

Additional information
ZARF3590(-L)-TV
Bearing designation
Thêm vào yêu cầu báo giá