PRODUCTS

  • Home
  • Giới thiệu sản phẩm

INA
DRS2080
Seal carrier Assy DRS2080
Thêm vào yêu cầu báo giá
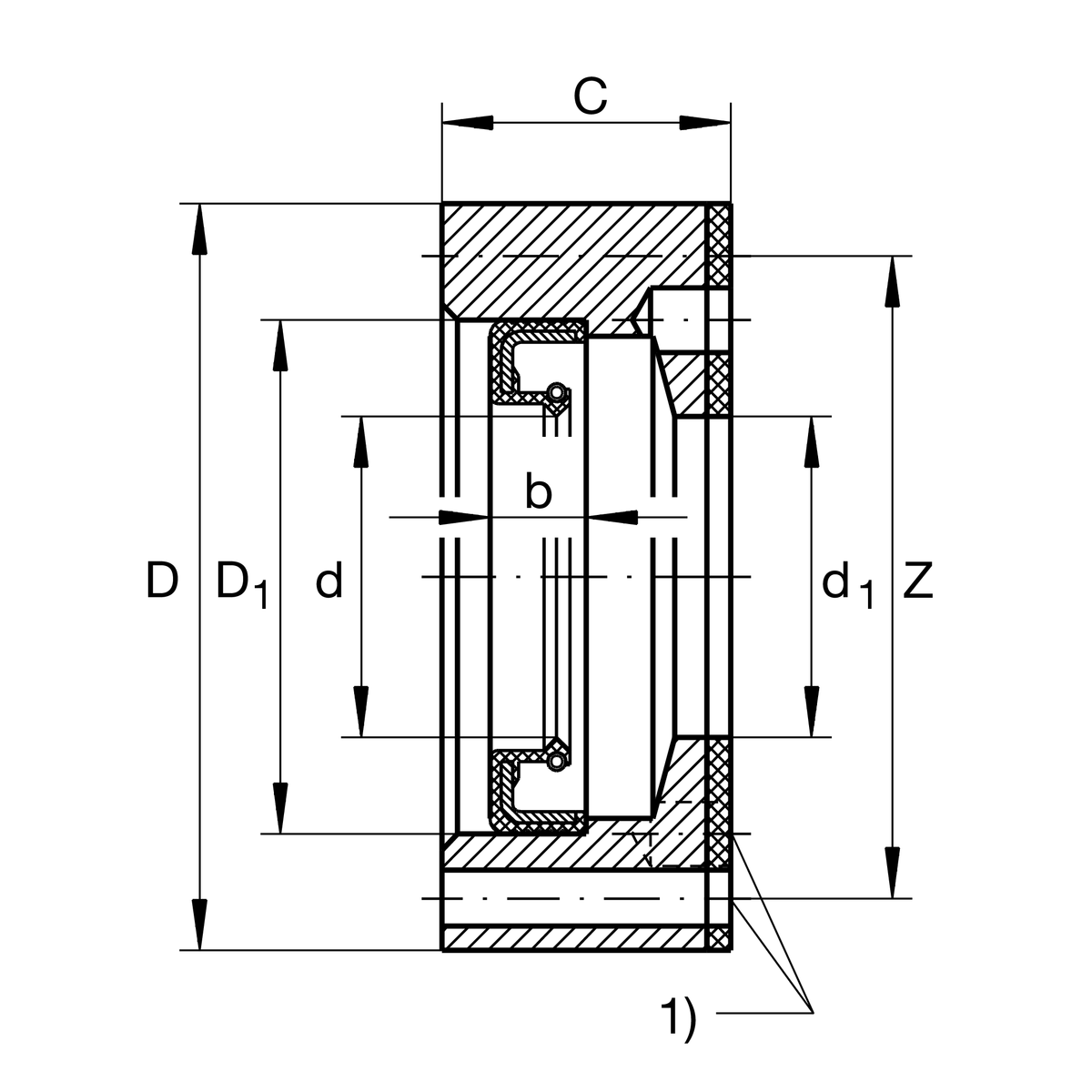
Main Dimensions & Performance Data
d1
52 mm
Inner diameter centering
D
80 mm
Outside diameter
C
22 mm
Width wave carrier
≈m
0.3 kg
Weight

Dimensions
Z
73.4 mm
Pitch circle diameter (holes)
d
52 mm
Inner diameter centering seal lip
D1
68 mm
Outside diameter seal
b
8 mm
Width seal
M3X30
Screw size
1)
4
Number of screws

Additional information
ZARF2080(-L)-TV
Bearing designation
Thêm vào yêu cầu báo giá