PRODUCTS

  • Home
  • Giới thiệu sản phẩm

INA
XSU080318-RR
Slewing ring, Crossed roller bearing, without gear teeth XSU080318-RR
Thêm vào yêu cầu báo giá
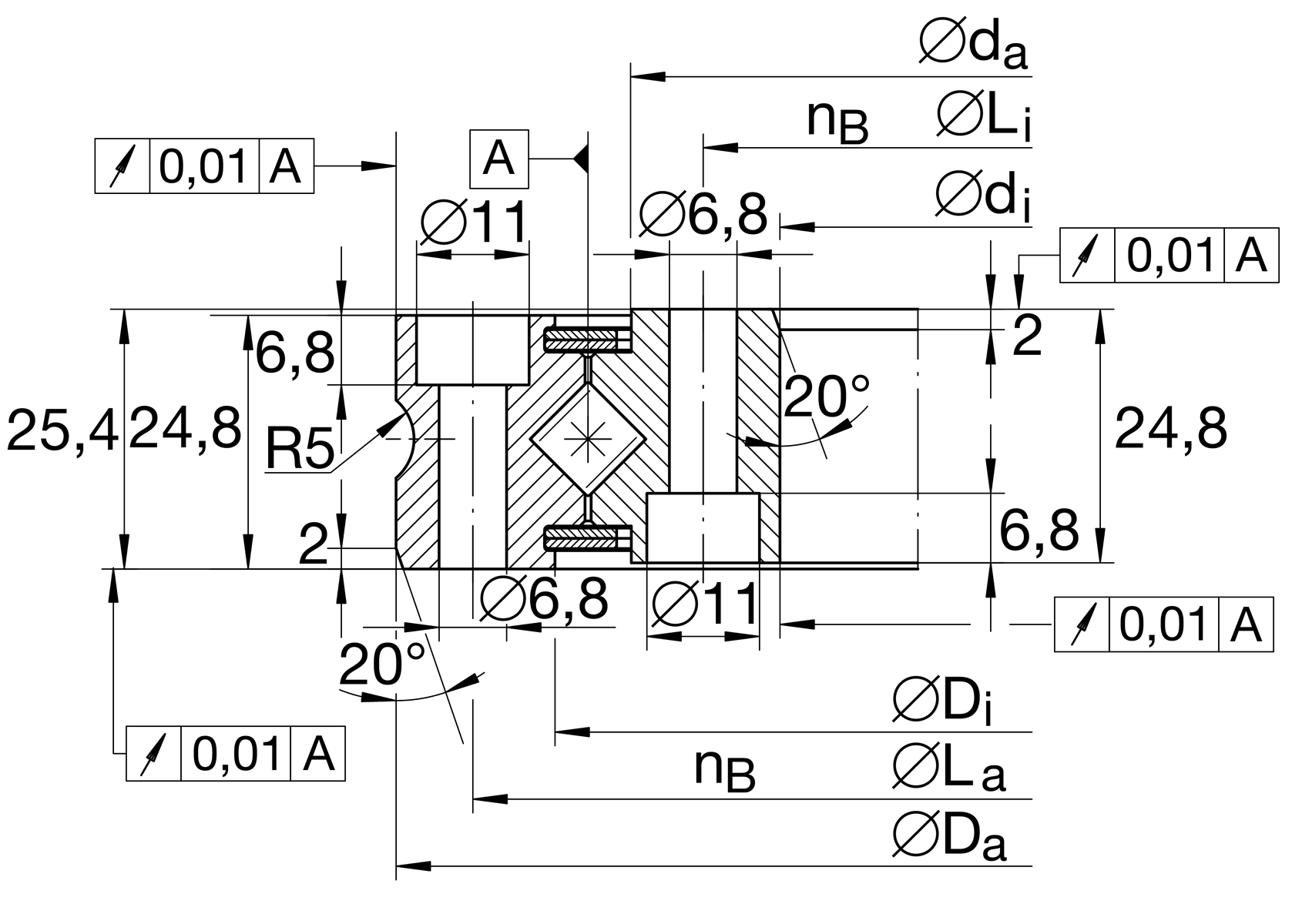
Main Dimensions & Performance Data
di
280 mm
Bore Diameter
0.032 mm
Bore diameter upper tolerance
0 mm
Bore diameter lower tolerance
Da
355 mm
Outside Diameter
0 mm
Outside diameter upper tolerance
-0.036 mm
Outside diameter lower tolerance
H
25.4 mm
Height
≈m
6.1 kg
Weight

Dimensions
Di
324 mm
Inner diameter outer ring
ha
24.8 mm
height outer ring
La
340 mm
Pitchcircle diameter fixing holes outer ring
na
28
Number of fixing holes in outer ring
da
309 mm
Outside diameter inner ring
hi
24.8 mm
height of inner ring
dB
6.8 mm
Fixing bore
dS
11 mm
Counterbore diameter of fixing holes
tS
6.8 mm
Counterbore depth of fixing holes
Li
295 mm
Pitchcircle diameter fixing holes inner ring
ni
28
Number of fixing holes in inner ring
rgroove
5 mm
Groove radius
0.01 mm
Running accuracy A (related to the raceway)

Temperature range
Tmin
-30 °C
Operating temperature min.
Tmax
80 °C
Operating temperature max.

Calculation factors
Ca
93,000 N
Basic dynamic load rating, axial
Cr
66,000 N
Basic dynamic load rating, radial (for radial load only)
C0a
465,000 N
Basic static load rating, axial
C0r
227,000 N
Basic static load rating, radial (for radial load only)
nG
120 1/min
Limiting speed
Fr zu.
19,100 N
Max. radial load screws

Your current product variant
CoatingRRProtected against corrosion by Corrotect special coating
Thêm vào yêu cầu báo giá