PRODUCTS

  • Home
  • Giới thiệu sản phẩm

FAG
SAFD513X0203U
Plummer block housings, split, SAF SAFD513X0203U
Thêm vào yêu cầu báo giá
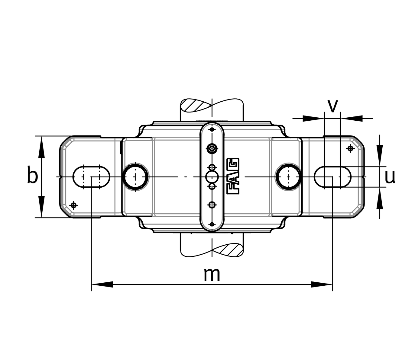
Main Dimensions & Performance Data
d1
55.563 mm
Shaft diameter inch
d1
55.5625 mm
Shaft diameter
a
279.4 mm
Length foot
h1
150.813 mm
Total height
g
107.95 mm
Width housing body
≈m
8.6 kg
Weight

Dimensions
b
79.375 mm
Width foot
c
25.4 mm
Height foot
D
120 mm
Outside diameter bearing
e
3.81 mm
Offset Bearing centre
h
76.2 mm
Distance shaft axis
k
39 mm
Width bearing seat
m
223.837 mm
Distance mounting holes
s
15.875 mm
screw size
v
19.05 mm
Width oblong hole
v
17.462 mm
Length oblong hole
Thêm vào yêu cầu báo giá