PRODUCTS

  • Home
  • Giới thiệu sản phẩm

FAG
UCFA208-25
Take-up housing unit UCFA208-25
Thêm vào yêu cầu báo giá
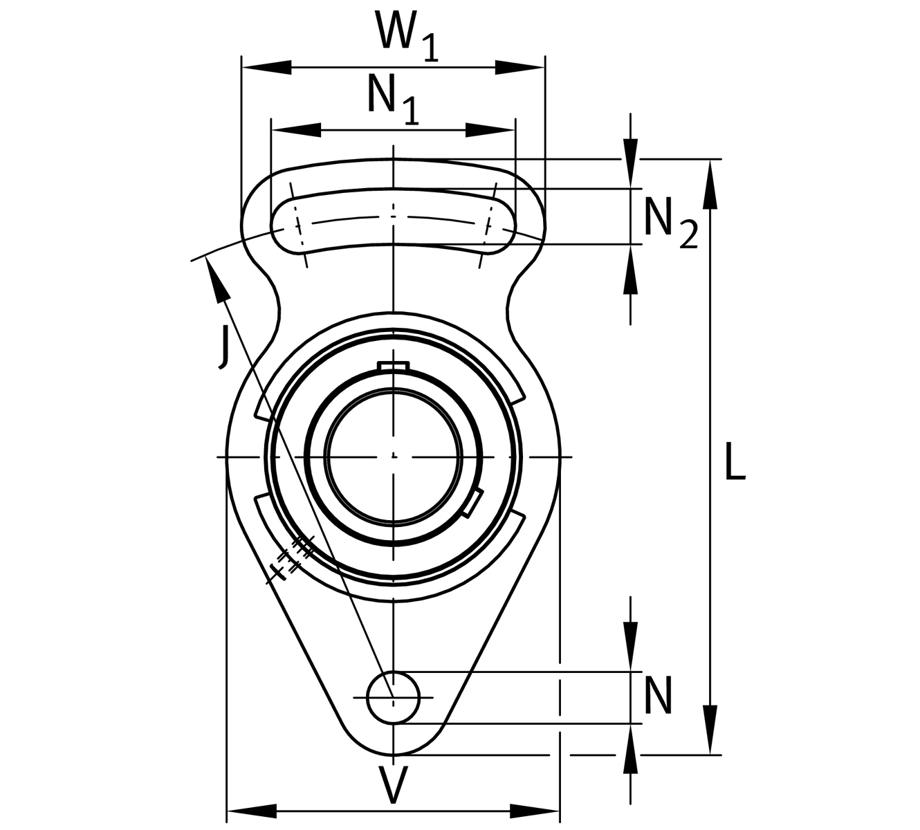
Main Dimensions & Performance Data
d
39.69 mm
Bore diameter
L
175 mm
Length total
U
51.2 mm
Total height unit
≈m
1.54 kg
Weight

Mounting dimensions
N
14 mm
Fixing bore
N1
71 mm
Length (slot)
N2
14 mm
Width (slot)
J
144 mm
Distance fixing bore

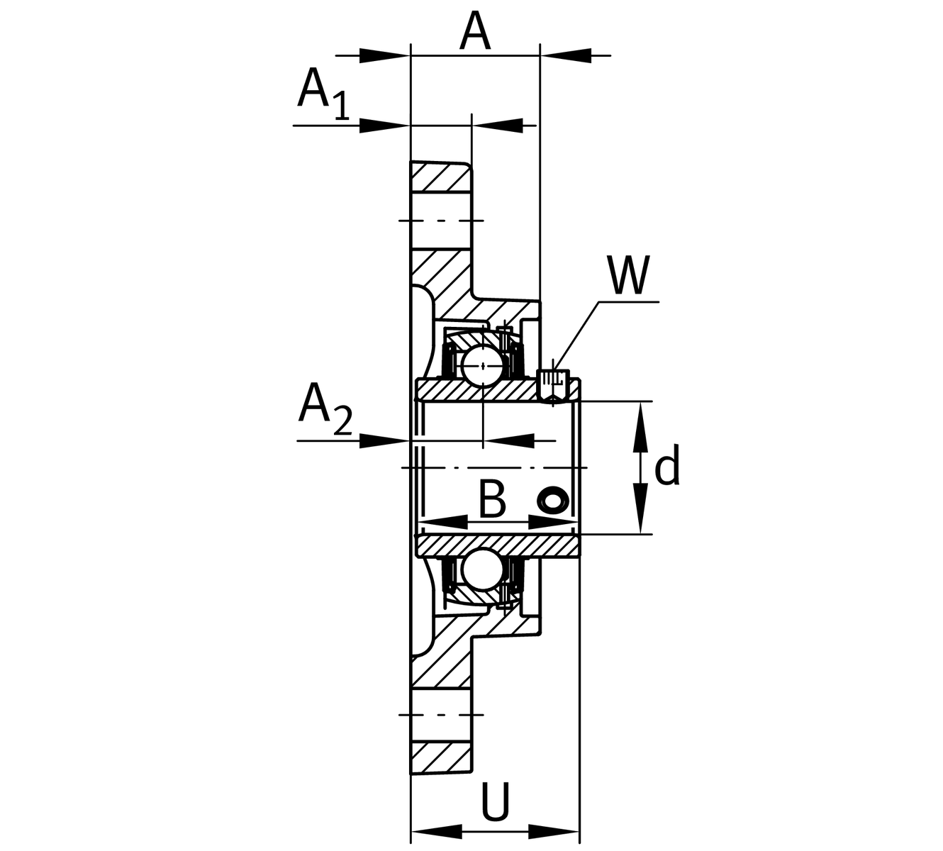
Dimensions
A1
16 mm
Thickness of flange
A2
21 mm
Distance raceway
A
36 mm
Height housing
V
100 mm
Shoulder diameter housing
W
87 mm
Width housing slot side
Q
M6
Connection thread for lubrication

Additional information
FA208
Housing
UC208-25
Bearing designation

Temperature range
Tmin
-20 °C
Operating temperature min.
Tmax
120 °C
Operating temperature max.

Your current product variant
MaterialGGGrey cast iron
Thêm vào yêu cầu báo giá