PRODUCTS
- Home
- Giới thiệu sản phẩm
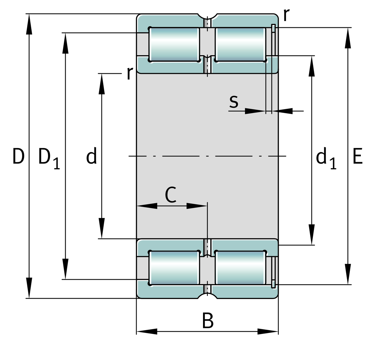
| d | 150 mm | Bore diameter |
| D | 225 mm | Outside diameter |
| B | 100 mm | Width |
| Cr | 810,000 N | Basic dynamic load rating, radial |
| C0r | 1,390,000 N | Basic static load rating, radial |
| Cur | 186,000 N | Fatigue load limit, radial |
| nG | 1,740 1/min | Limiting speed |
| nϑr | 1,150 1/min | Reference speed |
| ≈m | 12.832 kg | Weight |
| dc min | 170 mm | Minimum shaft shoulder |
| da min | 170 mm | Minimum diameter shaft shoulder |
| Da max | 198 mm | Maximum diameter of housing shoulder |
| ra max | 2 mm | Maximum recess radius |
| ra1 max | 2 mm | Maximum recess radius |
| De min | 198 mm | Minimum diameter of housing shoulder |
| rmin | 2 mm | Minimum chamfer dimension |
| r1 min | 2 mm | Minimum chamfer dimension |
| s | 6 mm | Axial displacement |
| C | 50 mm | Distance to lubrication hole |
| d1 | 170 mm | Maximum rib diameter inner ring |
| D1 min | 198 mm | Minimum rib diameter outer ring |
| E | 207.5 mm | Raceway diameter outer ring |
| Tmin | -30 °C | Operating temperature min. |
| Tmax | 120 °C | Operating temperature max. |
| Design | A | Internal Variant A |
| Radial internal clearance | CN (Group N) | Normal internal clearance |
| Tolerance class | PN | Normal (PN) |
| Number of rolling element rows | 2 | Double-row design |