PRODUCTS

  • Home
  • Giới thiệu sản phẩm

INA
SL185030-A-BR
Cylindrical roller bearing SL185030-A-BR
Thêm vào yêu cầu báo giá
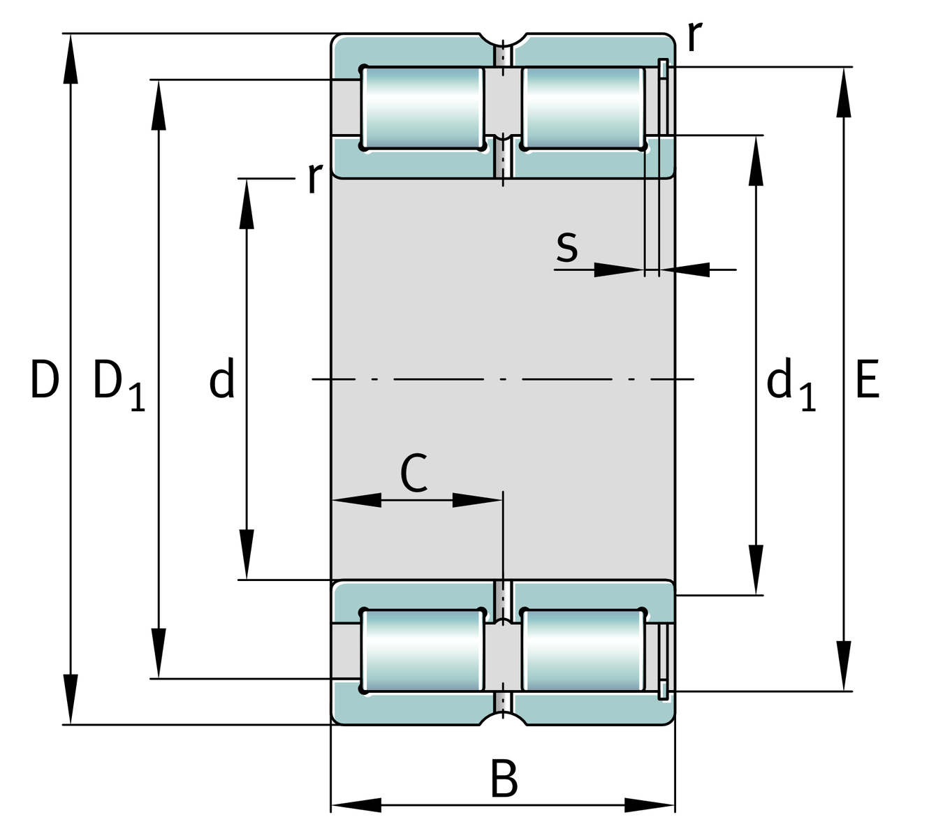
Main Dimensions & Performance Data
d
150 mm
Bore diameter
D
225 mm
Outside diameter
B
100 mm
Width
Cr
810,000 N
Basic dynamic load rating, radial
C0r
1,390,000 N
Basic static load rating, radial
Cur
186,000 N
Fatigue load limit, radial
nG
1,740 1/min
Limiting speed
nϑr
1,150 1/min
Reference speed
≈m
12.828 kg
Weight

Mounting dimensions
dc min
170 mm
Minimum shaft shoulder
da min
170 mm
Minimum diameter shaft shoulder
Da max
198 mm
Maximum diameter of housing shoulder
ra max
2 mm
Maximum recess radius
ra1 max
2 mm
Maximum recess radius
De min
198 mm
Minimum diameter of housing shoulder

Dimensions
rmin
2 mm
Minimum chamfer dimension
r1 min
2 mm
Minimum chamfer dimension
s
6 mm
Axial displacement
C
50 mm
Distance to lubrication hole
d1
170 mm
Maximum rib diameter inner ring
D1 min
198 mm
Minimum rib diameter outer ring
E
207.5 mm
Raceway diameter outer ring

Temperature range
Tmin
-30 °C
Operating temperature min.
Tmax
120 °C
Operating temperature max.

Your current product variant
DesignAInternal Variant A
Radial internal clearanceCN (Group N)Normal internal clearance
Tolerance classPNNormal (PN)
Number of rolling element rows2Double-row design
Thêm vào yêu cầu báo giá