PRODUCTS

  • Home
  • Giới thiệu sản phẩm

INA
GAY100-NPP-B-AS2/V
Radial insert ball bearing GAY100-NPP-B-AS2/V
Thêm vào yêu cầu báo giá
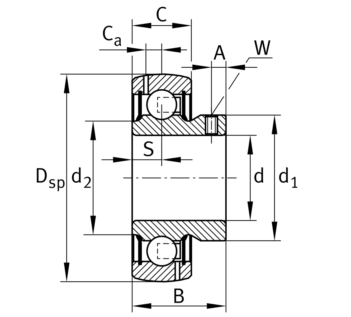
Main Dimensions & Performance Data
d
25.4 mm
Bore diameter
d
25.4 mm
Bore diameter, inch
DSP
52 mm
Outside diameter
B
27 mm
Width
Cur
355 N
Fatigue load limit, radial
Cr
14,000 N
Basic dynamic load rating, radial
C0r
7,800 N
Basic static load rating, radial
≈m
0.151 kg
Weight

Dimensions
C
15 mm
Width, outer ring
S
7.5 mm
Distance raceway
d1
33.6 mm
Rib diameter inner ring
d2
30.4 mm
Rib diameter sealing inner ring
Ca
3.9 mm
Distance to lubrication hole
A
5 mm
Distance thread

Calculation factors
f0
13.8
Calculation factor

Your current product variant
SealingNPPLip seal on both sides
Shape of outer surfaceB
Lubrication hole transposedAS2/VAS2/V
Thêm vào yêu cầu báo giá