PRODUCTS

  • Home
  • Giới thiệu sản phẩm

INA
GAY010-NPP-B-AS2/V
Radial insert ball bearing GAY010-NPP-B-AS2/V
Thêm vào yêu cầu báo giá
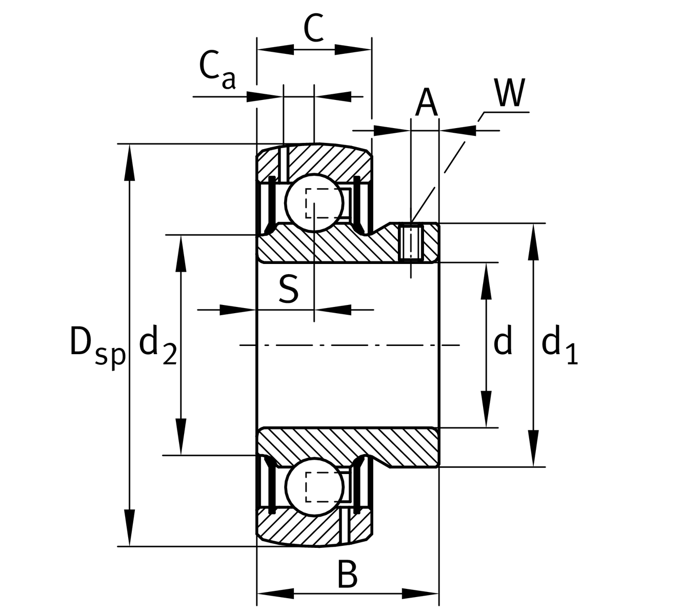
Main Dimensions & Performance Data
d
15.875 mm
Bore diameter
d
15.875 mm
Bore diameter, inch
DSP
40 mm
Outside diameter
B
22 mm
Width
Cur
219 N
Fatigue load limit, radial
Cr
9,800 N
Basic dynamic load rating, radial
C0r
4,750 N
Basic static load rating, radial
≈m
84.947 g
Weight

Dimensions
C
12 mm
Width, outer ring
S
6 mm
Distance raceway
d1
23 mm
Rib diameter inner ring
d2
23 mm
Rib diameter sealing inner ring
Ca
3.4 mm
Distance to lubrication hole
A
4 mm
Distance thread

Calculation factors
f0
13
Calculation factor

Your current product variant
SealingNPPLip seal on both sides
Shape of outer surfaceB
Lubrication hole transposedAS2/VAS2/V
Thêm vào yêu cầu báo giá