PRODUCTS
- Home
- Giới thiệu sản phẩm
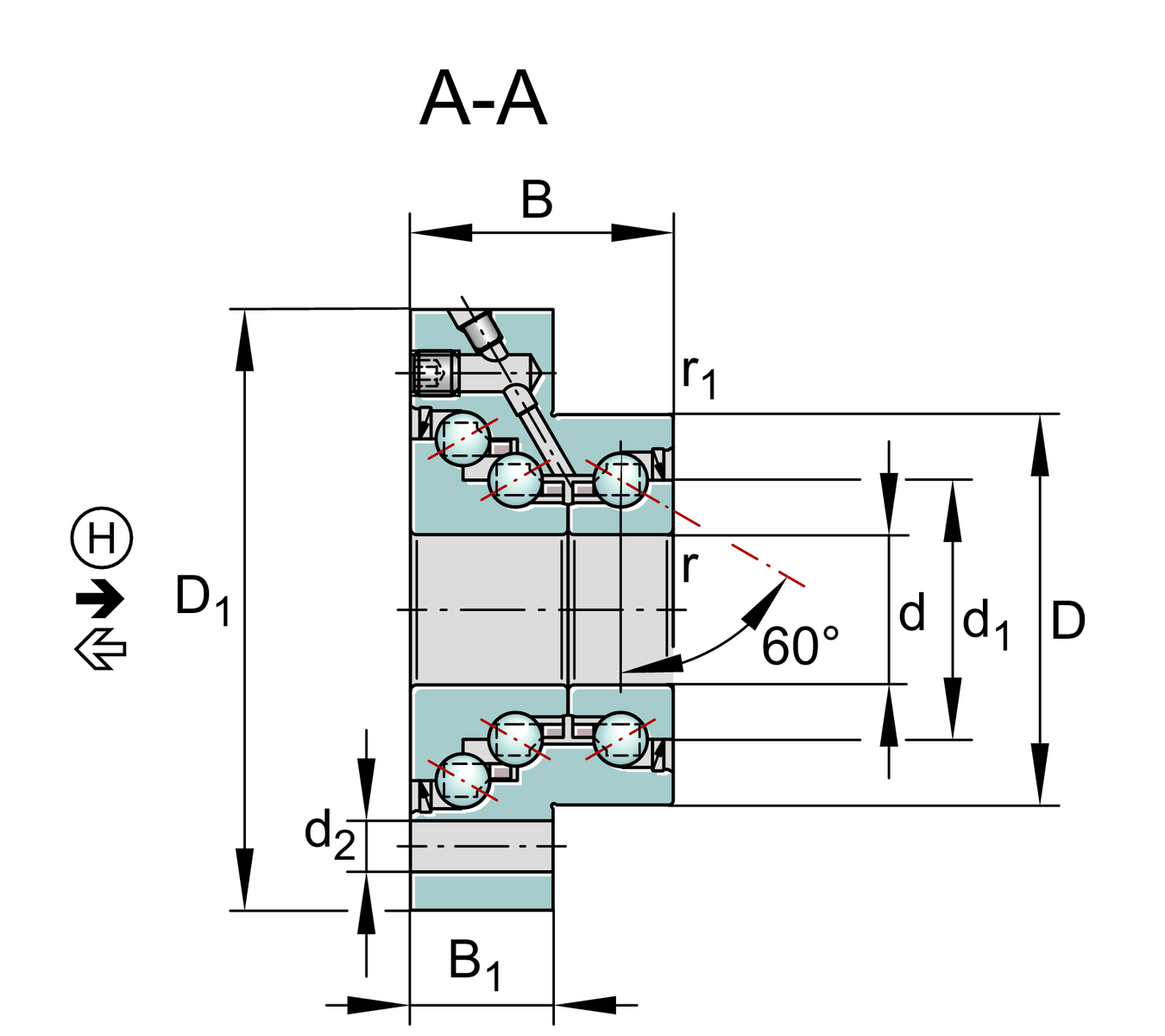
| d | 20 mm | Bore diameter |
0 mm | Bore diameter upper tolerance | |
-0.01 mm | Bore diameter lower tolerance | |
| D | 52 mm | Outside diameter |
0 mm | Outside diameter upper tolerance | |
-0.013 mm | Outside diameter lower tolerance | |
| B | 35 mm | Width |
0 mm | Width upper tolerance | |
-0.25 mm | Width lower tolerance | |
| Ca | 44,500 N | Basic dynamic load rating, axial HL |
| Ca | 26,000 N | Basic dynamic load rating, axial |
| C0a | 110,000 N | Basic static load rating, axial HL |
| C0a | 47,000 N | Basic static load rating, axial |
| Cua | 2,800 N | Fatigue load limit, axial HL |
| Cua | 2,070 N | Fatigue load limit, axial |
| nG Grease | 5,000 1/min | Limiting speed for grease lubrication |
| nϑ | 2,200 1/min | Thermally permissible speed |
| ≈m | 0.683 kg | Weight |
| da min | 25 mm | Minimum diameter shaft shoulder |
| da max | 43 mm | Maximum diameter of shaft shoulder |
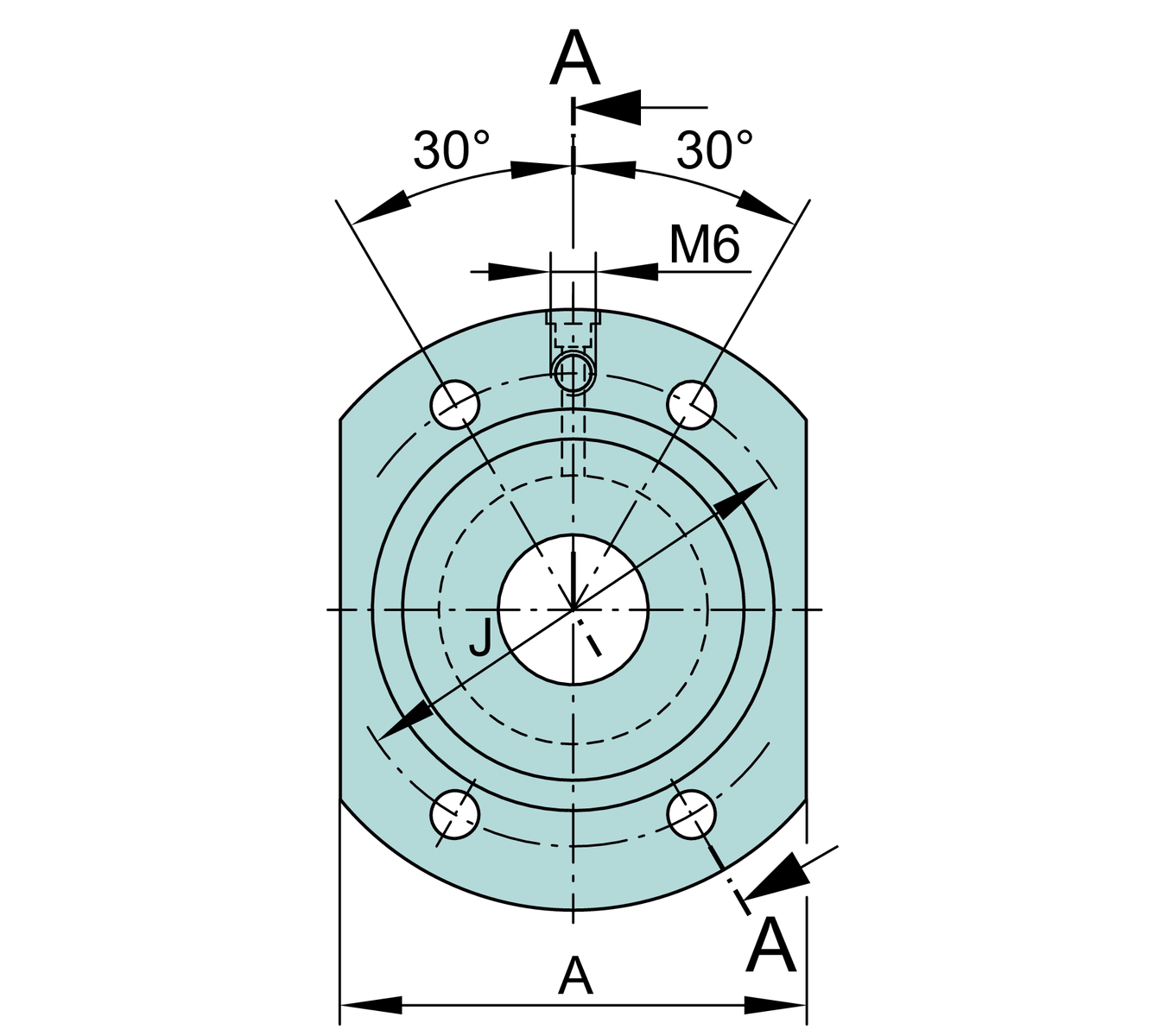
M6 | Fixing scresw DIN EN ISO 4762 10.9 (not included) | |
| n | 4 | Number of screws |
| d1 | 34.5 mm | Rib diameter inner ring |
| D1 | 80 mm | Flange diameter |
| rmin | 0.3 mm | Minimum chamfer dimension |
| r1 min | 0.6 mm | Minimum chamfer dimension 1 |
| B1 | 19 mm | Thickness of flange |
| d2 | 6.8 mm | Fixing boring diameter |
| J | 63 mm | Pitch circle diameter (holes) |
| A | 62 mm | Flange width |
| Tmin | -30 °C | Operating temperature min. |
| Tmax | 120 °C | Operating temperature max. |
| MRL | 0.45 Nm | Bearing friction torque |
| caL | 750 N/µm | Rigidity axial |
| caL | 1,100 N/µm | Rigidity axial (HL) |
| ckL | 260 Nm/mrad | Tilting stiffness |
5 µm | Axial runout | |
| Mm | 0.553 kg*cm2 | Mass moment of inertia |
ZMA20/38 | recommended INA precision locknut for radial locking 1,2 | |
| (3) r | ZM25 | recommended INA precision locknut for radial locking 3 |
| (1), (2) r | AM20 | recommended INA precision locknut for axial locking 1,2 |
| MA | 18 Nm | Tightening torque nut |
| (1), (2) a | 8,580 N | required locknut force axial 1 |
| Sealing | 2RS | Contact lip seals on both sides |