PRODUCTS
- Home
- Giới thiệu sản phẩm
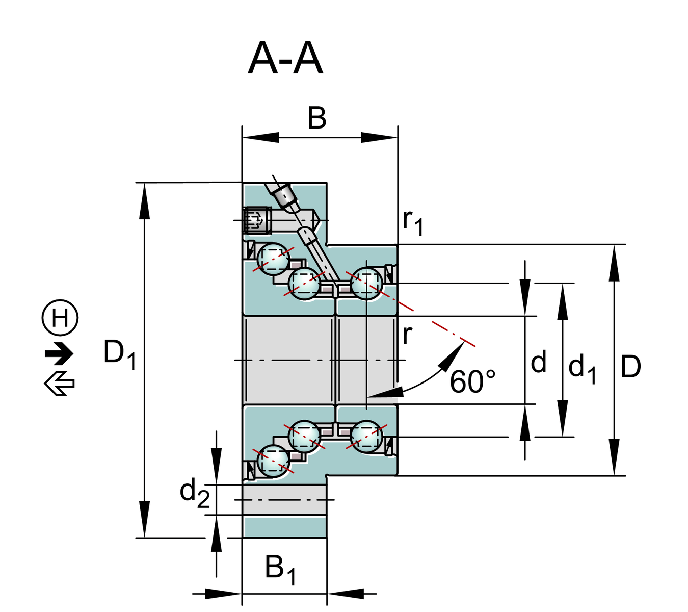
| d | 15 mm | Bore diameter |
0 mm | Bore diameter upper tolerance | |
-0.01 mm | Bore diameter lower tolerance | |
| D | 45 mm | Outside diameter |
0 mm | Outside diameter upper tolerance | |
-0.013 mm | Outside diameter lower tolerance | |
| B | 32 mm | Width |
0 mm | Width upper tolerance | |
-0.25 mm | Width lower tolerance | |
| Ca | 37,000 N | Basic dynamic load rating, axial HL |
| Ca | 17,900 N | Basic dynamic load rating, axial |
| C0a | 83,000 N | Basic static load rating, axial HL |
| C0a | 28,000 N | Basic static load rating, axial |
| Cua | 2,450 N | Fatigue load limit, axial HL |
| Cua | 1,240 N | Fatigue load limit, axial |
| nG Grease | 5,700 1/min | Limiting speed for grease lubrication |
| nϑ | 2,600 1/min | Thermally permissible speed |
| ≈m | 0.53 kg | Weight |
| da min | 20 mm | Minimum diameter shaft shoulder |
| da max | 35 mm | Maximum diameter of shaft shoulder |
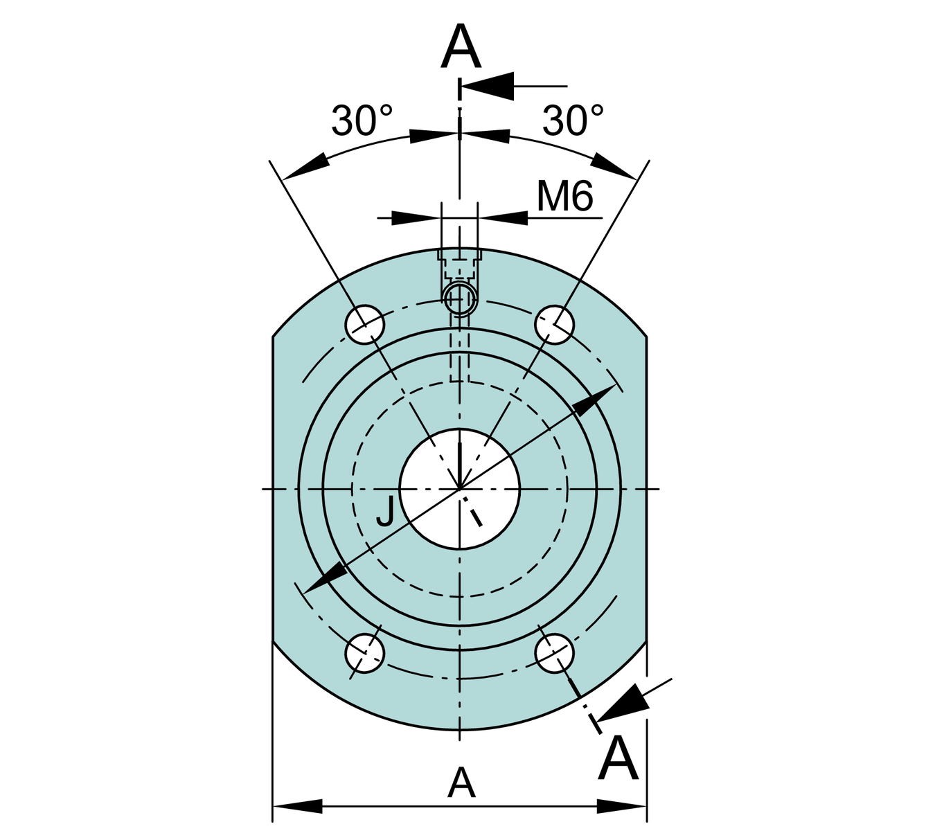
M6 | Fixing scresw DIN EN ISO 4762 10.9 (not included) | |
| n | 4 | Number of screws |
| d1 | 28 mm | Rib diameter inner ring |
| D1 | 75 mm | Flange diameter |
| rmin | 0.3 mm | Minimum chamfer dimension |
| r1 min | 0.6 mm | Minimum chamfer dimension 1 |
| B1 | 18 mm | Thickness of flange |
| d2 | 6.8 mm | Fixing boring diameter |
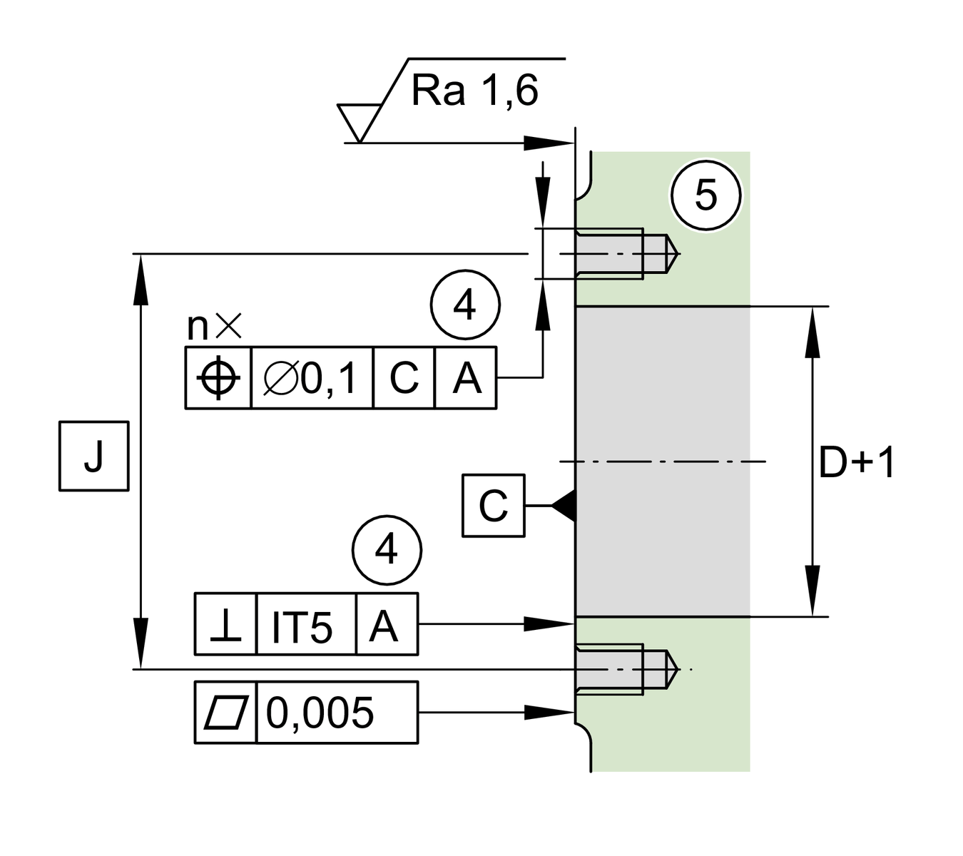
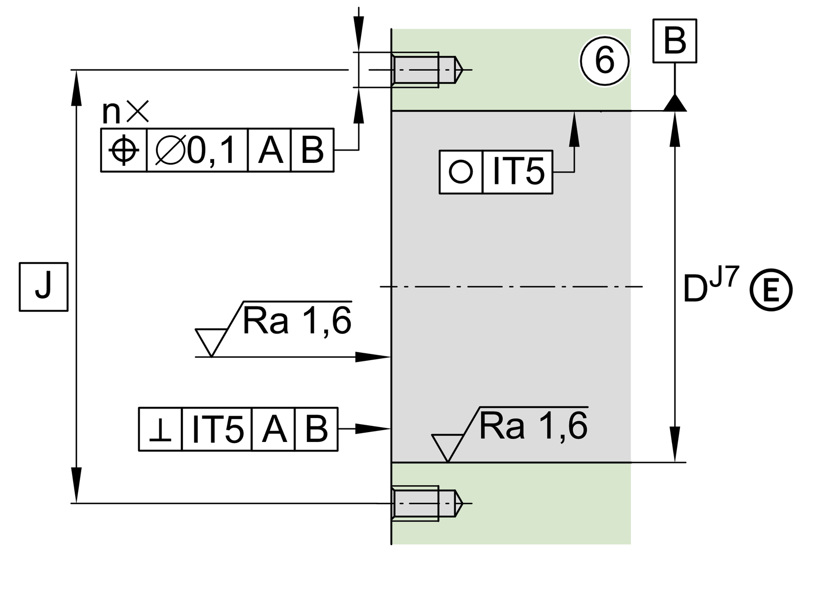
| J | 58 mm | Pitch circle diameter (holes) |
| A | 55 mm | Flange width |
| Tmin | -30 °C | Operating temperature min. |
| Tmax | 120 °C | Operating temperature max. |
| MRL | 0.35 Nm | Bearing friction torque |
| caL | 500 N/µm | Rigidity axial |
| caL | 950 N/µm | Rigidity axial (HL) |
| ckL | 140 Nm/mrad | Tilting stiffness |
5 µm | Axial runout | |
| Mm | 0.278 kg*cm2 | Mass moment of inertia |
ZMA15/33 | recommended INA precision locknut for radial locking 1,2 | |
| (3) r | ZM17 | recommended INA precision locknut for radial locking 3 |
| (1), (2) r | AM15 | recommended INA precision locknut for axial locking 1,2 |
| MA | 10 Nm | Tightening torque nut |
| (1), (2) a | 6,270 N | required locknut force axial 1 |
| Sealing | 2RS | Contact lip seals on both sides |