PRODUCTS

  • Home
  • Giới thiệu sản phẩm

FAG
UKFC218
Flanged housing unit UKFC218
Thêm vào yêu cầu báo giá
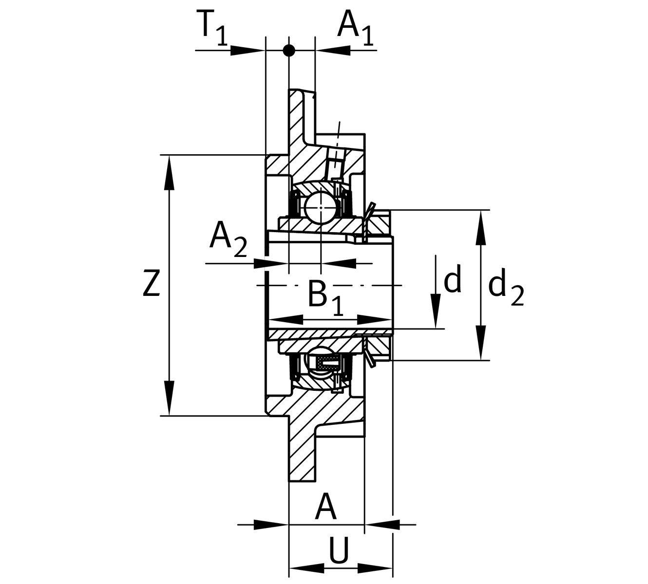
Main Dimensions & Performance Data
d
80 mm
Bore diameter
H
265 mm
Height flange
U
65.7 mm
Total height unit
Cr
102,000 N
Basic dynamic load rating, radial
C0r
72,000 N
Basic static load rating, radial
Cur
3,350 N
Fatigue load limit, radial
≈m
12.76 kg
Weight

Mounting dimensions
J
220 mm
Pitch circle diameter (holes)
N
23 mm
Fixing bore
N1
155.55 mm
Distance fixing bore
T1
18 mm
Height spigot
Z
190 mm
Diameter spigot
h8
Diameter spigot clearance
n
4
Number of screwing holes

Dimensions
A
50 mm
Height housing
A1
20 mm
Thickness of flange
A2
22 mm
Distance raceway
B
51 mm
Width
B1
86 mm
Locking collar total width
d3
120 mm
Outside diameter eccentric locking collar

Additional information
1
Number of housings
FC218
Housing
UK218
Bearing designation

Temperature range
Tmin
-20 °C
Operating temperature min.
Tmax
120 °C
Operating temperature max.

Your current product variant
MaterialGGGrey cast iron
Thêm vào yêu cầu báo giá