PRODUCTS

  • Home
  • Giới thiệu sản phẩm

INA
DRS55145
Seal carrier Assy DRS55145
Thêm vào yêu cầu báo giá
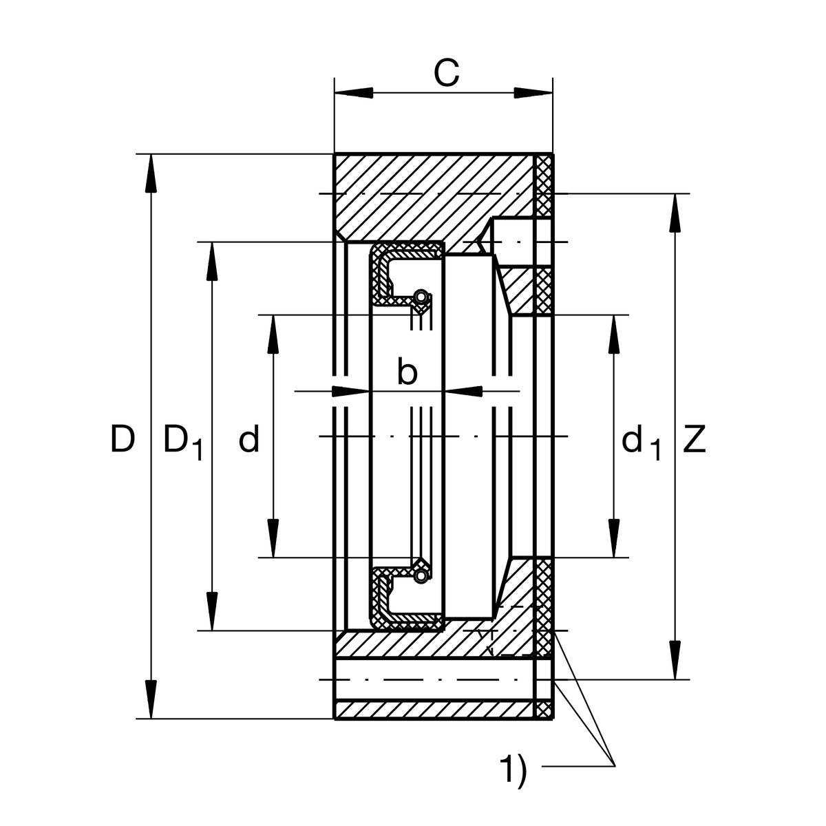
Main Dimensions & Performance Data
d1
100 mm
Inner diameter centering
D
145 mm
Outside diameter
C
30 mm
Width wave carrier
≈m
1.345 kg
Weight

Dimensions
Z
132.5 mm
Pitch circle diameter (holes)
d
100 mm
Inner diameter centering seal lip
D1
120 mm
Outside diameter seal
b
12 mm
Width seal
M5X40
Screw size
1)
4
Number of screws

Additional information
ZARF55145(-L)-TV
Bearing designation
Thêm vào yêu cầu báo giá