PRODUCTS
- Home
- Giới thiệu sản phẩm
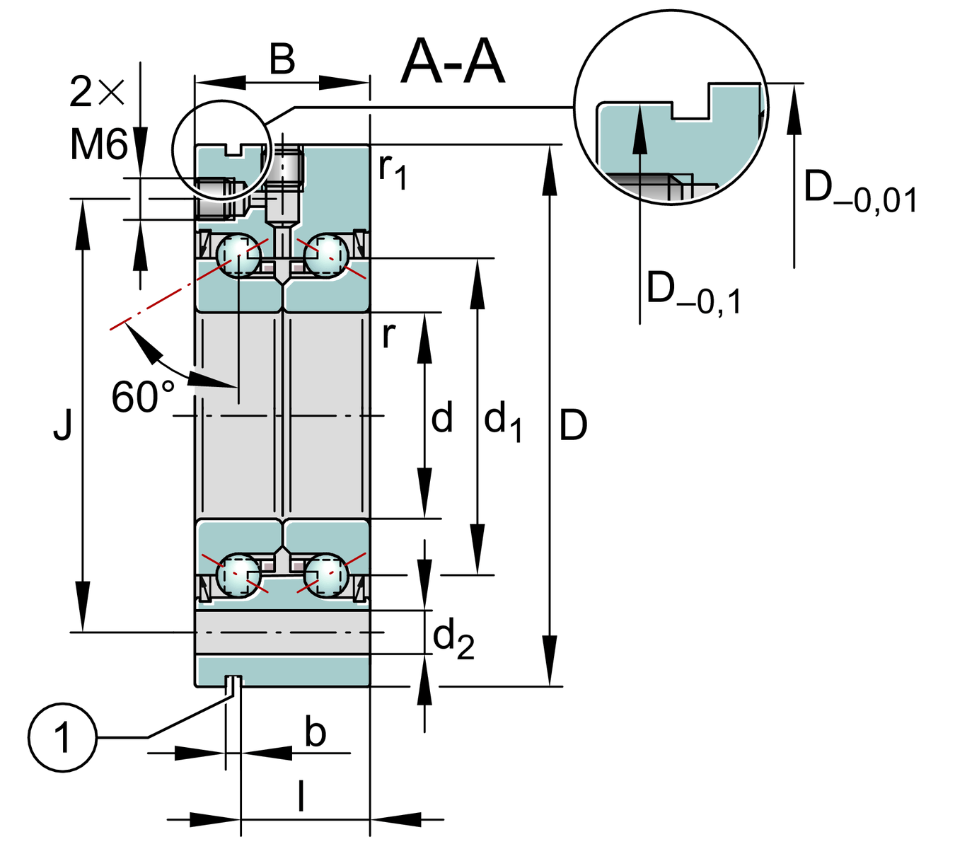
| d | 60 mm | Bore diameter |
0 mm | Bore diameter upper tolerance | |
-0.008 mm | Bore diameter lower tolerance | |
| D | 145 mm | Outside diameter |
0 mm | Outside diameter upper tolerance | |
-0.015 mm | Outside diameter lower tolerance | |
| B | 45 mm | Width |
0 mm | Width upper tolerance | |
-0.25 mm | Width lower tolerance | |
| Ca | 93,000 N | Basic dynamic load rating, axial |
| C0a | 214,000 N | Basic static load rating, axial |
| Cua | 13,000 N | Fatigue load limit, axial |
| nG Grease | 4,000 1/min | Limiting speed for grease lubrication |
| nϑ | 3,000 1/min | Thermally safe operating speed |
| MR | 1 Nm | Bearing frictional torque |
| ≈m | 4.294 kg | Weight |
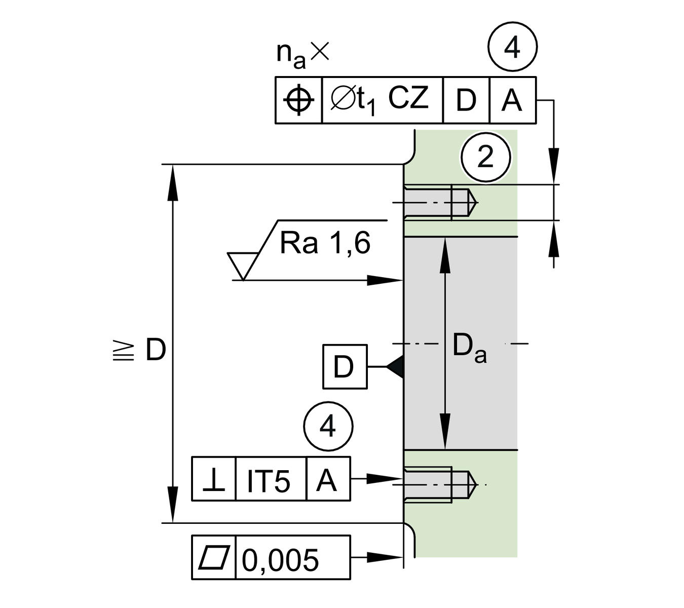
| Da max | 100 mm | Maximum diameter of housing |
| da min | 82 mm | Minimum diameter shaft |
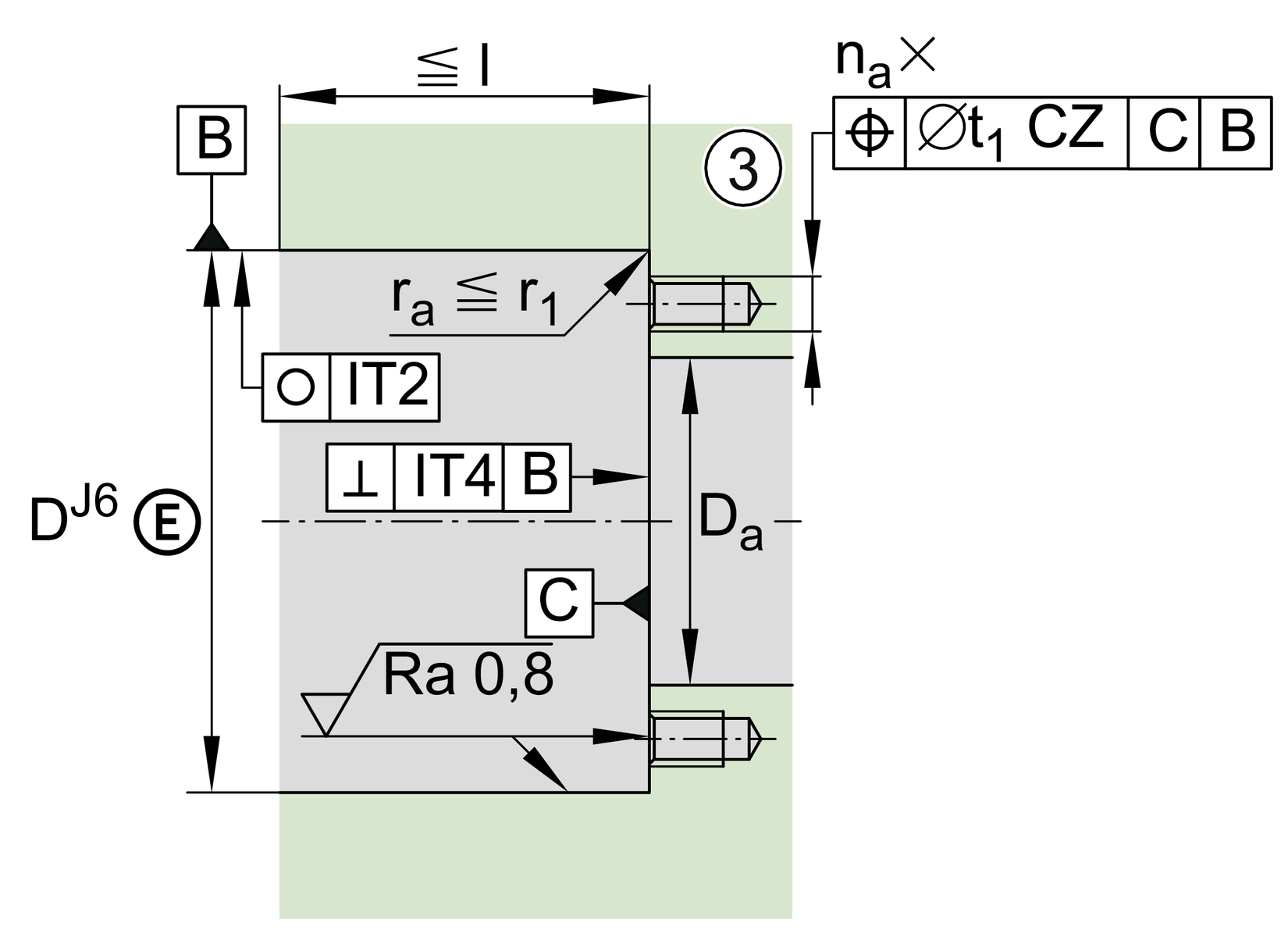
| t1 | 0.2 mm | Position tolerance of bore in the housing |
M8 | Size of fixing screws | |
| na | 8 | Number of holes in adjacent construction |
| ta | 45 ° | Pitch separation angle of holes in adjacent construction |
M6 | Connection thread for lubrication |
| d1 | 85 mm | Rib diameter inner ring |
| rmin | 0.6 mm | Minimum chamfer dimension |
| r1 min | 0.6 mm | Minimum chamfer dimension |
| J | 120 mm | Pitch circle diameter fixing holes |
| d2 | 8.8 mm | Fixing holes diameter |
| b | 3 mm | Width of extraction slot |
| I | 35 mm | Distance of extraction slot |
| n | 8 | Pitch quantity of fixing holes |
| t | 45 ° | Pitch separation angle of fixing holes |
| a | 60 ° | Contact angle |
| Tmin | -30 °C | Operating temperature min. |
| Tmax | 120 °C | Operating temperature max. |
| caL | 1,300 N/µm | Rigidity axial |
| ckL | 1,650 Nm/mrad | Tilting rigidity |
| Mm | 13.7 kg*cm2 | Mass moment of inertia |
3 µm | Axial runout | |
ZMA60/98 | Recommended INA precision locknut for radial locking | |
AM60 | Recommended INA precision locknut for axial locking | |
| MA | 100 Nm | Tightening torque for the recommended INA precision locknut |
16,700 N | Required locknut force axial |
| Sealing | 2Z | Minimal gap seals on both sides |
| Tolerance class | Standard |