PRODUCTS

  • Home
  • Giới thiệu sản phẩm

INA
DRS40115
Seal carrier Assy DRS40115
Thêm vào yêu cầu báo giá
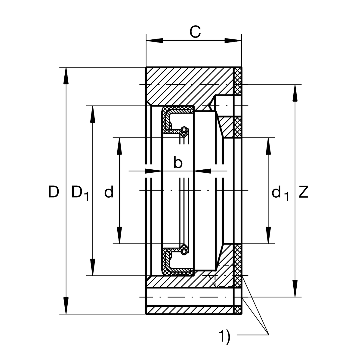
Main Dimensions & Performance Data
d1
78 mm
Inner diameter centering
D
115 mm
Outside diameter
C
27.5 mm
Width wave carrier
≈m
0.69 kg
Weight

Dimensions
Z
106 mm
Pitch circle diameter (holes)
d
78 mm
Inner diameter centering seal lip
D1
100 mm
Outside diameter seal
b
10 mm
Width seal
M3X35
Screw size
1)
4
Number of screws

Additional information
ZARF40115(-L)-TV
Bearing designation
Thêm vào yêu cầu báo giá