PRODUCTS

  • Home
  • Giới thiệu sản phẩm

INA
UZ12553
Guideways with three raceways UZ.. UZ12553
Thêm vào yêu cầu báo giá
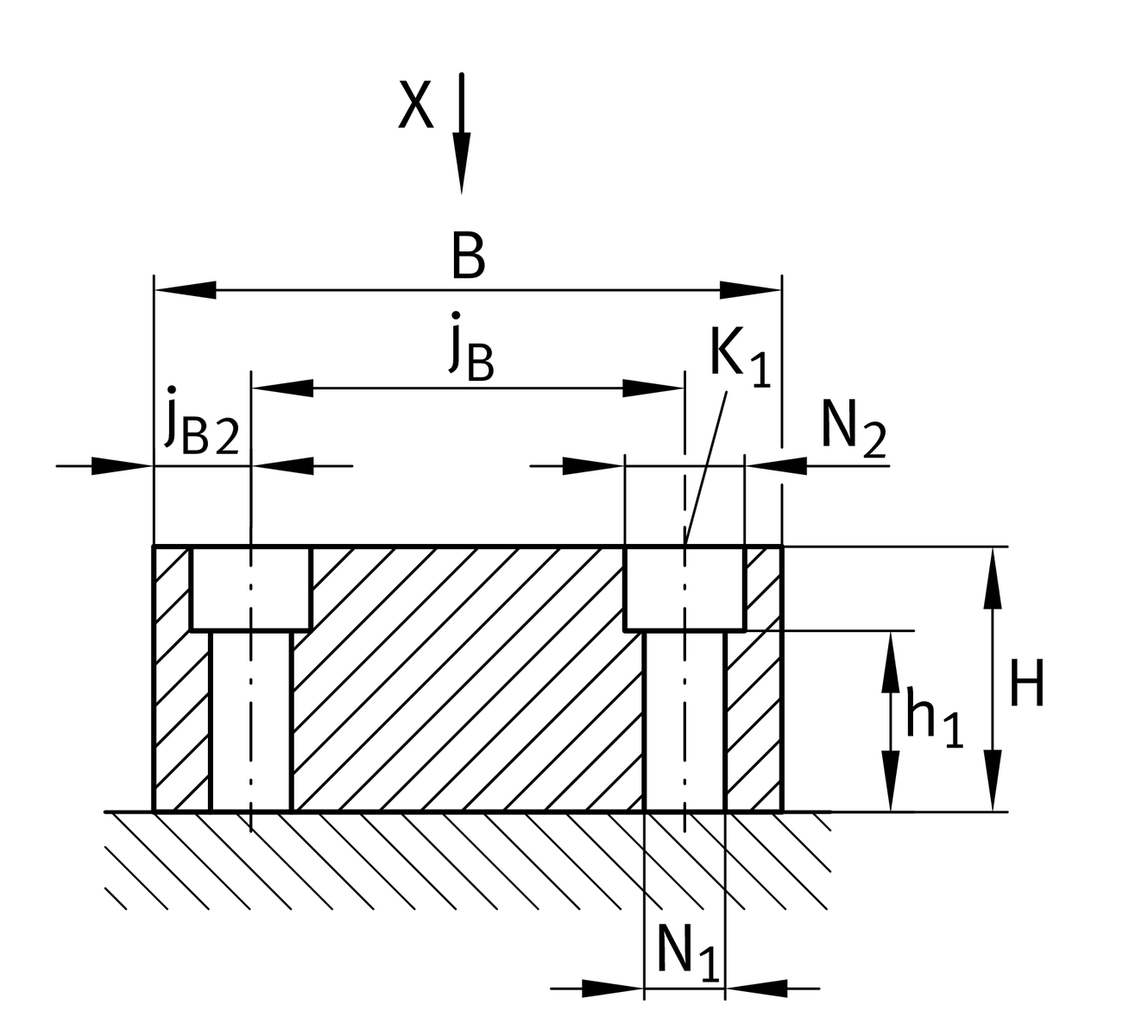
Main Dimensions & Performance Data
lmax
3,000 mm
length maximum 1
B
125 mm
width
Tol B
-0,1
tolerance
H
53 mm
height
Tol H
-0,1
tolerance

Mounting dimensions
jB
89 mm
jB2
18 mm
jL
80 mm
aR min
15 mm
2
aR max
55 mm
2
aL min
15 mm
2
aL max
55 mm
2
37.5 mm
N2
20 mm
K1
M12
fixing srews (DIN ISO 4762-12.9)
K1 MA
140 Nm
torques fixing screws 3
d1
14 mm
bore diameter

Related products
KVK20
suitable closing plug 4
RUS38134, RUS38206, RUSV60134-KS, RUSV60206-KS, PR14089
suitable for linear roller bearing 5

Your current product variant
Size code12553
Thêm vào yêu cầu báo giá