PRODUCTS

  • Home
  • Giới thiệu sản phẩm

INA
UG6628
Guideways with four raceways UG6628
Thêm vào yêu cầu báo giá
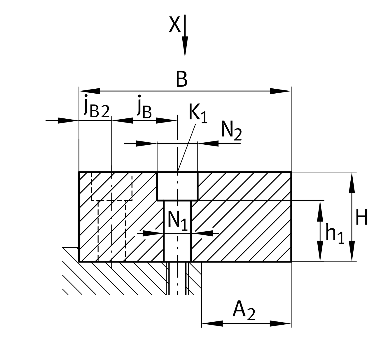
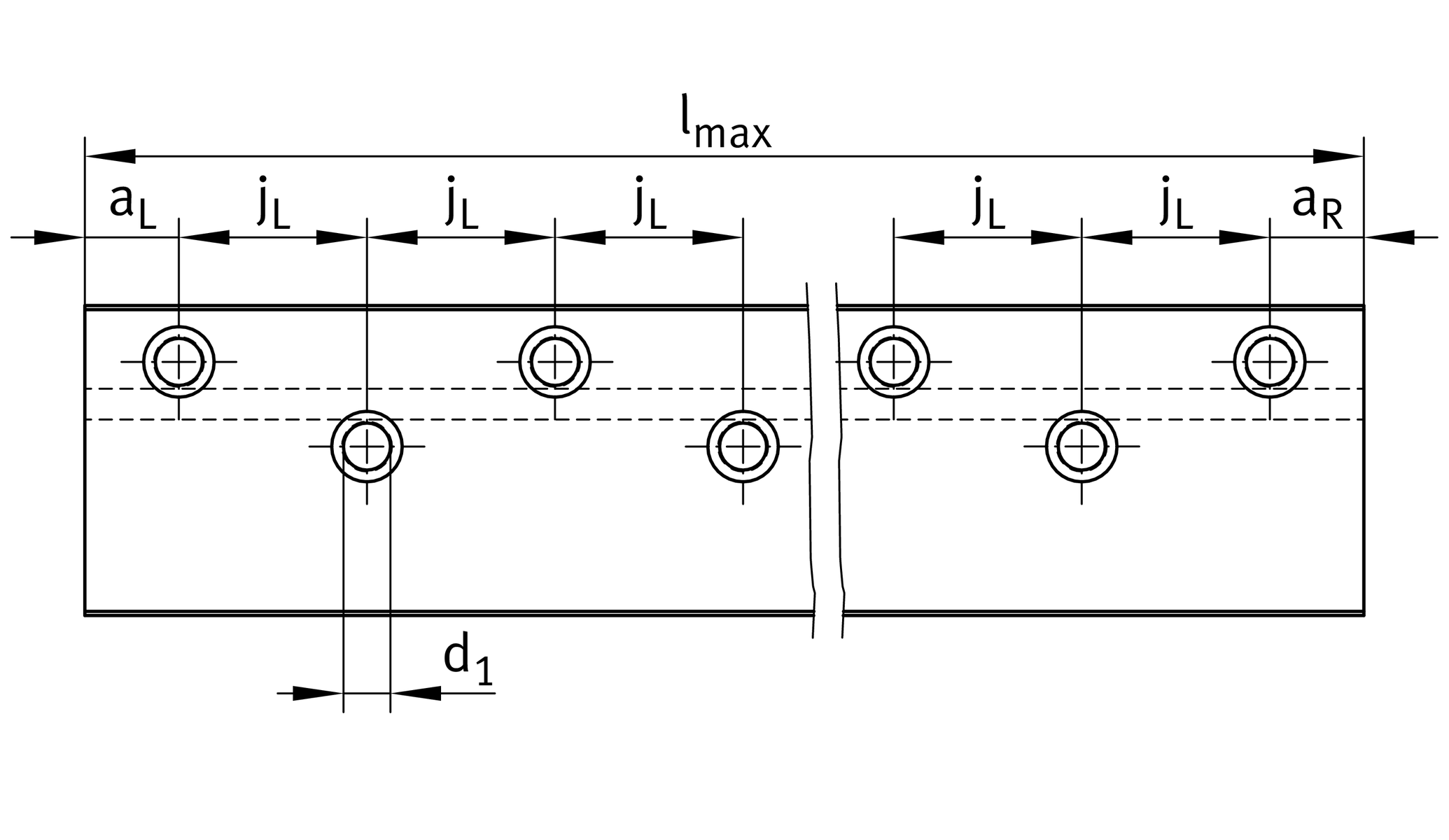
Main Dimensions & Performance Data
lmin
70 mm
length minimum
lmax
2,000 mm
length maximum 1
B
66 mm
width
Tol B
-0,1
tolerance
H
28 mm
height
Tol H
-0,1
tolerance

Mounting dimensions
jB
18 mm
jB2
12 mm
jL
40 mm
aR min
15 mm
2
aR max
35 mm
2
aL min
15 mm
2
a
35 mm
2
h1
16.5 mm
A2 max
28 mm
N2
15 mm
K1
M8
fixing srews (DIN ISO 4762-12.9)
K1 MA
41 Nm
torques fixing screws 3
d1
10 mm
bore diameter

Related products
KVK15
suitable closing plug 4
RUS19069, RUS19105, RUSV30069-KS, RUSV30105-KS, PR14032, PR14044
suitable linear roller bearing 5

Your current product variant
Size code6628
Thêm vào yêu cầu báo giá