PRODUCTS
- Home
- Giới thiệu sản phẩm
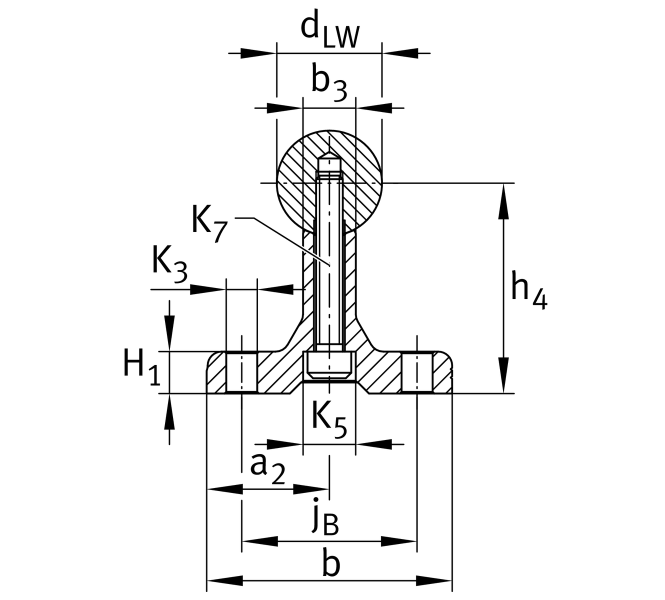
| BGR | 24 | Dimension of shaft and support body |
| Tol dLW | L | Diameter tolerance shaft |
| h4 | 63.5 mm | Height dimension 1 |
| Tol h4 | 0.051 mm | Height dimension tolerance High |
| Tol h4 | -0.051 mm | Height dimension tolerance Low |
| b | 76.2 mm | Support rail width bottom |
| Lmax | 5,181.6 mm | shaft and support rail-length max. 2 |
| jB | 57.15 mm | distance jB of bore |
| b3 | 17.526 mm | Support rail width prism |
| a2 | 38.1 mm | Support rail width stop bar |
| Tol a2 | 0.051 mm | Height dimension tolerance High |
| Tol a2 | -0.051 mm | Height dimension tolerance Low |
| jL | 203.2 mm | distance radial thread |
| aL min | 100.584 mm | distance thread aL (min) 3 |
| aL max | 177.8 mm | distance thread aL (max) 3 |
| aR min | 100.584 mm | distance thread aR (min) 3 |
| aR max | 177.8 mm | distance thread aR (max) 3 |
| H1 | 9.525 mm | Support Rail height stop bar |
| K3 | 8.712 mm | Adjacent construction bore |
| K5 | 15.875 mm | Counterbore |
| K6 | 10.312 mm | Connecting bore |
| K7 | SHR 3/8-16X2 SOC HD CAP | screw size |
| h7 | 9.906 mm | depth counterbore |
| m | 12.8 kg/m | Shaft and support rail unit weight |
| Diameter shaft | 1-1/2" | dLW |