PRODUCTS

  • Home
  • Giới thiệu sản phẩm

INA
TSUZ20
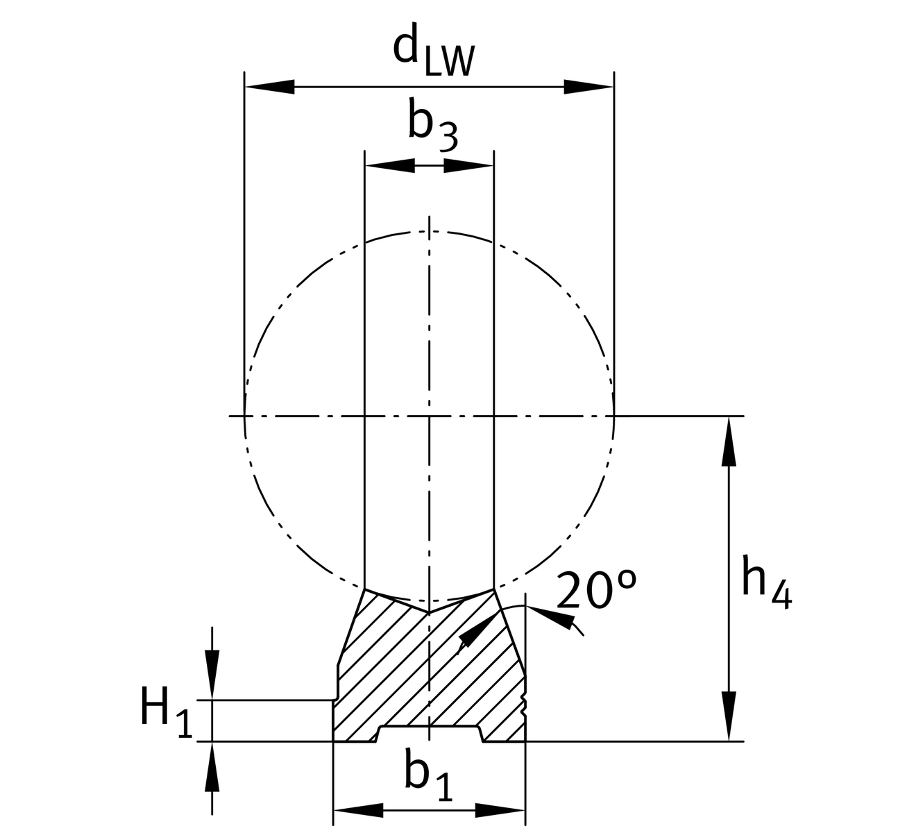
Guideway body, inch sizes TSUZ20
Thêm vào yêu cầu báo giá
Main Dimensions & Performance Data
BGR
20
Dimension of support body
h4
1.187 in
Height dimension 1
Tol h4
0.002 in
Height dimension tolerance High
Tol h4
-0.002 in
Height dimension tolerance Low
b1
0.78 in
Support Rail-Width-Bottom
Lmax
48 in
Support rail length

Mounting dimensions
a2
0.39 in
Support rail width stop bar
Tol a2
0.05 in
Height dimension tolerance High
Tol a2
-0.05 in
Height dimension tolerance Low
b3
0.523 in
Support rail width prism
H1
0.2 in
Support Rail height stop bar
m
0.44 lbs/ft
Support Rail weight

Your current product variant
Diameter shaft1-1/4"dLW
Thêm vào yêu cầu báo giá