PRODUCTS

  • Home
  • Giới thiệu sản phẩm

INA
TSUZ16-PD
Guideway body, inch sizes TSUZ16-PD
Thêm vào yêu cầu báo giá
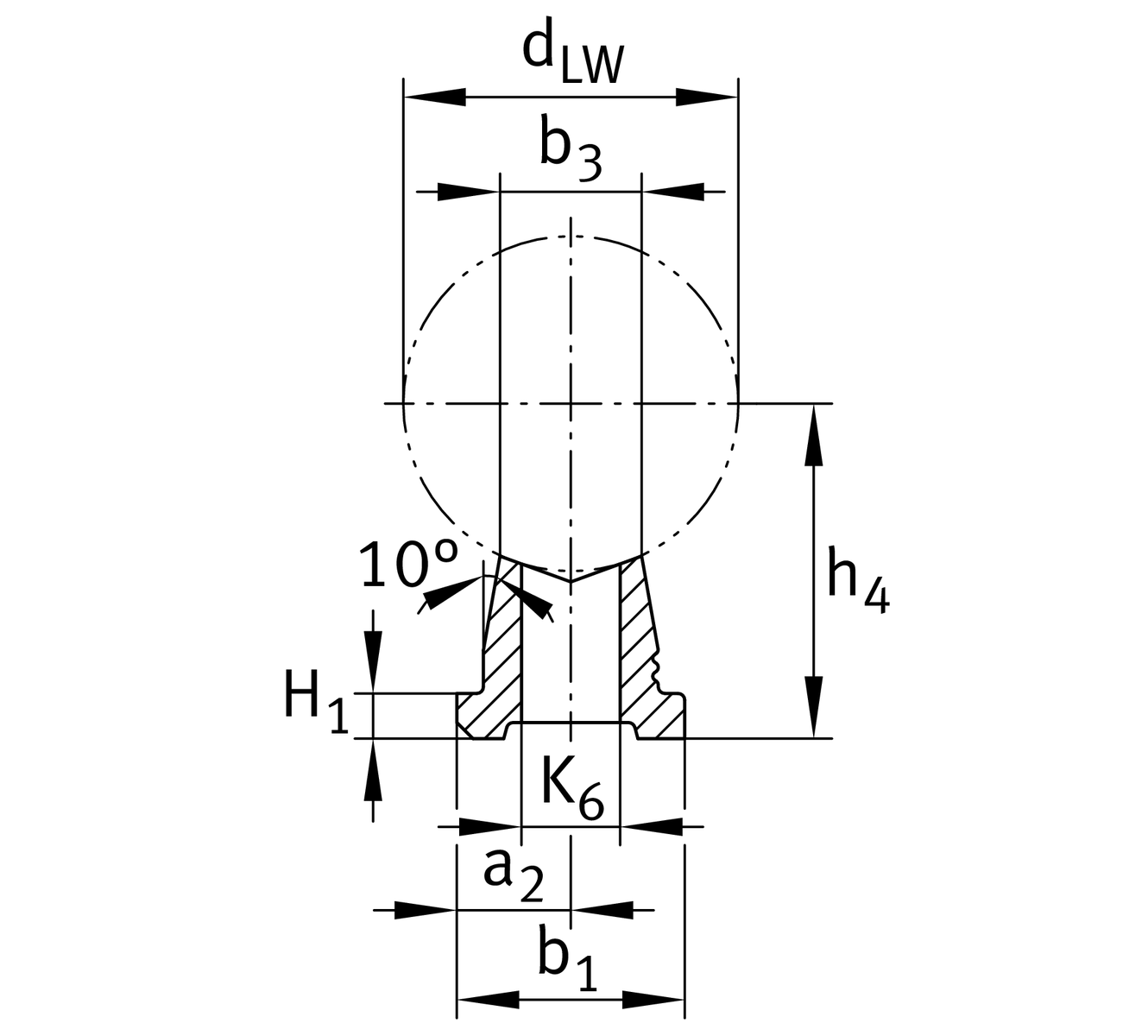
Main Dimensions & Performance Data
BGR
16
Dimension of support body
h4
1 in
Height dimension 1
Tol h4
0.002 in
Height dimension tolerance High
Tol h4
-0.002 in
Height dimension tolerance Low
b1
0.69 in
Support Rail-Width-Bottom
Lmax
48 in
Support rail length

Mounting dimensions
a2
0.345 in
Support rail width stop bar
Tol a2
0.05 in
Height dimension tolerance High
Tol a2
-0.05 in
Height dimension tolerance Low
b3
0.422 in
Support rail width prism
H1
0.12 in
Support Rail height stop bar
m
0.35 lbs/ft
Support Rail weight
K6
0.281 in
Connecting Bore
aL min
0.6 in
distance radial thread left (min) 2
aL max
5.5 in
distance radial thread left (max) 2
aR min
0.6 in
distance radal thread right (min) 2
aR max
5.5 in
distance radal thread right (max) 2
jL
6 in
distance radial thread

Your current product variant
Diameter shaft1"dLW
Thêm vào yêu cầu báo giá