PRODUCTS

  • Home
  • Giới thiệu sản phẩm

INA
TKVD71
Guideways for linear recirculating ball bearing unit TKVD71
Thêm vào yêu cầu báo giá
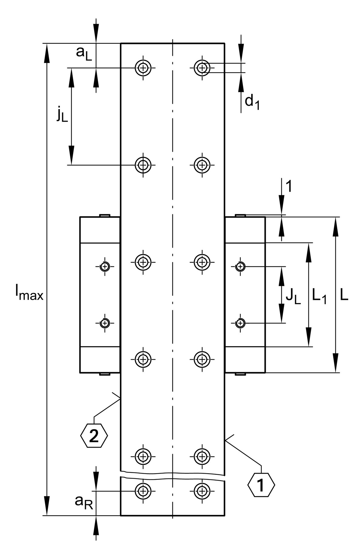
Main Dimensions & Performance Data
h
17 mm
Height
b
71 mm
Width
≈m
9.5 kg/m
Weight

Mounting dimensions
K1 MA
10 Nm
Tightening torque
d1
6 mm
Bore diameter

Dimensions
lmax
2,940 mm
Max length single piece guideway 1
aL max
53 mm
Distance 2
aL min
20 mm
Distance 2
aR max
53 mm
Distance 2
aR min
20 mm
Distance 2
jL
60 mm
Increment
jB
50 mm
Increment
a5
10.5 mm
Distance
h1
8.3 mm
Length

Your current product variant
Size code71
Thêm vào yêu cầu báo giá