PRODUCTS

  • Home
  • Giới thiệu sản phẩm

INA
CSXU100-2RS
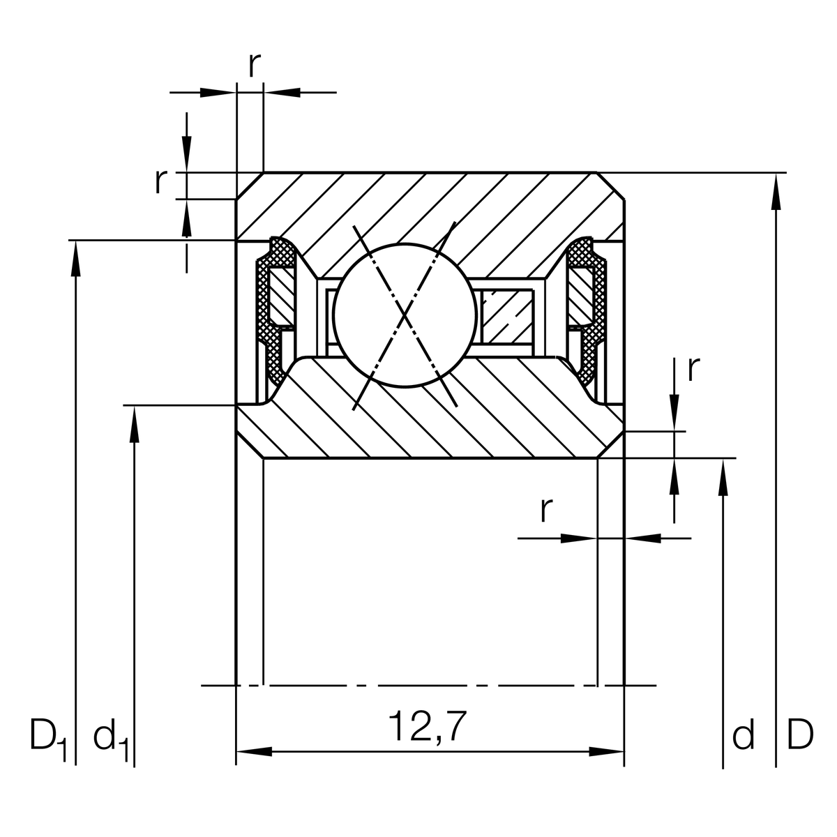
Four-point contact bearing CSXU100-2RS
Thêm vào yêu cầu báo giá
Main Dimensions & Performance Data
d
254 mm
Bore diameter
D
273.05 mm
Outside diameter
B
12.7 mm
Width
Cr
14,300 N
Basic dynamic load rating, radial
C0r
35,000 N
Basic static load rating, radial
nG
1,030 1/min
Limiting speed
≈m
0.59 kg
Weight

Dimensions
rmin
0.38 mm
Minimum chamfer dimension
d1
261 mm
Shoulder diameter inner ring
D1
266 mm
Shoulder diameter outer ring
d1
257.8 mm
Caliber diameter inner ring
D1
267.6 mm
Caliber diameter outer ring
α
30 °
Contact angle

Temperature range
Tmin
-25 °C
Operating temperature min.
Tmax
120 °C
Operating temperature max.

Your current product variant
Logistical codeHLE-
Sealing2RSContact seal on both sides
CageYHbrass sheet metal
Tolerance classPL1Class PL1, Normal
LubricantLubricating grease
Radial internal clearancePL1Class PL1, Normal
Thêm vào yêu cầu báo giá