PRODUCTS

  • Home
  • Giới thiệu sản phẩm

FAG
22256-BEA-XL-K-MB1-C3
Spherical Roller Bearing 22256-BEA-XL-K-MB1-C3
Thêm vào yêu cầu báo giá
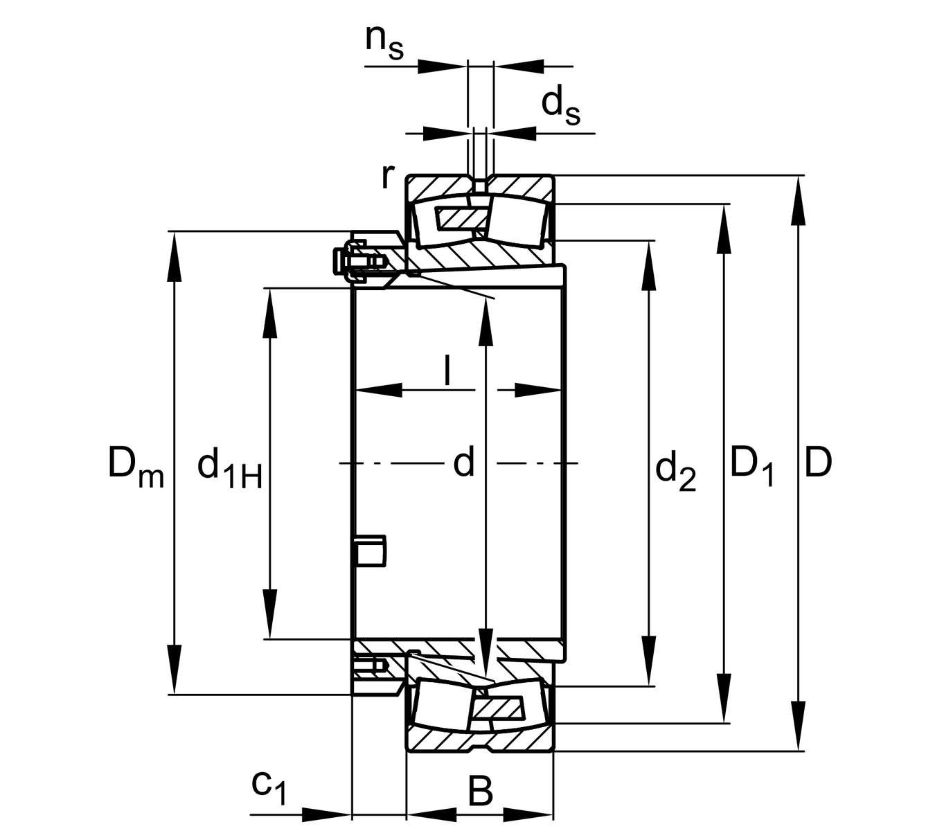
Main Dimensions & Performance Data
d
280 mm
Bore diameter
D
500 mm
Outside diameter
B
130 mm
Width
Cr
2,750,000 N
Basic dynamic load rating, radial
C0r
3,700,000 N
Basic static load rating, radial
Cur
320,000 N
Fatigue load limit, radial
nG
1,650 1/min
Limiting speed
nϑr
990 1/min
Reference speed
≈m
106.145 kg
Weight

Mounting dimensions
da min
300 mm
Minimum diameter shaft shoulder
Da max
480 mm
Maximum diameter of housing shoulder
ra max
4 mm
Maximum recess radius
da max
324 mm
Maximum diameter of shaft shoulder
db min
296 mm
Minimum cavity diameter of the sleeve
Ba min
28 mm
Minimum cavity width of the sleeve

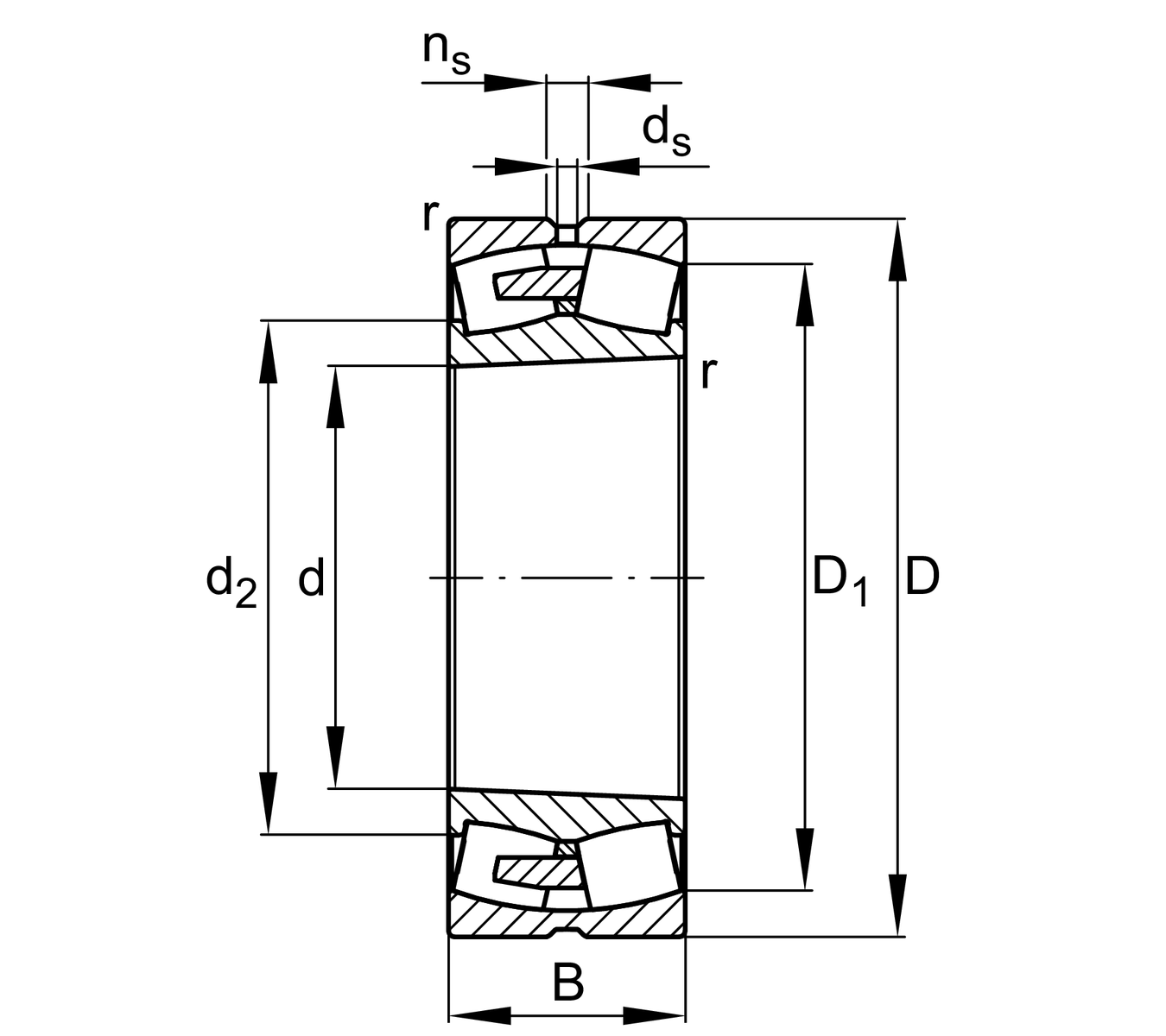
Dimensions
rmin
5 mm
Minimum chamfer dimension
D1
436 mm
Bore diameter outer ring
ds
12.5 mm
Diameter lubrication hole
ns
23.5 mm
Width of lubricating groove

Temperature range
Tmin
-30 °C
Operating temperature min.
Tmax
200 °C
Operating temperature max.

Calculation factors
e
0.25
Limiting value of Fa/Fr for the applicability of diff. Values of factors X and Y
Y1
2.71
Dynamic axial load factor
Y2
4.04
Dynamic axial load factor
Y0
2.65
Static axial load factor

Additional information
H3156X
Adapter sleeve
AH2256G
Withdrawal sleeve

Your current product variant
DesignBEAwith lose center lip ring
Bore typeKTapered, taper 1:12
CageMB1Solid brass cage
Radial internal clearanceC3 (Group 3)Internal clearance larger than CN
Relubrication featureStandard
Thêm vào yêu cầu báo giá