PRODUCTS
- Home
- Giới thiệu sản phẩm
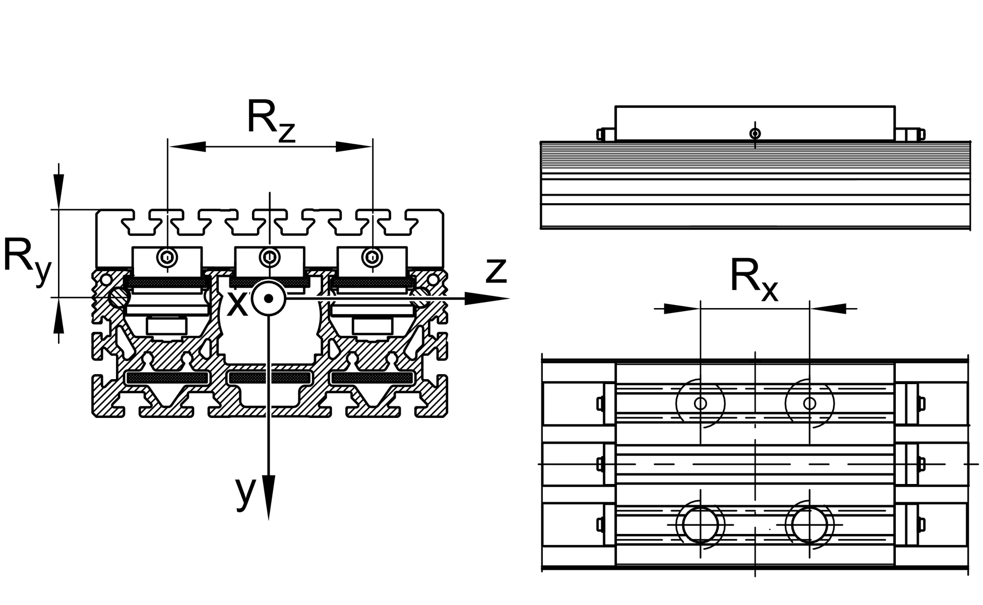
| B2 | 58 mm | Total Width |
| H | 56 mm | Total Height |
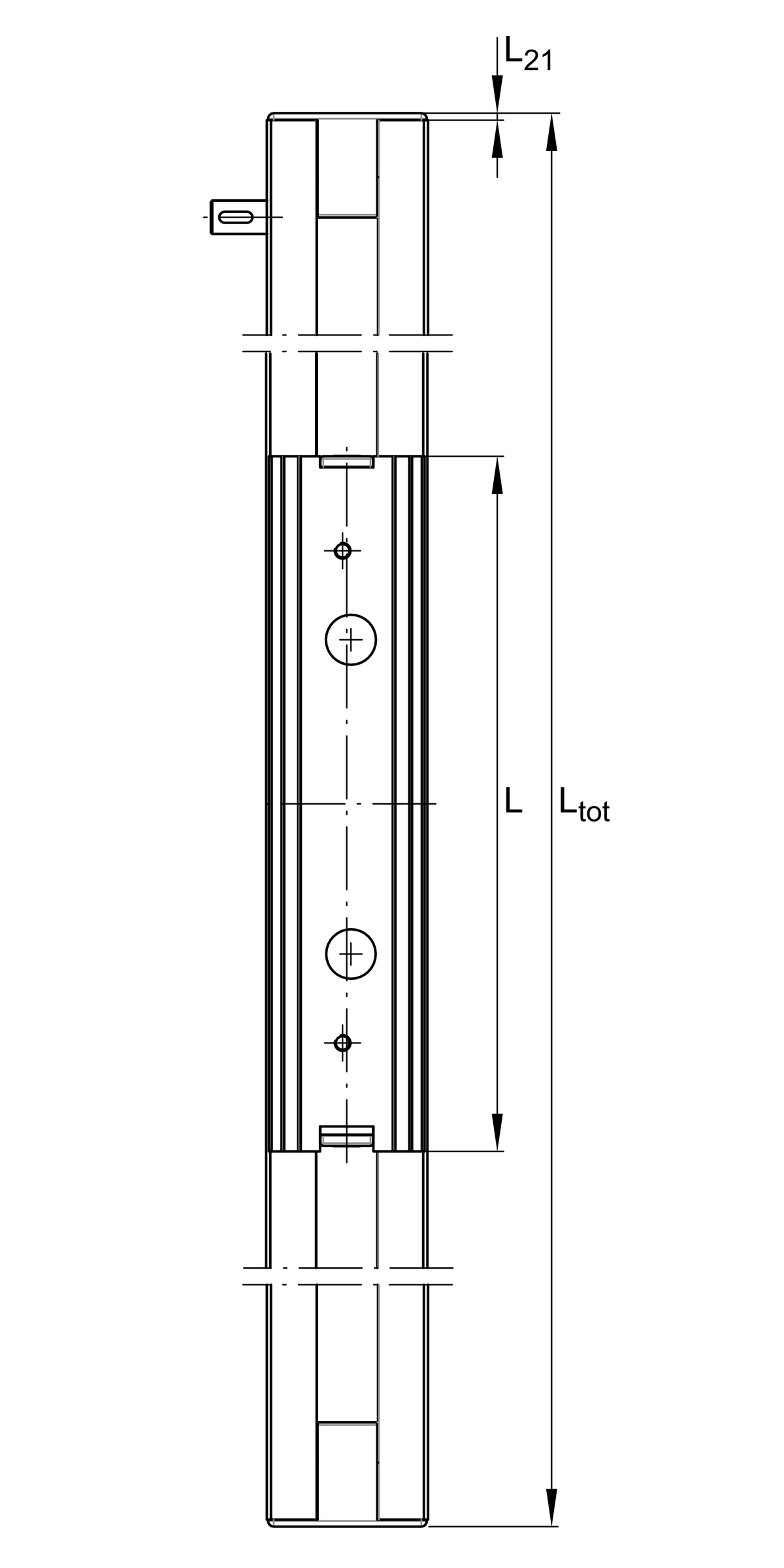
| L | 250 mm | Length of carriage |
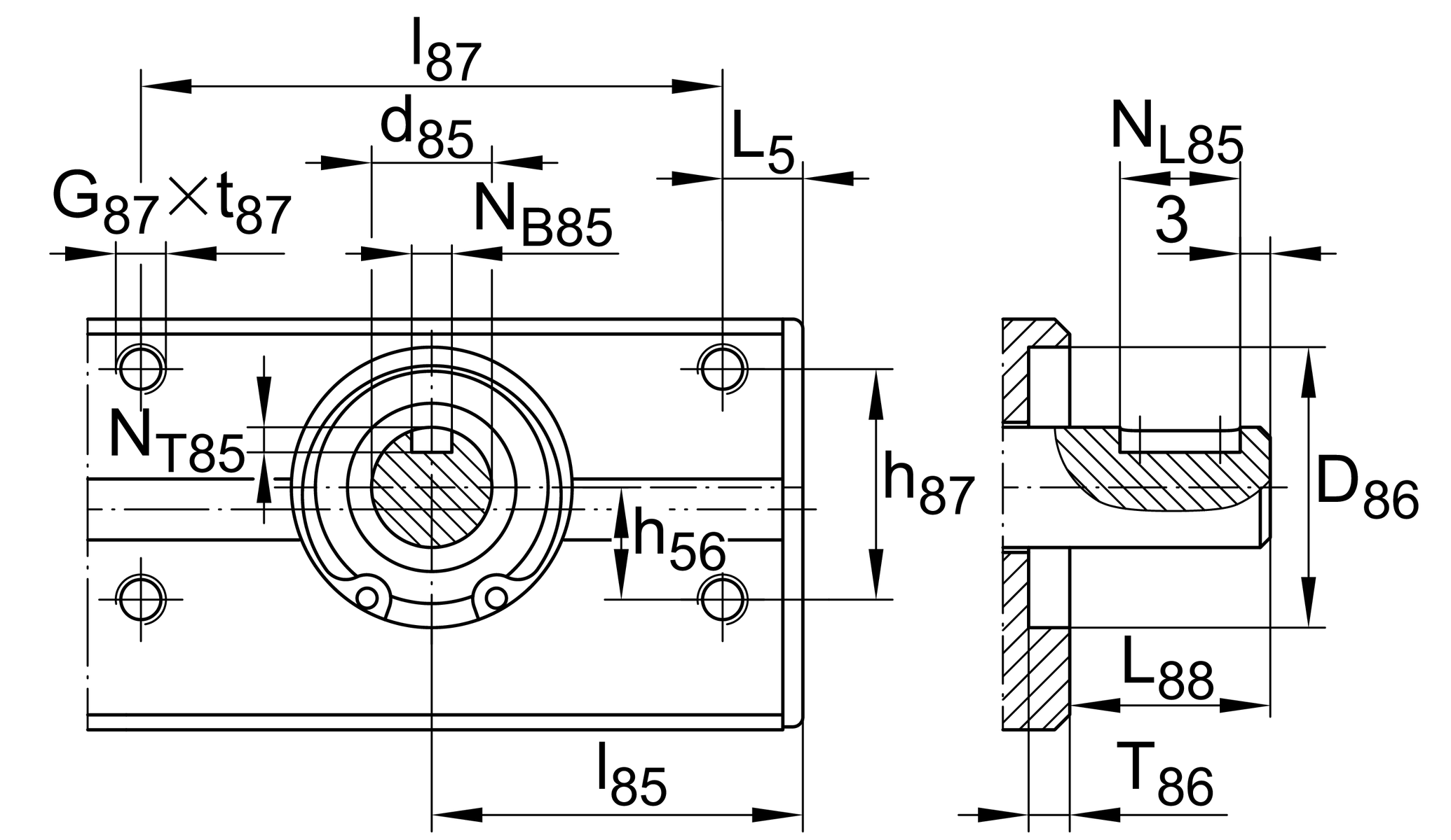
| D86 | 28 mm | |
| Tol D86 | H7 | Tolerance |
| d85 | 12 mm | |
| L88 | 20.5 mm | Length of Drive Pin |
| G87 | M5 | Thread |
| h56 | 11.5 mm | |
| h85 | 24.2 mm | |
| h87 | 23 mm | |
| JB43 | 40 mm | |
| JB8 | 40 mm | |
| L8 | 76 mm | |
| l85 | 37.5 mm | |
| l87 | 58 mm | |
| NB85 | 4 mm | Width of Keyway |
| Tol NB85 | P9 | Tolerance |
| NL85 | 12 mm | Length of Keyway |
| NT85 | 2.5 mm | Depth of Keyway, Tolerance P9 |
| T86 | 3.7 mm | Depth Fit |
| Tol T86 up | 0.2 mm | Upper Tolerance |
| Tol T86 low | 0 mm | Lower Tolerance |
| t87 max | 10 mm |
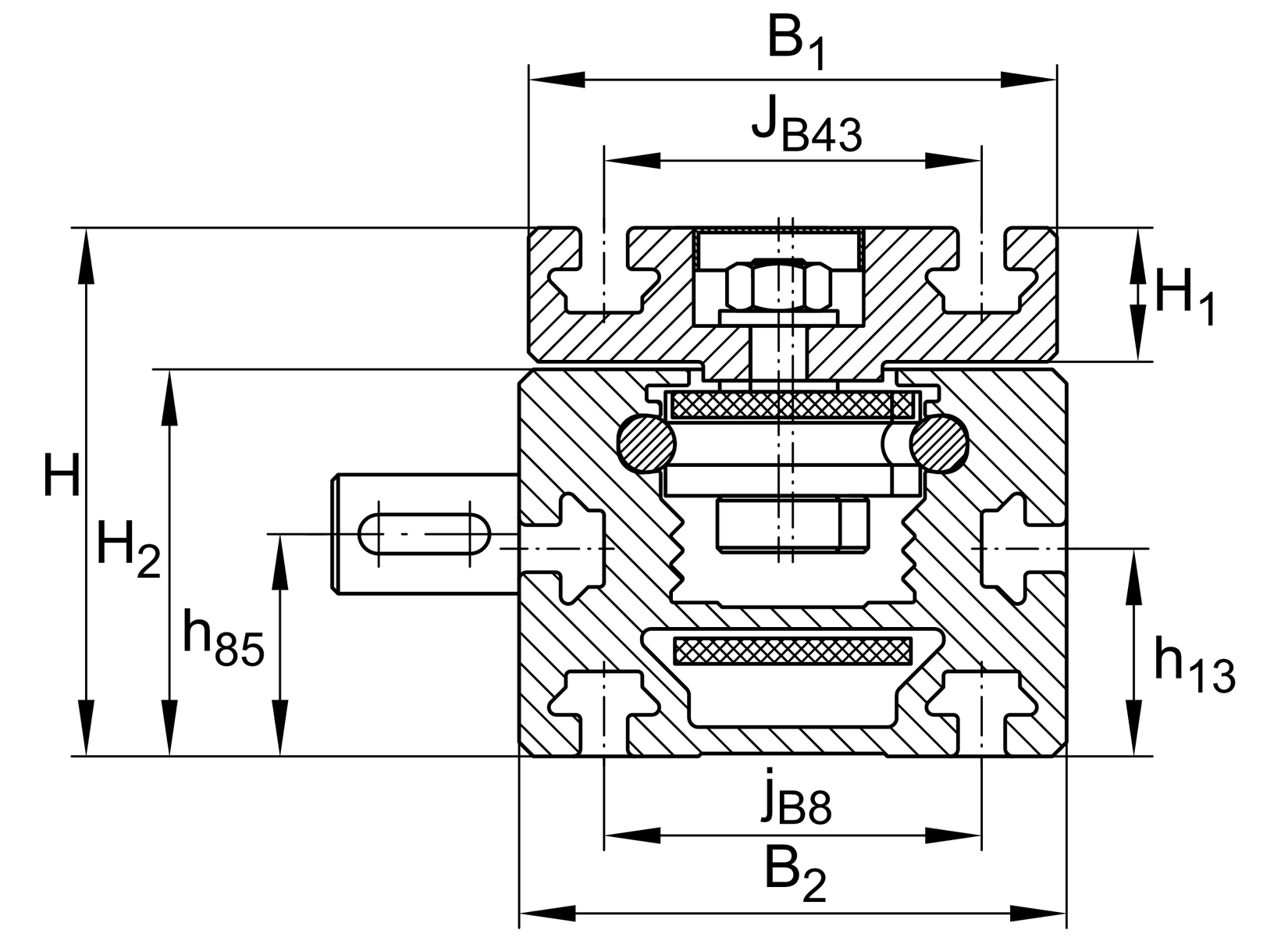
| B1 | 56 mm | Width of Carriage |
| H1 | 14.2 mm | Height of Carriage |
| H2 | 41 mm | Height of Support Rail |
| h13 | 22 mm | |
| L2 max | 4,000 mm | Maximum length of Support Rail |
| L4 | 65 mm | Length of Return Unit |
| L5 | 8.5 mm | |
| L21 | 2.5 mm | |
| S | 40 mm | Safety Distance |
| mLAW | 0.71 kg | Mass of Carriage |
| m3 | 1.2 kg | Mass of additional Carriage |
| vmax | 4 m/s | Maximum Speed |
| amax | 20 m/s2 | Maximum Acceleration |
| Rx | 113 mm | |
| Ry | 22.7 mm | |
| Rz | 3 mm | |
| I C | 3,400 N | Load direction I: compressive load |
| I C0 | 2,050 N | Load direction I: compressive load |
| II C | 3,400 N | Load direction II: tensile load |
| II C0 | 2,050 N | Load direction II: tensile load |
| III C | 7,000 N | Load direction III: lateral load |
| III C0 | 4,150 N | Load direction III: lateral load |
| M0x per | 32 Nm | Max. permissible static moment per Carriage 1 |
| M0y per | 290 Nm | Max. permissible static moment per Carriage 1 |
| M0z per | 135 Nm | Max. permissible static moment per Carriage 1 |
| Iy | 46 cm4 | Geometrical moments of inertia of Support Rail |
| Iz | 17 cm4 | Geometrical moments of inertia of Support Rail |
5.6 Nm | Max. permissible drive torque | |
4 x LFR50/8-6-2Z | Track Rollers | |
0.1 mm | Repeat Accurancy ± | |
85 mm | Feed (mm/rotation) | |
25AT5 | Toothed Belt | |
0.082 kg/m | Mass of Toothed Belt | |
420 N | Permissible Toothed Belt operating force | |
0.1 kg*cm2 | Mass moment of inertia of Gears and Gearboxes |
| Tmin | 0 °C | Minimum operating Temperatur |
| Tmax | 80 °C | Maximum operating Temperatur |
| Size code | 25 | |
| Length of carriage | 250 | 250 mm |
| Version | / | Standard |
| Design | / | Basis |
| Drive type | (3)ZR | Toothed belt drive |
| Additional carriage | / | No additional carriage |
| Attachment to the carriage | N | T-Slots |
| Support rail design | / | One-piece |