PRODUCTS

  • Home
  • Giới thiệu sản phẩm

FAG
230/600-BEA-XL-MB1-H151B
Spherical Roller Bearing 230/600-BEA-XL-MB1-H151B
Thêm vào yêu cầu báo giá
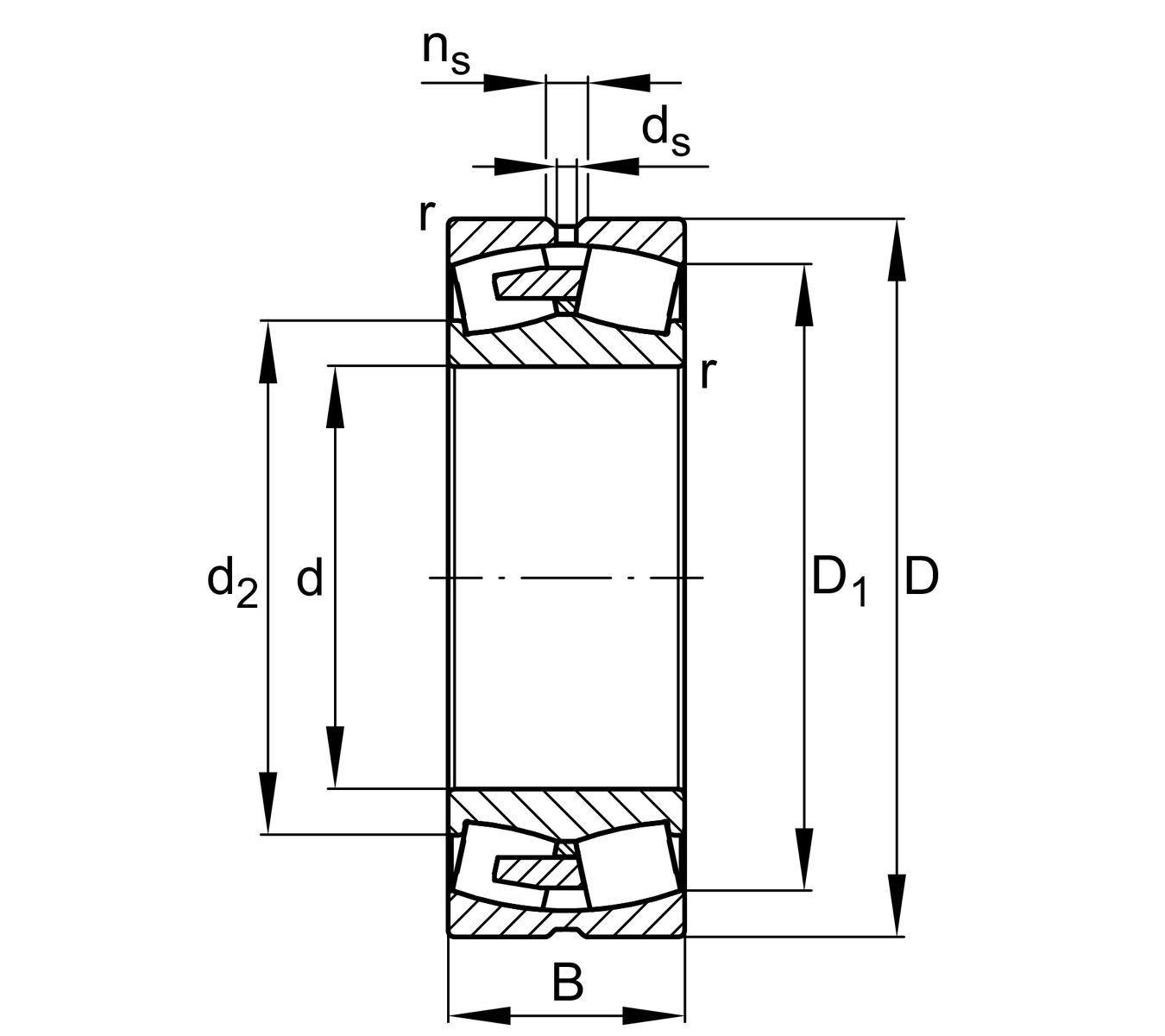
Main Dimensions & Performance Data
d
600 mm
Bore diameter
D
870 mm
Outside diameter
B
200 mm
Width
Cr
6,600,000 N
Basic dynamic load rating, radial
C0r
12,300,000 N
Basic static load rating, radial
Cur
1,020,000 N
Fatigue load limit, radial
nG
710 1/min
Limiting speed
nϑr
405 1/min
Reference speed
≈m
398.5 kg
Weight

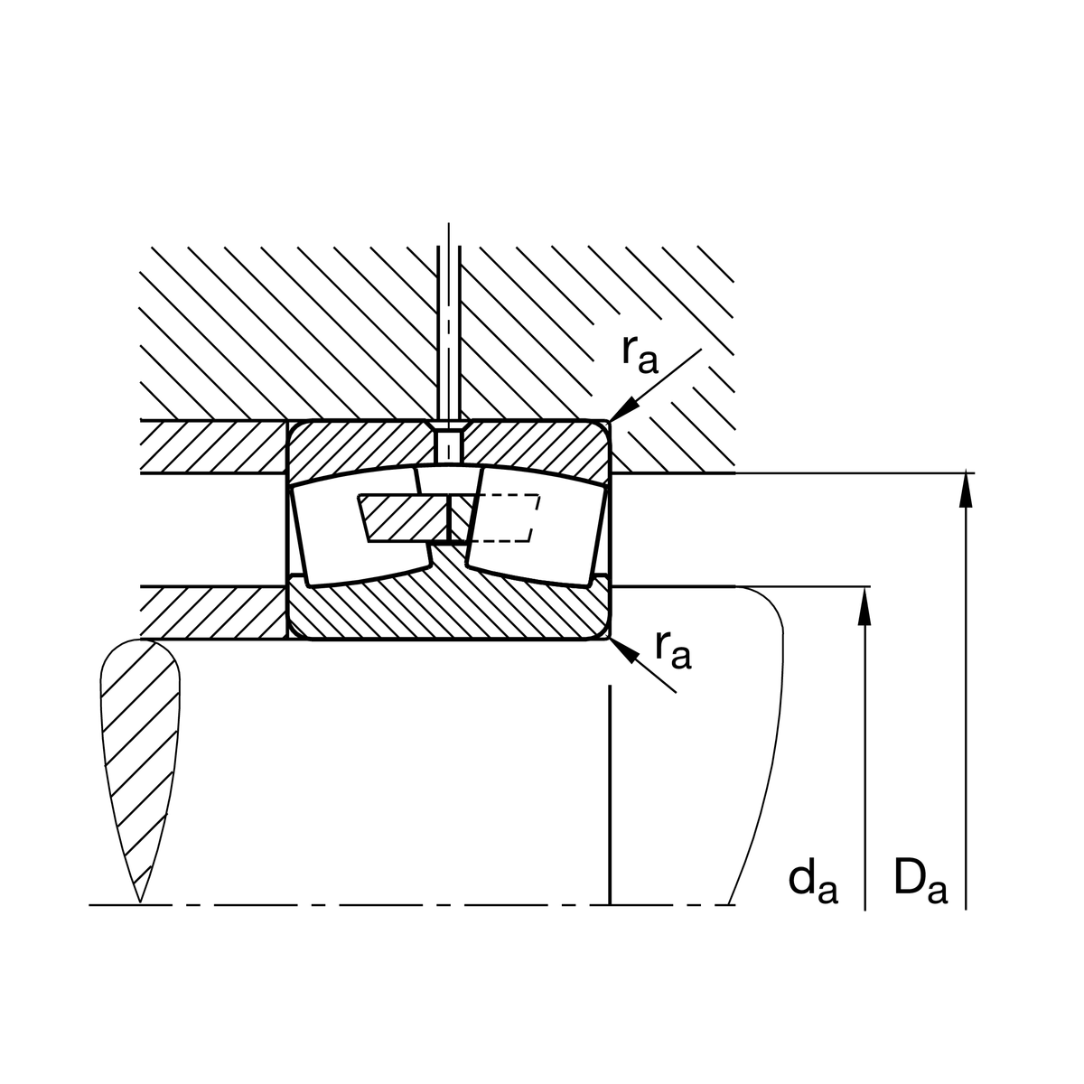
Mounting dimensions
da min
623 mm
Minimum diameter shaft shoulder
Da max
847 mm
Maximum diameter of housing shoulder
ra max
5 mm
Maximum recess radius

Dimensions
rmin
6 mm
Minimum chamfer dimension
D1
793.3 mm
Bore diameter outer ring
ds
12.5 mm
Diameter lubrication hole
ns
23.5 mm
Width of lubricating groove

Temperature range
Tmin
-30 °C
Operating temperature min.
Tmax
200 °C
Operating temperature max.

Calculation factors
e
0.21
Limiting value of Fa/Fr for the applicability of diff. Values of factors X and Y
Y1
3.24
Dynamic axial load factor
Y2
4.82
Dynamic axial load factor
Y0
3.16
Static axial load factor

Your current product variant
DesignBEAwith lose center lip ring
Bore typeZCylindrical
CageMB1Solid brass cage
Radial internal clearanceCN (Group N)Normal internal clearance
Relubrication featureStandard
Locating feature, bearing outer ringH151B2 Locking features, bearing outer ring
Thêm vào yêu cầu báo giá