PRODUCTS

  • Home
  • Giới thiệu sản phẩm

INA
81252-M
Axial cylindrical roller bearing 81252-M
Thêm vào yêu cầu báo giá
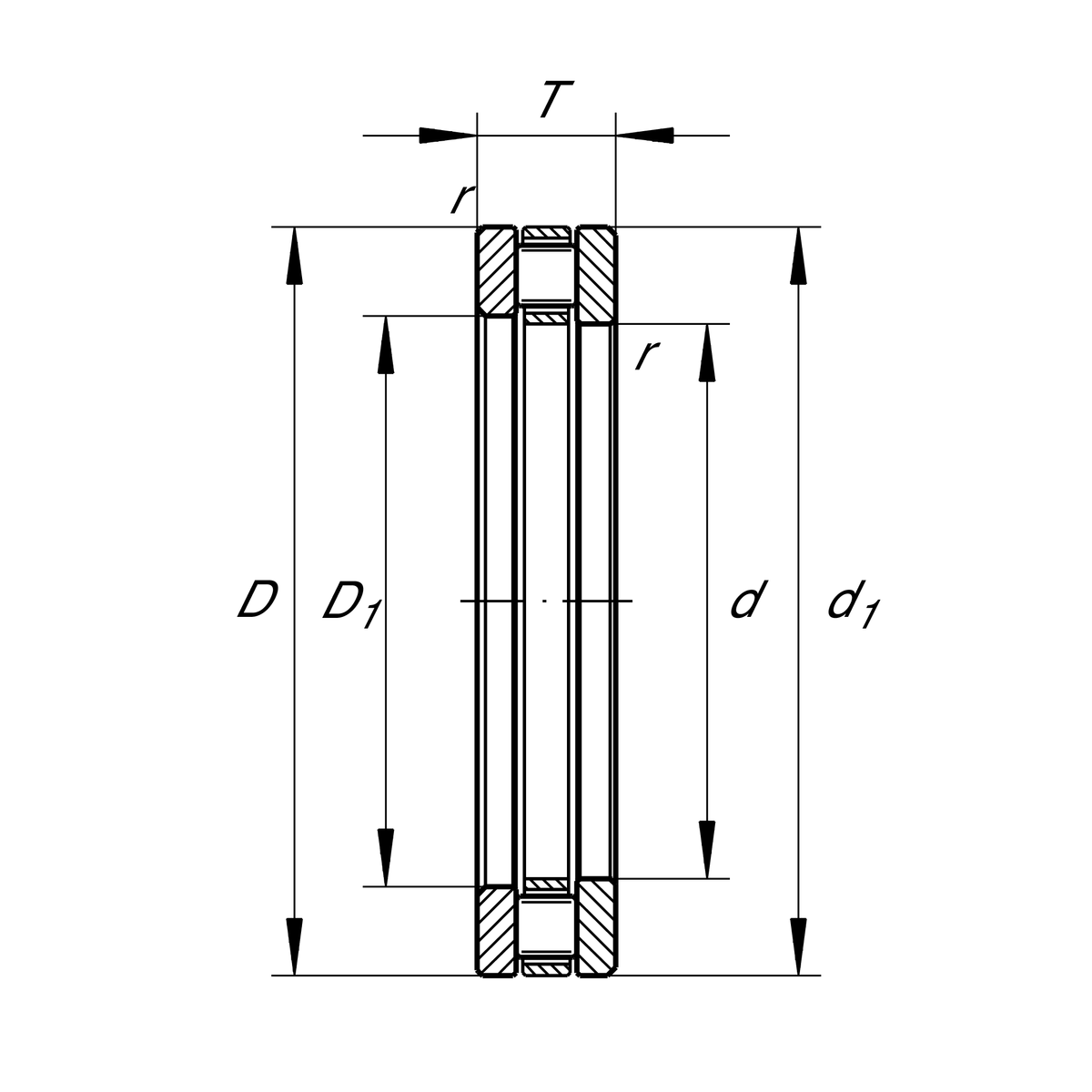
Main Dimensions & Performance Data
d
260 mm
Bore diameter
T
79 mm
Height
Ca
1,450,000 N
Basic dynamic load rating, axial
C0a
5,400,000 N
Basic static load rating, axial
Cua
485,000 N
Fatigue load limit, axial
nG
930 1/min
Limiting speed
nϑr
310 1/min
Reference speed
D
360 mm
Outside diameter
≈m
25.99 kg
Weight

Mounting dimensions
da min
353 mm
Minimum diameter shaft shoulder
Da max
280 mm
Maximum diameter of housing shoulder
ra max
2.1 mm
Maximum recess radius

Dimensions
D1
264 mm
Bore diameter housing washer
d1
355 mm
Rip diameter shaft washer
rmin
2.1 mm
Minimum chamfer dimension

Temperature range
Tmin
-30 °C
Operating temperature min.
Tmax
120 °C
Operating temperature max.

Additional information
K81252-M
Axial roller and cage assembly
GS81252
Housing Washer
WS81252
Shaft washer

Your current product variant
CageMBrass Cage
Thêm vào yêu cầu báo giá