PRODUCTS

  • Home
  • Giới thiệu sản phẩm

FAG
16048
Deep groove ball bearing 16048
Thêm vào yêu cầu báo giá
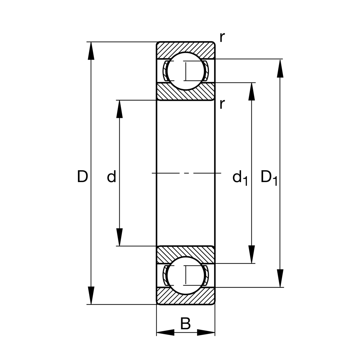
Main Dimensions & Performance Data
d
240 mm
Bore diameter
D
360 mm
Outside diameter
B
37 mm
Width
Cr
203,000 N
Basic dynamic load rating, radial
C0r
255,000 N
Basic static load rating, radial
Cur
8,700 N
Fatigue load limit, radial
nG
2,450 1/min
Limiting speed
nϑr
2,100 1/min
Reference speed
≈m
12.7 kg
Weight

Mounting dimensions
da min
250.2 mm
Minimum diameter shaft shoulder
Da max
349.8 mm
Maximum diameter of housing shoulder
ra max
2.1 mm
Maximum fillet radius

Dimensions
rmin
2.1 mm
Minimum chamfer dimension
D1
317.6 mm
Shoulder diameter outer ring
d1
283.05 mm
Shoulder diameter inner ring

Temperature range
Tmin
-30 °C
Operating temperature min.
Tmax
200 °C
Operating temperature max.

Calculation factors
f0
16.4
Calculation factor

Your current product variant
SealingWithoutNot sealed
CageJNsteel sheet metal
Tolerance classPNNormal (PN)
Dimensional / heat stabilization S1Rings dimensional stabilized up to 200°
LubricantWithoutBearing not greased
Bore typeZCylindrical
Radial internal clearanceCN (Group N)Normal internal clearance
Thêm vào yêu cầu báo giá