PRODUCTS
- Home
- Giới thiệu sản phẩm
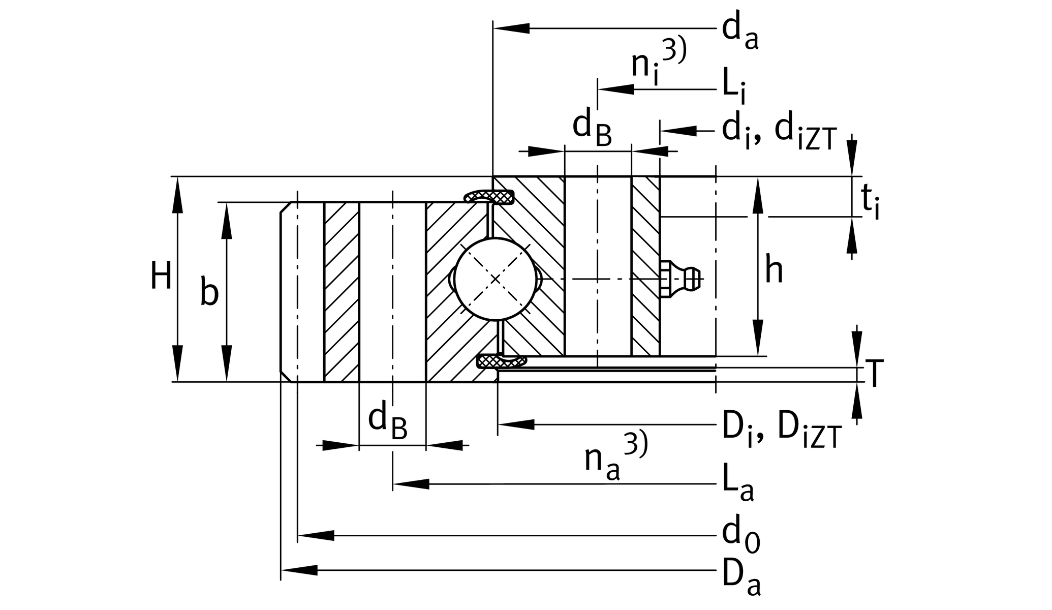
| di | 235 mm | Bore Diameter |
| H | 60 mm | Height |
| Da | 408.4 mm | Outside Diameter |
| Di ZT | 310 mm | Diameter centring outer ring |
IT8 | Diameter centring outer ring tolerance | |
| T | 3 mm | Length centering outer ring |
| t | 8 mm | Length centering inner ring |
| ha | 52.5 mm | Width outer ring |
| hi | 52.5 mm | height of inner ring |
0.06 mm | Normal radial clearance min. | |
0.25 mm | Normal radial clearance max. | |
0.1 mm | Normal axial clearance min. | |
0.41 mm | Normal axial clearance max. | |
| ≈m | 29.5 kg | Weight |
| Di | 308 mm | Inner diameter outer ring |
| da | 310 mm | Outside diameter inner ring |
| ni | 24 | Number of fixing holes in inner ring |
| Li | 259 mm | Pitchcircle diameter fixing holes inner ring |
| dB | 13 mm | Fixing bore |
| na | 24 | Number of fixing holes in outer ring |
| La | 359 mm | Pitchcircle diameter fixing holes outer ring |
| Fr zul | 99,100 N | Max. radial load fixing screws (friction locking) |
| d0 | 400 mm | Pitch circle diameter gearing |
| m | 5 mm | Modul of gearing |
| z | 80 | Number of teeth |
| b | 52.5 mm | Width gearing |
| Fz norm | 12,900 N | Max. tooth force root fatigue strenght (at a shock factor of 1,2) |
| Fz max | 18,800 N | Max. tooth force against tooth fracture (at a shock factor of 1,35) |
| Tmin | -25 °C | Operating temperature min. |
| Tmax | 80 °C | Operating temperature max. |
| Ca | 255,000 N | Basic dynamic load rating, axial |
| C0a | 640,000 N | Basic static load rating, axial |
| Cr | 232,000 N | Basic dynamic load rating, radial |
| C0r | 295,000 N | Basic static load rating, radial |
| Gearing | N | Normalized gear teeth on bearing ring |
| Preload | VSP | Bearing with preload |