PRODUCTS
- Home
- Giới thiệu sản phẩm
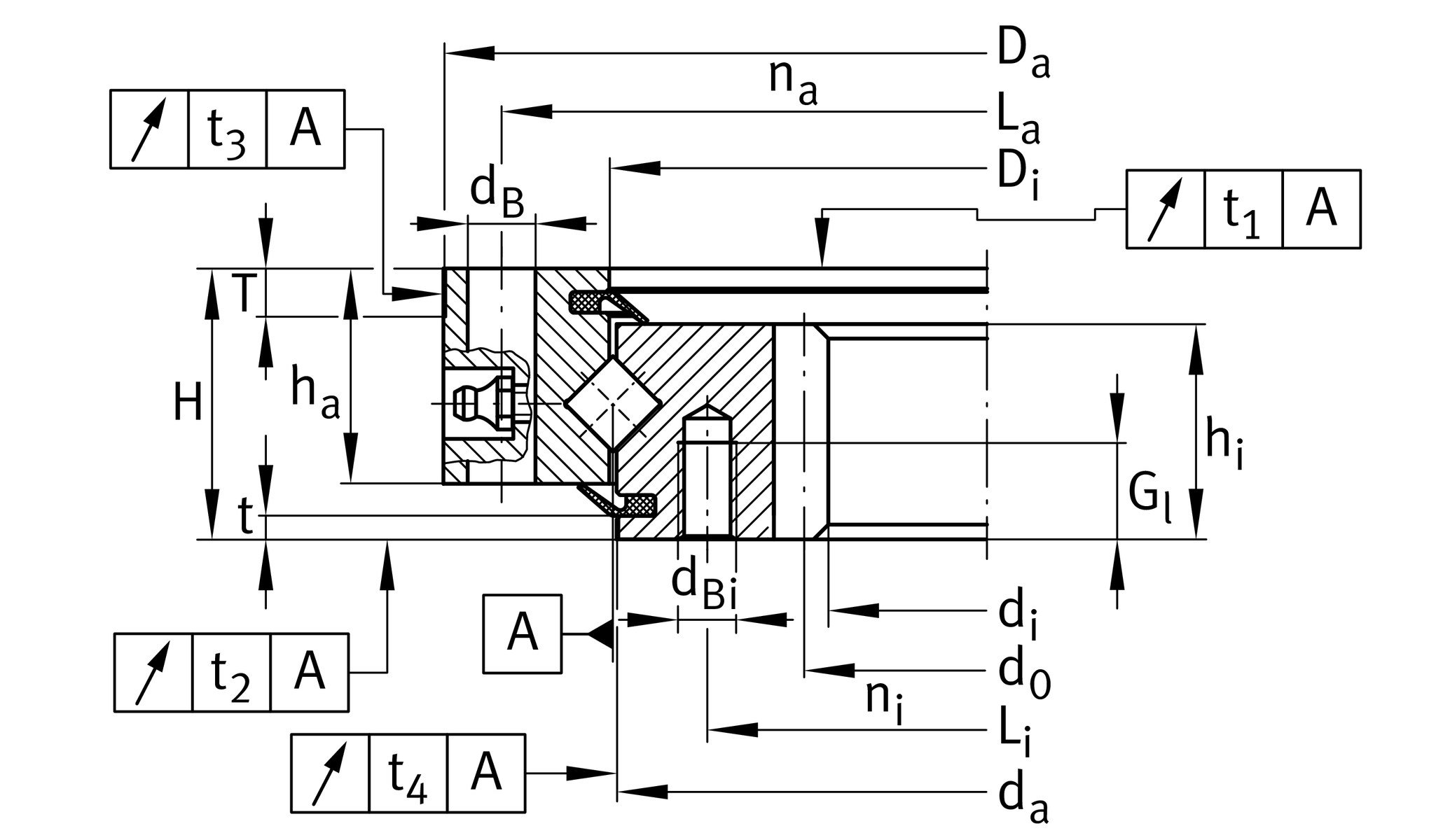
| di | 546 mm | Bore Diameter |
| da ZT | 641 mm | Diameter centring inner ring |
-IT7 | Diameter centring inner ring tolerance | |
| t | 4.5 mm | Length centering inner ring |
| Da ZT | 714 mm | Diameter centring outer ring |
-IT7 | Diameter centring outer ring tolerance | |
| T | 10 mm | Length centering outer ring |
| H | 56 mm | Height |
| ≈m | 50 kg | Weight |
| Di | 645 mm | Inner diameter outer ring |
0.6 mm | Inner diameter outer ring upper tolerance | |
0 mm | Inner diameter outer ring lower tolerance | |
| ha | 44.5 mm | Width outer ring |
| La | 690 mm | Pitchcircle diameter fixing holes outer ring |
| na | 36 | Number of fixing holes in outer ring |
| dB | 14 mm | Fixing bore |
44.5 mm | Width inner ring | |
| Li | 605 mm | Pitchcircle diameter fixing holes inner ring |
| ni | 36 | Number of fixing holes in inner ring |
M12 | Tread fixing bore | |
| tG | 20 mm | Thread depth oil connector |
| b | 44.5 mm | Width gearing |
| m | 6 mm | Modul of gearing |
| z | 93 | Number of teeth |
| d0 | 558 mm | Pitch circle diameter gearing |
| Fz norm | 23,700 N | Max. tooth force root fatigue strenght |
| Fz max | 35,000 N | Max. tooth force against tooth fracture |
0.05 mm | Running accuracy | |
0.05 mm | Running accuracy | |
0.08 mm | Running accuracy | |
0.08 mm | Running accuracy |
| Tmin | -25 °C | Operating temperature min. |
| Tmax | 80 °C | Operating temperature max. |
| Ca | 255,000 N | Basic dynamic load rating, axial |
| C0a | 840,000 N | Basic static load rating, axial |
| Cr | 181,000 N | Basic dynamic load rating, radial (for radial load only) |
| C0r | 415,000 N | Basic static load rating, radial (for radial load only) |
| VSPmax | 0.04 mm | Maximum bearing preload |
| VSPmin | 0.01 mm | Min. bearing preload |
| Fr zul | 148,700 N | Max. radial load fixing screws (friction locking) |
| Coating | RR | Protected against corrosion by Corrotect special coating |
| Gearing | N | Normalized gear teeth on bearing ring |