PRODUCTS

  • Home
  • Giới thiệu sản phẩm

INA
SL185044-TB
Cylindrical roller bearing SL185044-TB
Thêm vào yêu cầu báo giá
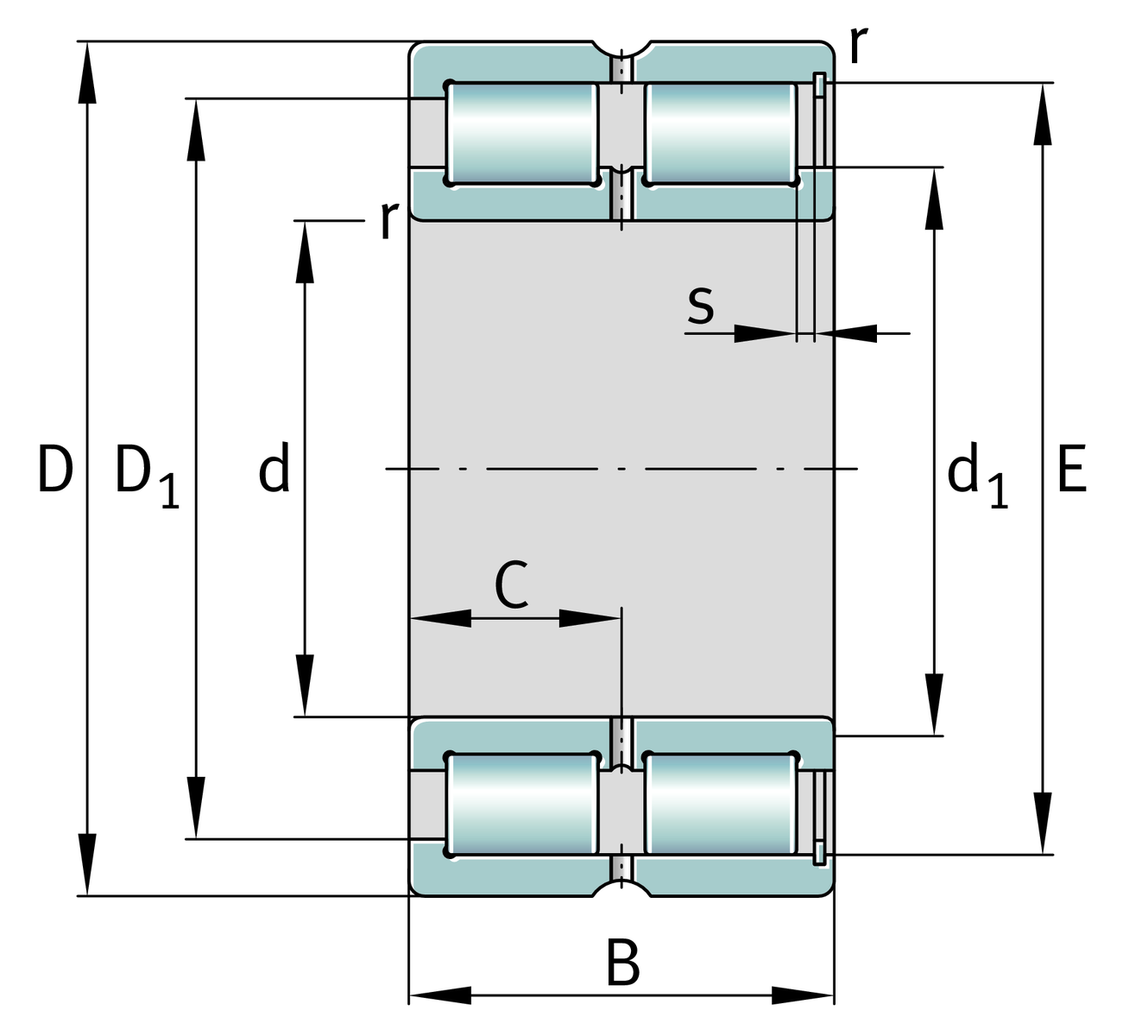
Main Dimensions & Performance Data
d
220 mm
Bore diameter
D
340 mm
Outside diameter
B
160 mm
Width
Cr
1,980,000 N
Basic dynamic load rating, radial
C0r
3,650,000 N
Basic static load rating, radial
Cur
440,000 N
Fatigue load limit, radial
nG
1,140 1/min
Limiting speed
nϑr
630 1/min
Reference speed
≈m
50.4 kg
Weight

Mounting dimensions
dc min
254.5 mm
Minimum shaft shoulder
da min
254.6 mm
Minimum diameter shaft shoulder
Da max
298 mm
Maximum diameter of housing shoulder
ra max
3 mm
Maximum recess radius
De min
297.8 mm
Minimum diameter of housing shoulder

Dimensions
rmin
3 mm
Minimum chamfer dimension
r1 min
3 mm
Minimum chamfer dimension
s
9 mm
Axial displacement
C
80 mm
Distance to lubrication hole
d1
254.6 mm
Maximum rib diameter inner ring
D1 min
297.8 mm
Minimum rib diameter outer ring
E
312.2 mm
Raceway diameter outer ring

Temperature range
Tmin
-30 °C
Operating temperature min.
Tmax
120 °C
Operating temperature max.

Your current product variant
DesignTBBearings with increased axial load capacity
Radial internal clearanceCN (Group N)Normal internal clearance
Tolerance classPNNormal (PN)
Number of rolling element rows2Double-row design
Thêm vào yêu cầu báo giá